high IP3 LF Gain Block
I was also wondering about applying microwave techniques, such as a feedforward amp block diagram, but at these low frequencies. The harmonic amp could be a simple op amp, for instance.
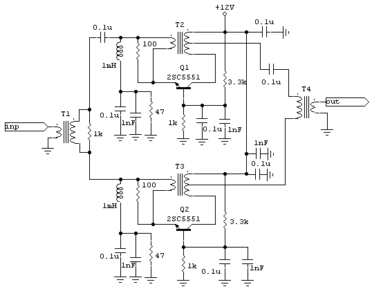
This wide frequency range is not an easy task. Can use a push-pull Norton amplifiers as in the example attached. Can get better than +50dBm OIP3 using a pair of medium-power high-frequency BJT's. Circuit like this can work between 3MHz and 150MHz. Would be a real challenge to make it work at higher frequencies, mainly due to the roll-off characteristic of the transformers. Lowering the Vcc definitely will affect the OIP3.

If NF is not a concern, you may use RC fed-backed GaAs pHEMT due to their pretty linear characteristics.Transformers may have some nonlinear issues under especially high input/output levels.
Thanks guys. I too was thinking about non-transformer feedback. THe push pull...Probably need those input/output transformers though. I'll do some experiments and report back.
- What is Real GND in high frequency IC design?
- how to get higher P1dB,in point
- How to increase high frequency output power
- Low and high impedance of low pass stepped impedance filter
- The power of standing wave is higher than that of standing wave
- Where can I place to get the high level signal? any explaination or reference?
