SPICE Model for HPND-4028 pin diode
guys can you get me the spice model for this?
It should be useable in ADS as I am using it for simulations.
If there is no such model can you help me in making one.I would be really grateful to you all.
Regards
Yeah me too for exactly this one
Can anyone help please
I am not sure you can model ON and OFF states simultaneously, however from the data sheets
On state is replaced by series resistance 1.5 to 2.3ohm
OFF state by capacitance 0.025 to 0.045 pf.
In my view you need to rum simulation under on state and off state separately
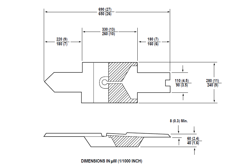
Hello every one, I am using the HPND 4028 diode in a project, I am having some issues regarding the identification of the polarity of the diode. Can some one kindly tell me which side is the cathode and which is the anode, as it is not indicated in the data sheet. Is it the same as a conventional diode with the straight line indicating the cathode side?
I would really appreciate any help regarding the matter.
also here is the figure of the diode in the datasheet.

There is a mark line on the left, so left is cathode.
