EMI filter design basic doubts.......
Im working on an AC/DC converter (15W output) Input 85-265VAC.
This has a particular requirement of having a very low conducted emission of 1dBuV in the band 2-30MHz
i need to provide around 60dB attenutation for Common Mode (CM)& Differential mode (DM) noise based on a reference design EMI test results..
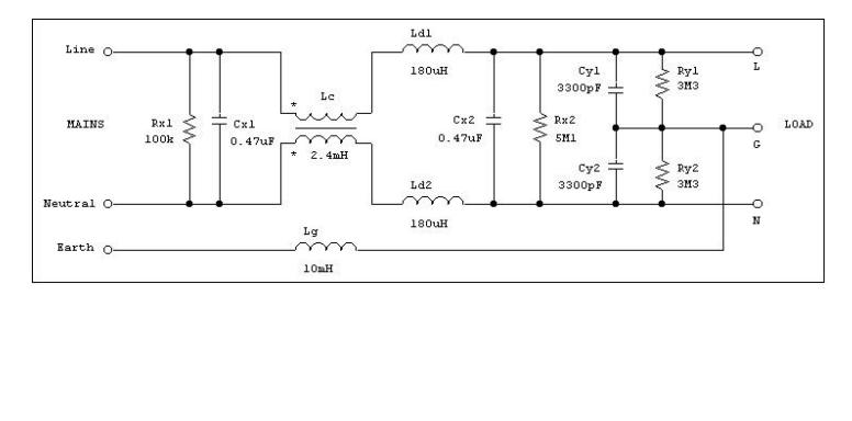
What i know about EMI filter design is like the passive stage with common mode choke with X & Y capacitors..
I dont really know how to select appropriate components in the design...
Im having some basic doubts ..like
1)is this 60dB attainable using passive filters.. may be atleast by two stages?
2) what are the parameters need to be considered while selecting the filter components like CM choke, X capacitors , Y capacitors..etc
will looking the parameters like SRF,I saturation,Impedace at operational frequency will suffice?
5) How to arrive at a suitable component values ..by simulation..
while thinking about simulation .. im confused about the source & load impedances ( may be i should use 50Ohms impedance)
The actual models to be used etc..Im familiar with ADS,LTspice etc...
Thanks for any help,
The Y caps are limited to the leakage current to ground spec for safety. I believe 0.5mA max. is still the cUL/CE requirement.
The amount of attenuation depends on the source of egress and levels.
It may be easier to snub the emitter levels at source if you find a good commercial line filter like the schematic you have shown fails to meet the results.
I suspect you already know that passive filters are 20dB/ decade above the break-point for each reactive element ( converting differential to single ended). I believe your line filter is 4th order DM & 2nd order CM which is non-linear due to ferrite properties anyhow.
Simulation won't be that accurate as a result unless your library reflects real ferrite properties.
Years of experience or quick study on reverse engineering is needed to design these devices and knowing when to go to the source and complain about excessive levels of egress . It depends on your system design and level of control of EMC overall and budget and how critical the application is to isolated exception conditions.. such as power on transients.. But 60dB of filtering in the mid scale is reasonable. But you can only specify the line source egress levels if you have a LISN on the Line and a known interference generator level with a certain impedance so that measurement can be made according to CISPR or whatever standards on a 50Ω SA.
I would be nervous that those inductors are too large in value, and thus likely to resonate, before 30 MHz is reached. Also, most of the ripple rejection will be for differential mode.
Yes biff44 , SRF is a key factor for this part, but since resonance is high impedance with Cx as a load for egress and Cy the load for ingress, resonance actually helps. The key result is impedance ratio and often CM chokes are plotted in impedance since the inductance is very non-linear and dependant on measurement method. A big factor is size of part and matching current to just meet needs.
For low current CM chokes such as this application, they can use fairly high permeability ferrite with the highest turns, yielding higher Q with lower SRF shown by and peaks shifting up to the left are well below 1MHz using >30mH.
You will see in the example below the impedance for a particular form factor is rather identical for variations in copper windings and is limited by the coupling capacitance between the CM windings and the Ferrite core, hence all the curves merge on top of each other. The choice of CM choke is determined by AC rms current, range of filtering, DC current if any, and min. impedance needed as well as shape, size , SMD or leaded, etc. THe vendor can change ferrite characteristics, turns, wire guage & diameter.

I suggest anyone serious in modelling these parts use the vendor's models and libraries. TDK has them for most Sim packages plus their own free software for Windows.
Any performance can be achieved if you can afford it. The best design gives the best performance at an acceptable cost.
