433 MHz Rx ,Tx Module with One Single Antenna

Thanks
Subare
No.
Besides, what would be the point of connecting the TX and RX pair together with a common antenna?
Why use wireless modules if the share a common connection?
BigDog
Thank you for the replay. I am using these modules are in a Microcontroller based embedded system as a Transceiver. I have a bunch of sensor modules that attached with the system remotely. Not only I can reduce one antenna by putting it in to single one but also it will more convenience to have for handling it. Please see the attached diagram. It has the existing configuration and proposed configuration which I am going to put.

Thanks
Subare
People are using transceivers for this purpose, receiver and transmitter in a single module, operating in half-duplex with an internal Rx/Tx switch. It's cheaper to use a ready-made transceiver module than to modify existing modules to support an external duplex switch.
Thanks @ FvM
The reason which I am using these above said 433 MHz Rx Tx Modules and its variants are, they are not only inexpensive but also available almost everywhere easily. According to your comment, these kind of modules are required an external duplex switch.
Could you please refer to a sample of an external duplex circuit ? and any suggestion for a Transceiver module that is identical to the cost of these Tx Rx module?
Thanks
Subare
.
Hi Guys,
I found cheap Rx/Tx Transceiver on the web store. I am planning to buy few of those as a sample to test before buying big quantity. Thanks anyway.
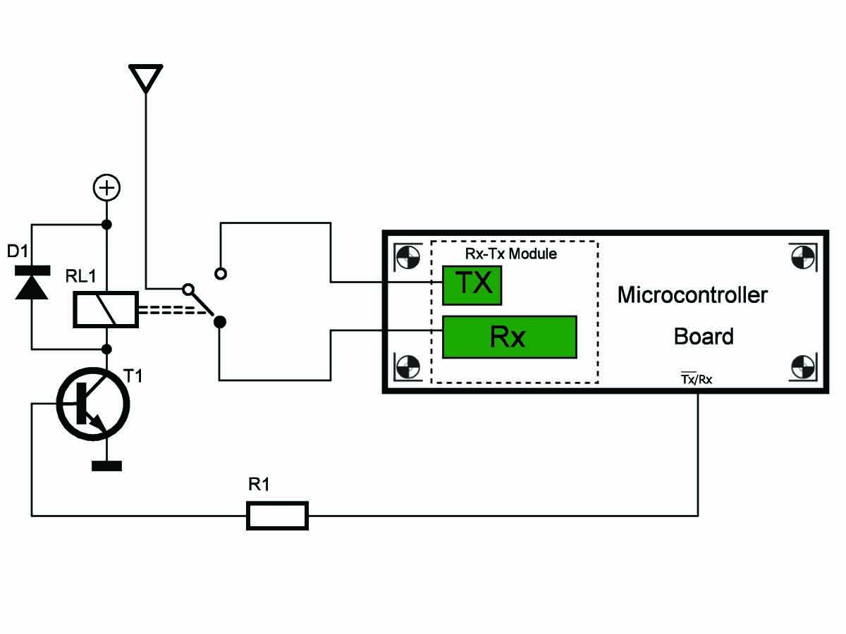
But I have more than 50 of the standalone Rx/Tx module. For time being I want use this as a transceiver as I have mentioned my previous posts. I have attached an idea schematic of a half duplex switcher. I know the relay is not a good solution for RF design. Could you please somebody help me by implementing this in real RF style without effecting the frequency and power.

Thanks
Subare
.
PIN diode switching instead of relay is rather easy. http://mwrf.com/Article/ArticleID/23210/23210.html
Passive TX/RX isolation for full duplex is another possibility https://www.edaboard.com/thread118358.html
