Designing a transmitter circuit
时间:04-06
整理:3721RD
点击:
hi to everybody
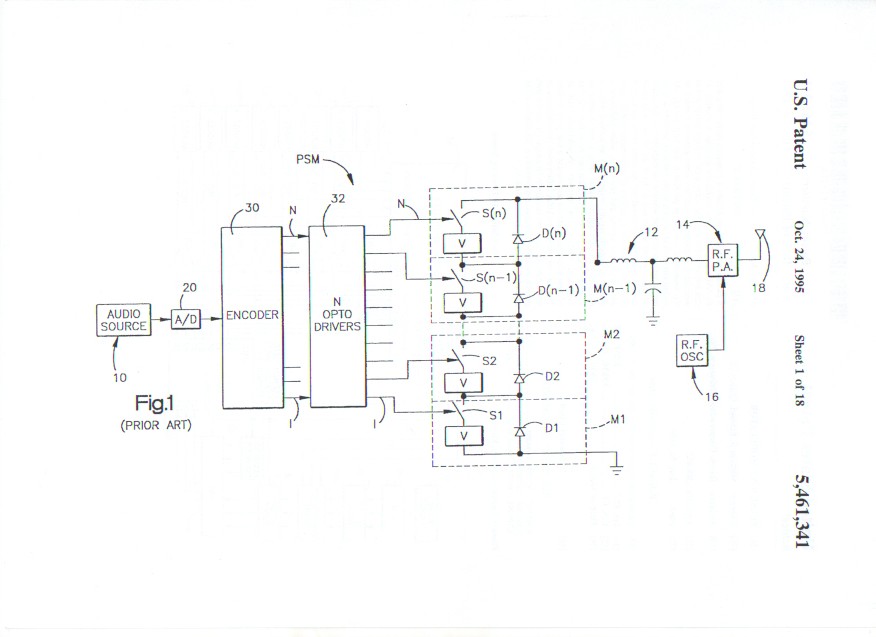
please somebody help me to design this circuit that its diagram shown in picture
and more information and drawing in pdf files,
i have to simulate this diagram in proteus
these link for pdf files
http://www.mediafire.com/?mu3ivk3a9wk9ilu
please somebody help me to design this circuit that its diagram shown in picture
and more information and drawing in pdf files,
i have to simulate this diagram in proteus
these link for pdf files
http://www.mediafire.com/?mu3ivk3a9wk9ilu

What data are you trying to derive from your simulation?
Maybe Proteus isn't the correct tool for your simulation.
Designing transmitter circuit 相关文章:
