Help Needed in antenna design

and this is the only description

kindly if some can explain... what Ferrite core and actually how?
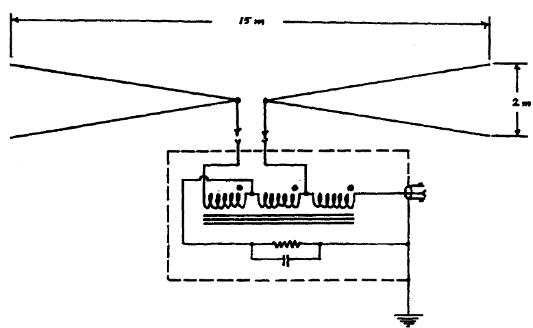
This is a 1:1 BALUN. You can use a ferrite toroid to make it as in the picture attached. There are 3x10 turns of trifilar wire.
The ferrite shall work at receive frequency as this one or similar:
https://www.amidoncorp.com/items/23

are you sure you want 10 MHz signal? Coz if you go for antenna with substrate then I dont think it will work. For small frequency like the one u want , u can use simple dipole. experts, correct me if I am wrong?
Thanx Vfone :
but as you would know that Ferrite cores are specified by their material like FT-33 or FT-37 etc.. no description here about material so i can take any Ferrite core with cross-section=1.7 cm^2 ( which equal 14.7 mm internal diameter) i guess ?
@akc185
i am not going for substrate, surely it is dipole as you can see in post#1
There are few simple ways to test the upper frequency of a ferrite toroid. Just check the net.
http://www.hamelectronicsmagazine.com/tortest.html
One simple approximate way (up to about 50MHz) is to use a signal generator and an oscilloscope. Wound about 10 turns for primary and 10 for secondary, and measure at what frequency the voltage in the secondary start to drop more than 3dB (20*LOG(Vinp/Vout).
Not all the ferrite cores works at high frequency. For example the ones removed from usual switching power supplies works no more than few MHz.
