Low phase noise oscillator
That circuit works, but the output sinewave does not reach 100mV peak to peak, so I have some difficult to square it, I need at least 1V p-p.
How can I increase the output level without a linear gain stage?
It looks like D1 and D2 are amplitude clippers, disconnect C4, and see how it goes. Might not be low phase noise though.
Frank
Already done, disconnecting the limiting diodes the output increases up to around 1V p-p, but the waveform becomes horrible.
I don't know if I'm taking out the max amplitude in this configuration, with the clipper diodes.
From the other side, using a linear gain stage that solves the problem, have I to expect degradation in phase noise performance?
I am thinking that the clipper diodes limit the drive to the crystal to deliberately ensure the gain runs out while the crystal is gently but reliably vibrating without excessive phase jitter.
If you need more signal, you have to consider the noise contribution of the buffer amplifier. Stay linear. Trying for bigger signals by switching logic outputs brings about more uncertainties over the variable switching threshold.
Low noise oscillator design is hard stuff. I have a (4.4MB) pdf book on it that is relatively tough going, but there is lots of good stuff online. Now, with the new Direct Digital Synthesis chips, Software Defined Radio, etc, there are ICs which use very clever techniques to get impressively low phase noise, only needing the crystal added. My favourite is Analog Devices, but there are others (Linear Technology, Avago).
I started from a relatively good AT-cut crystal (11.2896MHz fundamental, ESR=7 ohm, Q around 150K), so I thought to try this Butler oscillator (or a Driscoll oscillator I'm also working on), because it should guaranteed an high loaded Q, with not much degradation of the high unloaded Q of the crystal, since the crystal should see a low impedance (placed in the emitter circuit).
I'm looking for at least -120dBc@10Hz phase noise performance.
The IC way could be interesting and simpler.
What IC from AD should I try?
Starting with 11.3MHz is OK, but reaching for -120dBC at 10Hz audio confuses me.
There is a difference between phase noise 10Hz away from a carrier, and phase noise on a 10Hz signal.
Dividing down into audio range still leaves the signal with phase jitter from the uncertain clocking thresholds in the digital part, but these are vanishingly small compared to any audio frequency.
120dBc is a performance aimed for when the oscillator is intended to lock PLLs at microwave frequencies.
The clever chips I mentioned use all kinds of feedback and loop filtering games to get where they are.
It is just that I don't fully understand what you had in mind. Anyways, here is where I have been looking for low phase noise stuff..
--> LINK Low Noise Oscillator ICs (admittedly aimed at microwave applications).
--> LINK Related articles, webcasts etc.
and also--> LINK on PLL VCOs
Search around on that site. There are links to articles back to 1999, and webcasts explaining phase noise.
I don't have any special vested interest here, I just happen to have used some of that vendor's products.
In audio digital to analog conversion the big issue is the jitter, noise in time domain. BTW the phase noise performance, noise in frequency domain, affects heavily the jitter performance. For example an XO with -70dBc@1Hz and -100dBc@10Hz has a jitter around 4.5ps, that cause problem in timing and then conversion error.
VCOs and PLLs are not normally used in audio application, so I'm looking for a classic XO circuit that minimize the phase noise.
The Butler oscillator with the resonator between two emitter looks a good way, but the low output level is an issue when I have to square the sinewave (below 100mV p-p, when the device to use has a hysteresis voltage of at least 0.3/0.4 volts).
Going back to your first statement, is your 1V into a high impedance, because if it is a simple resonant circuit with a tap on it would deliver 1V, but only into a high impedance.
Frank
Solved replacing emitter resistors, now I get 3Vp-p at the output.
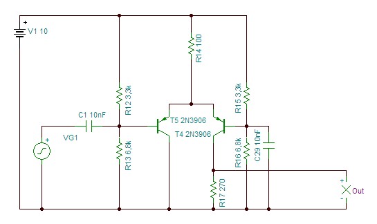
I'm using the following circuit to convert sine wave to square, but it does not work. Instead of a square wave I get a sawtooth wave.
Simulating the circuit I get the right square wave.
Anyone has any idea?
Thanks

It's square wave, not sawtooth.Because of limited rising/falling time of the transistors, you see as sawtooth but it's essentially squarewave..
The square wave is from the simulator not from the squarer.
