problem with VMMK-1218 amplifier design
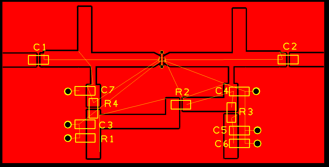
i have to design a power amplifier using a transistor VMMK-1218 from Avago operating at 10GHz .. Also, i dont demand a lot of gain..4-5 dBm are enough. In order to design it i have follow the appropriate application notes provided by Avago. I am using for board : duroid 5870 er=2.33 and h=0.8mm. The recommended diagram is the following:

but the problem is that they do not specify neither the dimensions of S2,S3 for impedance matching nor the inductance of the 2 shunt microstrip lines used for bias. Hence i made my own calculations. My first problem (which cannot be solved) is that i dont have a simulation softwareand in our lab we dont have vector analyzer for 10GHz . So for testing i use a spectrum analyzer to check the power level. My second problem is amplifiers performance. It is oscillating and i have arround 5 dBm loss. My design is

There isn't sufficient GND vias on your PCB.It will-of course-oscillate.
Put GND vias around active devices and all over PCB as much as possible.Check the application board layout carefully and apply as the vias as mentioned.
Probably your decoupling caps aren't preventing a feedback path thru the bias circuit.
so i should use bigger value of capacitance? i already use 1 pf and 0.5 pF...
but the truth is when i touch with my finger the circuit where the supply voltage is, the oscillation seems to disapear..although i dont have gain...instead i have 3 dBm attenuation...do you think i should still try to fix it or it will be a waste of time?
You can use 100pF or 22pF for decoupling, just care about the SRF of the capacitors.
It seems you are lack of basic knowledge of RF, find a textbook and ...
100pF? it seems a very high value..and what i know is when you go upper in frequency (10 GHz) the value of decoupling capacitor becomes lower.. i might be wrong though...i am just saying.. i made another amplifier which worked quite good with 5 pF or less...i dont remember exactly.. i will try it. thank you :)
Bypass or decoupling caps are best in combination with high impedance TLines of quarter wavelength at operation frequency. If you still want to use a trial and error approach, be aware that oscillations can occur out of band, so that higher value caps in small packages with very close ground vias are required.
There are some RF /microwave capacitors that you can use.
Thank you all...edf i will have this in mind next time i design an amplifier ..Tony_Ith i am using microwave capacitors for decoupling thanks :)
After i made more vias and using higher values of capacitors, my circuit was still oscillating. The problem solved by using ferrite beads. To be honest i didnt know what are these until today but the oscillation disappeared and i have 5dBm gain . I used one of them where the microstrip inductor is (rf choke) at the input side and 2 of them at the end of the 2 stubs which are used for impedance matching. I read about ferrite beads and understood their function .. So it seems logic to be used for helping the inductor (rf choke). Maybe some rf signall was going into the bias and was feedbacked (which caused oscillation) . But does anyone know why using them where stubs are terminating is helpful? Thank you
glioliou
just as a learning note for you, dBm is not used to describe power gain/ loss
dBm is used to state output power level eg 0 dBm = 1mW, 10 dBm = 10mW, 20 dBm = 100mW
just plain dB is used for power gain or loss
Dave
Thanks Dave..So if my input is -20dBm and the output of the amplifier is -15dBm i cannot say that i have 5dBm gain which is equal to 3.1mW?
no, you have a 5 dB gain ( no m)
-20dBm = 0.01mW and if you increase the gain by 5 dB to -15dBm you will increase you signal level from 0.01 mW to 0.032 mW
that's incredibly small power levels you are dealing with, what is the source of your 10GHz signal ?
that device is easily capable of 15mW output when fed with a decent signal, it has ~ 9dB of gain at 10GHz
Dave
ooo yeah i understand. Let me explain, my source for 10 GHz is a motion sensor, i have isolated the Tx antenna. and its power level is around 5dBm at 10,5 GHz. For testing the amplifier i used an rf source with adjustable frequency and power level. So, when i set it to 10,5 GHz and -20dBm the output power level of the amplifier as seen on the spectrum analyzer is -15dBm. I am using this amplifier at the receiver side of a communication link (i.e. after the dipole antenna) where the signal power is very low (imagine : it begins with 5dBm from the source, another 5dB gain from an amplifier and then through rf cable to coaxial cable to a dipole, parabolic dish, air, dish, dipole, coaxial cable, rf cable this amplifier and analyzer) after this the power level is around -30dBm. This is a MSc project, obviously i dont do it completely alone, my supervisor helps me
