[CST] Design a rectifier circuit using CST?
时间:04-05
整理:3721RD
点击:
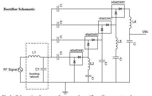
I would like to design the following rectifier circuit, which is a part of rectenna design, in CST MWS. I found out that CST Design studio could be used for it but my version doesn't have the required libraries for lumped components (i.e. diodes, resistors and inductors). So could someone plz assist me on how to design it in CST MWS..
Awaiting replies,
Regards

Awaiting replies,
Regards
