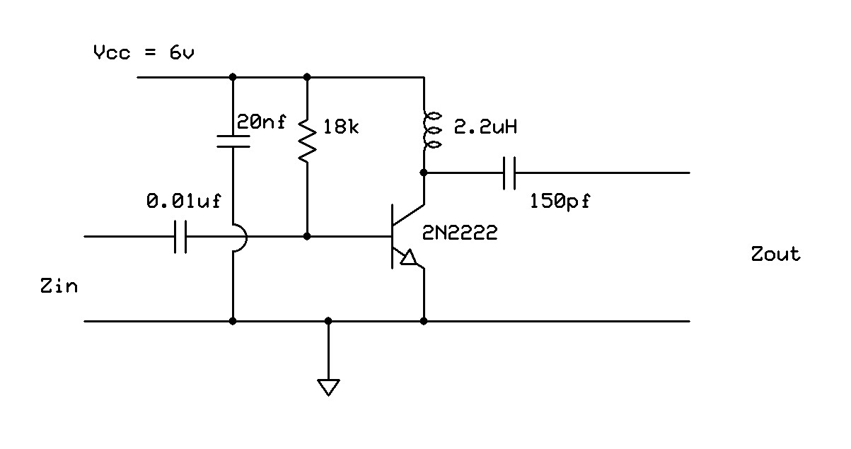
measuring zin & zout of rf amplifier

hi everyone, thanks for reading & can you help me please.
its about the amp' shown above in the link based on a 2n2222. this amp' isn't particularly built for high efiency or anything it is merely a test amp'. ive been able to drive it from my sig gen without any matching network at input or output operating around 27 to 30 mhz where it will give a power out of about 150 to 250mw when input is 20mw which is quite good for a little 2n2222. i avent got a spectrum analyser but, just viewed output on the 200mhz analogue c.r.o. when trying a simple matching networks (one L with C to earth at output side) at output to reduce any distortion and its' given obviously good low distortion sinusoids. so i cant exactly specify its spectral ouput but, just take it from me its obviously reasonable.
i want to ask if somone can please actually measure the input and output impedances of this amp' (no spice models please). for the entirely professional approach this obviously needs a Large Signal Vector Analyser (LSVNA). its a simple & obvious question but, one of you may have access to facilities to do this. Is there anyone on here or anywhere that could please.
other approximate approaches method could be the return loss brigde, RLB. here it is actually possible to measure complex impedance not just magnitude by inserting in series a "shift resistor" and measuring the new impedance circle. theoretically, the intersection of this circle with the one measured when no shift resistor in series will actually give the complex impedance of which ever is measured, input or output. difficulty here is if measuring say input impedance then, the output must be terminated in a matched load. however, to start with this is unknown. therefore, an iterative approach needs to be adopted. now, you start by terminating output in say 50ohm, measure input impedance, then measure output impedance by terminating input with a match at input based on complex input impedance just measured. this procedure is continued until a convergence is found for both input and output impedances. i think this is what a VNA essentially does. problem for me here is im not sure if i have interpreted this iterative procedure correctly so can someone tell me how to do this iterative procedure with a RLB please. further problem here is with the measurement accuracy of the RLB so a very good RLB is needed. an alternative would be to use a small signal VNA like HP8753 this would be used to make single port measurement in each stage of above mentioned iterative procedure. Now a very significant problem, :)), would be if the amp' went into oscillation anywhere through these measurements it may obviously output enough to damage the VNA. this procedure may be correct but, many thousands of measurements may need to be made until convergent input & output impedance is found...so its a long task :)))). also, when measuring output impedance in this way S22 is being treated as a WHOLE S22 when in fact S22 must be really considered as the effect of many contributions from smaller sub S22. so the RLB method is even theoretically only approximate.
so finally to sumarise:
if you have access to the facilities can anyone actually measure this amp' input & output impedance with a Large Signal Vector Analyser (LSVNA) please. Also ive looked around for used LSVNA. you can find small signal VNA e.g. HP8753 but, ive never seen a used LSVNA anywhere. i dont even know a model number for one. so can anyone even suggest a model number for a LSVNA of similar age to the small signal HP8753 say. nearest thing i found was a Microwave Transition Analyser but, even that would only allow inputs to its receiver of 16dbm, just 40mw.
can anyone explain to me the iterative procedure used in measuring the input & output impedances if, even just for an approximate method, you were to use this technique with an RLB or small signal VNA.
i hope you havent fallen unconcious by now, any replies appreciated and thanks again for reading this post.
um…am interested in this problem,hope that somebody can give some help
Even in small signal operation, Zout will depend on Zsource and Zin on Zload due to reverse transfer effects. In so far you'll need the complete set of S-parameters or an equivalent four-parameter set to desribe the amplifier behavior.
Transiting to large signal, things become even more complicated. If you decide to operate the amplifier with 20 mW/50 ohm input power, the problem can be reduced to simple load pulling. Determine which complex load gives the maximum output power.
I presume however, that a SPICE simulation will give a good guess about the required impedance matching, because 30 MHz is a moderate frequency where the transistor behaviour will be well described by the models. As a certain problem, 2N2222 is only loosely specified, and there are dozens of manufacturers.
Another method of measuring the real impedance inputs and outputs is to measure the no load and 50%V load resistance.
On this device simulator, the impedance turned out to be near 500 Ohms for maximum power transfer with very high gain on small sig. (1mVp)
go here and import this (COPY BELOW then on link File Import >paste>import )
S 0 2.0E-11 14.841315910257661 59 15.0 53
w 224 48 320 48 0
t 224 208 320 208 0 1 -4.466535121794271 0.784562845938265 100.0
R 224 48 128 48 0 0 40.0 5.0 0.0 0.0 0.5
c 224 208 144 208 0 1.0E-9 0.78446398941883
R 80 208 32 208 0 1 3.0E7 0.001 0.0 0.0 0.5
c 320 192 400 192 0 1.5E-10 4.959260344556897
O 400 192 448 192 1
g 400 320 400 352 0
l 320 48 320 192 0 2.2E-6 4.216880856865176
w 224 112 224 48 0
r 80 208 144 208 0 50.0
w 400 320 320 320 0
w 144 208 144 240 0
w 320 224 320 320 0
w 400 256 400 192 0
r 400 256 400 320 0 500.0
r 224 208 224 112 0 100.0
w 224 208 224 240 0
o 1 64 6 99 9.589635015320763 6.1373664098052885 0 -1
o 12 64 0 43 0.001067993517960455 9.765625E-105 1 -1
o 8 64 0 298 3.8272525864510487 2.4494416553286715 2 -1
o 4 64 1 35 2.851525386013872E-8 9.765625000000001E-205 3 -1
o 15 64 1 35 9.989595361011175E-4 9.765625000000001E-155 4 -1
Or a different version
http://www.falstad.com/circuit/#%24+...893825+1+-1%0A
