how can i draw this spiral in cst
时间:04-05
整理:3721RD
点击:
hi guys
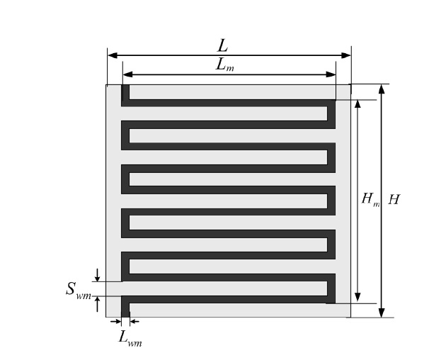
could you please help me to draw this challenging spiral ?
i really dont know is there any fast way to draw this?
thank you very much
could you please help me to draw this challenging spiral ?

i really dont know is there any fast way to draw this?
thank you very much
Draw a small part with basic shapes and use copy & paste.
Draw the first full loop, then you can use the transform command to copy it and create several repetitions.
thank you very much for your help i found a translate mode in transform part which solved my problem , i really appreciate
