Layout design in Momentum ADS
I have a question.
Let say that, if a make a complete design in ADS schematic and generate Layout from that design. Now, If I want to include let say a 45 degree bend on the corners of the squares (as far as my knowledge it is not possible in ADS schematic, if anyone knows he can comment) in momentum layout design using the shapes that are provided. If i am not wrong than merging is not possible. Can this design may give results or not ?
Try schematic element "MBEND"
http://cp.literature.agilent.com/lit...ter%29%29.html
I tested this thing, but problem is that, i NEED 3 points to connect on corner, Say square is there, I want to include an MLIN from corner of one side of the square, I have only 2 points in MSABND, one can connect two sides but i need 3rd as well for connecting the line also
Hi,
Just flatten your generated layout from schematic and then merging is possible.
Ahan, Thanks. Any idea that how can we make correctly the inter digital lines or coupled lines in ADS. Although it have schematic tools for the Parallel lines and also inter digital lines. But as seen from research papers these lines are not equal when used for input/output lines. How we can design such lines in Schematic or we have to use ADS momentum.
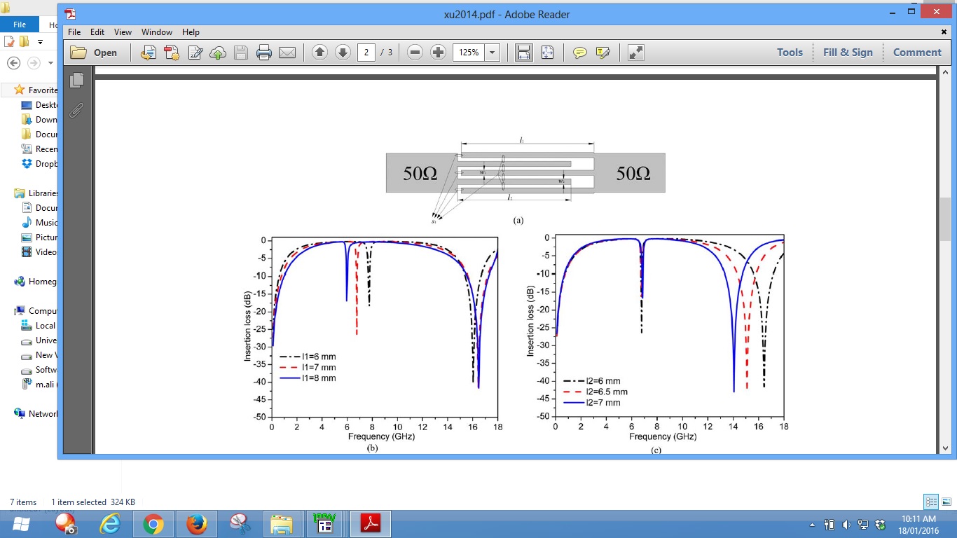
In ADS schematic we can design lines as shown in picture
It is my first time i am uploading the Picture here. I am not aware you may see it or not. If not if you can provide me your email address i can email to you.
Thanks




Not sure what element it is, but I think there is some element for a step in width that has an additional offset, so that you can move the narrow line to the edge of the wide line.
I would use Momentum, because these elements assembled from many small layout blocks can have much parasitic coupling between the blocks. Don't expect too much accuracy from schematic models for this type of layout. Momentum is much better for this.
This appnote might help you with scalable layouts in Momentum:
http://muehlhaus.com/support/ads-app...eters-momentum
You want to say that, I make complete design on Momentum environment ?
Apart from this, I have one more question, How can we make a parametrized design in Momentum Environment. Any useful or related link. Can those variable that are used in schematic equally can be used for Momentum Environment. I have some general information that it can be done by using into design parameters block when we are in Momentum Environment
I would draw the coupler and feedline, and model that part as one block in Momentum.
Yes, see the link in post #6.
Good luck!
