TI Sigma-Delta ADC Matlab 建模
时间:10-02
整理:3721RD
点击:
现在在做时间交织Sima-Delta ADC 建模的工作,但是进行的不是很很顺畅。
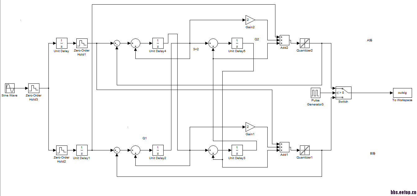
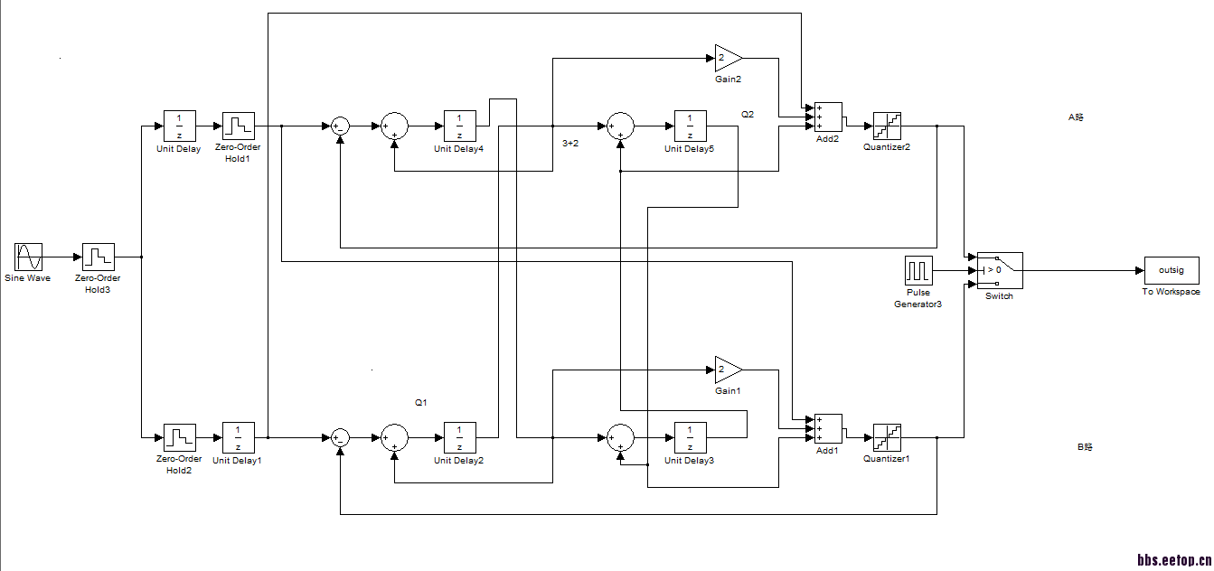
按着自己的想法,将两个Sigma-Delta平行接入,并分别输入不同时间的采样点(第一路输入奇数点,第二路输入偶数点);对两路的结构有所调整,使得两路之间有信号交换,达到正确的反馈(例如,需要把第一路时间点1的信号接入到第二路,与其中时间点2的信号进行累加)。
但是仿真出来的频谱有些奇怪。和正常的Sigma-Delta相比在较高频有个小凹陷,而且有个高频的噪声峰值,信噪比是普通的八分之一。
上图:
我的设计.png一般Sigma-Delta频谱.jpg我的频谱.jpg
有没有做过相关东西的前辈给指导指导? orz






顶一下下~小编加油
有零点吗
顶一下下
没有人知道么?
dfgergdfg
