关于三态门的问题...
时间:10-02
整理:3721RD
点击:


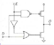
a图,由逻辑门构成的三态门
b图,由CMOS搭建的三态门请问各位大虾,a,b两个图的三态门有何区别啊?
还有就是
a图中符号图在很多datasheet中经常见到,但是Z输入处的圈儿有什么作用呢,对此有何说法?(a图的电路图和符号图来源不同的)
b图中Y输出处的圈儿,也是如此吗?
小弟在此不胜感激....
a电路图我们更习惯叫dataout,b电路图习惯叫trinot,两个电路图在功能上是一样的。b电路图常用在二选一、锁存器、触发器等电路中,控制电路的开关,a电路图常常单独使用,a电路图oe=1有效,输入和输出相反,所以才在输入处加了一个圈吧,但b电路图在输出处加圈就是表示输入和输出取反的关系。b电路图除了2、3端口相接外,还有trinot14、trinot24、trinot13形式。
谢谢,受教了.
我还有一个问题就是,假如我在数据输出端加一个三态门作为三态输出是加A好还是B好呢?
受教了!
学习了,以前没太注意这个问题
第一个是缓冲器,第二个实现逻辑关系
学习
