各位兄弟帮帮忙,分析下电路原理,急。
时间:10-02
整理:3721RD
点击:
各位:
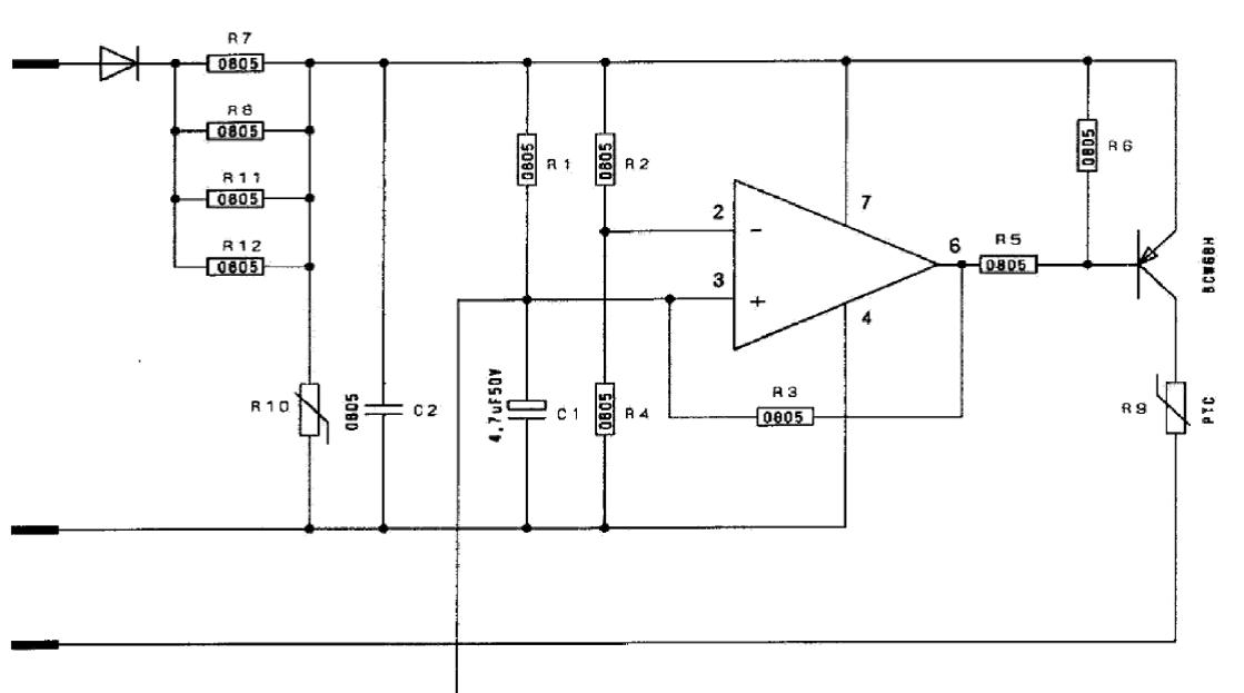
大家好,附件产品就是水位传感器,那位仁兄能帮我解释下,附件的原理,是怎么来运动的,
另外还有上电自检2.5S ,靠什么来自检的。
另外可变电阻R10,是来起什么作用的。
大家好,附件产品就是水位传感器,那位仁兄能帮我解释下,附件的原理,是怎么来运动的,
另外还有上电自检2.5S ,靠什么来自检的。
另外可变电阻R10,是来起什么作用的。

自检2.5s 由R1和C1决定的。
这是个门限比较器。
学习中。
正在学习中
学习一下,嘿
