急问RJ45掏空?
时间:10-02
整理:3721RD
点击:
RJ45下面有的说要掏空,有的说不用掏空?我想请问一下各自的理由是什么?我现在有个板子要用到带灯的RJ45(不带变压器),请知道的大侠赐教,谢谢ing......
不带变压器还是变压器集成在连接器里面呢,一般RJ45不可能没有变压器的啊?
如果你不掏空,也要把连接器分割开
不带变压器,该怎么处理呢?
如果你不掏空,也要把连接器分割开
请问什么意思?
一般情况下,我们是讲所有的平面层做掏空处理,有时也留有一层保护地(PGND),通过0欧姆的电阻和大地相连.网口出来的信号带有很多杂乱信号(如雷击产生的电压倒灌,有平面层的话,很容易受影响.)
shark4685,很感谢你的答复!请问一下,一般与RJ45相连的光缆的特征阻抗是多少?
主要是进行平面下的挖空,主要是减少信号对于地平面的干扰。RJ45连的是电缆吧?应该是差分传送的。
对,是差分,因为网口下面的所有平面层都掏空了,没有参考平面,所以不用考虑阻抗匹配.
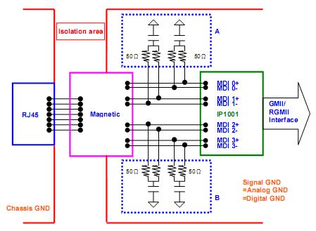
我看到的是在rj45和变压器之间加隔离带吧
这是rj45不带变压器的情形
带变压器该怎么办不知道

急问RJ45掏空?

好帖。
关于网口机壳地的困惑
我们做产品也采用了RJ45的外壳与变压器线端(靠近rj45一侧)共用为earth(定位螺丝也拧到上面)然后通过高压陶瓷电容接到dgnd上
但实际装配过程中发现 earth通过定位孔连接到机壳上,视频bnc因为采用了金属外壳(板上接的是dgnd)也和机壳连接起来,所以dgnd与earth
因为bnc(或者音频端子)的原因连接在一起,这样earth与dgnd还有分离的必要吗
比较困惑
