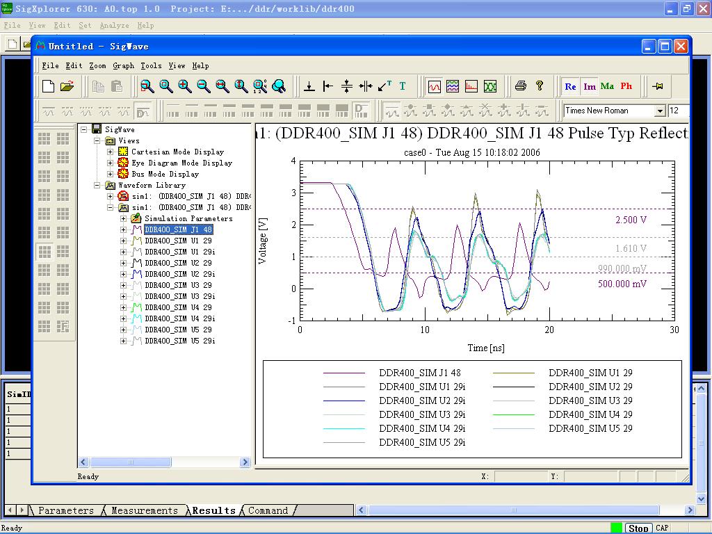
ddr400中的A0信号波形
时间:10-02
整理:3721RD
点击:

大家看看这个400MHz的A0波形有什么问题么?是前仿真结果,源端有700MV的过冲,
能否消除?
这个没看清楚啊,能否将拓扑结构简单描述一下
先不看图,仿真前提不对 ,结果就不用说了
A会到400M么?仔细看看手册
这个是什么软件啊?怎么仿真的啊,高手指点一下啊!
DDR400频率用200MHZ,注意top结构对称
好像也没有200M吧 ?
