如图 求接口封装。急啊!
时间:10-02
整理:3721RD
点击:


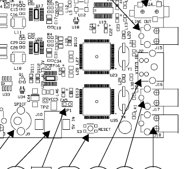
上面的接口应该可以看得很清楚呢 主要有VGA 接口 音频视频输入输出接口 一个扩展接口 还有一个S-video 输入输出接口 我真的是没办法了 我周围就我一个人画板现在。我知道这有很多画板牛人 这些接口你们肯定多的是 希望大家关照哈我这个新人吧 多谢大家的帮忙了
可以先下载一个电脑主板文件,打开后把上面的元件保存到元件库里,电脑主板上都有这些接口。
自己弄都岂不更快^^
我是自己找了好久 真不会找 才开始学这个 对了我可以下个815主板 上面应该有吧
有的话上传一下吧 或发我邮箱 ankaichen2002@tom.com 真的帮哈忙吧 多谢了
我下了看了 上面最多就R232 USB 和RJ45 VGA 的 没有我要的音频 视频输入口啊 就我上面图中的出现最多的那个 还有就是扩展接口 和S-vedio connector 好心人帮我下吧 如果有的话
呵呵,自己做呀
很想DVB之类的哦...
