关于D功放调试
shutdown引脚的状态?volume control的状态?输出滤波线路是否正确and正常?
还有,input signal是否正常?幅度是否足够?
先check一下。
这个SHUTDOWN用了10K上拉,12V,VOLUME已经调到最大,5V,
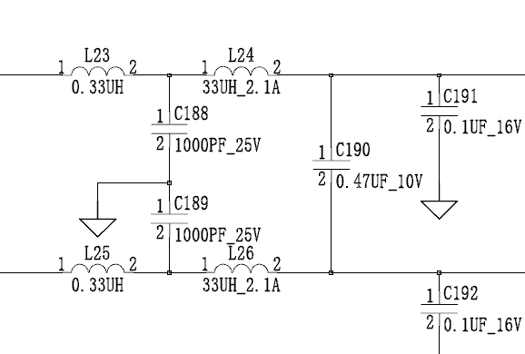
输出滤波线路不能肯定,
关于输入信号,我们用耳机接受很正常,直流输出最大到过1V多,
这个线路,我不知道设计者按照那个DEMO,我看输如信号左右声道,各接在INP上,按照手册,应该是接在INN上,可改征后输出依然很小,请问,这种状态下,调试的重点应该放在那里呢?
又出了新花样,今天,把功放接好后,输出声音依然很小,我出去了一趟,没有关机,结果一个小时回来后,发现喇叭声音很大,基本正常了,当我重新启动后,发现又回到原来的小声音状态,但是,慢慢的随着板子的工作,声音开始大起来,半小时后,输出接近正常。
我怎么这么命苦啊,净赶上奇怪的事情,那位高人给一个合理的解释啊?
看看电容正负及有没有接反?
整个板子上没有极性电容,我也怀疑可能是滤波电路的问题,但是我完全换过一遍,问题还是没有结决,我现在焦头烂额,晚上都睡不好了,呵呵,高手赶紧献身阿!

那多半是LC积分电路的电感材料选用不当的问题,请注意它在此电路中是功率输出积分电路!是将100KHz(若A/D取样频率设定为此数值)的功率输出PWM通过此电路积分还原为音频信号的,若你的电感磁芯体材料有问题,达不到设计要求,就会出现“D/A转换”效率低下的问题,表面现象看到的是声音很小!
你可以看一下输入信号调制PWM的情况;再算一下你选用的33uH电感在标称2.1A电流工况下对磁芯材料的参数是否符合要求!
