怎样画出复杂的边框的PCB的内电层的分割边框
如果是负片,可以通过用板框直接产生
1,确认该层定义为Split/mix层。
2,在工具栏中选中该层。
3,选中板框boardoutline的Shap,右键中“Creat Plane Area”,然后选择网络,一个分割混合层的边框就出现了(该颜色点亮)。
注意,如果板框形状太过复杂,比如出现锐角等可能不能生成内电层边框。


谢谢楼上的讲解。不过,在选中board outline以后,右键里面没有“Creat Plane Area”啊。同时,如果还要对这个不规则的外框进行内电层套分割,那怎么来画各网络的边界线?
1,首先要确定你已经定义了一个Split/mix层,并且赋予了网络。
2,要在你定义好的层上操作,即在层选择窗口中选中该层。
3,要选中的是板框的外形shap形式,即选中的是整个板框,而不是一段。


谢谢楼上的指点。我已经明白了。不过还有一点不明白,请指点一下:就是按照auto separate 分开的网络中间的安全间距能设置吗?还是系统默认的分开距离?
红色的框中就是设置分割区域之间的间隙。

楼上的兄弟回答问题真是仔细,
不可多得的做法哦
谢谢楼上的耐心和细致的指点。我明白了。谢谢!
热心人!全心全意为人民服务的人,好好顶一下!
呵呵,好热心的高手。
支持!
建议整理加精
受益匪浅
收到!
谢谢提出实在的操作.
好贴,顶,讲解的很详细.
受教了﹐多謝
to:小鬼兄
我在作auot separate时会出现如下警示窗口.好象auto sepatate 时不能转弯,只能从一边一直到另一边.
怎样画出复杂的边框的PCB的内电层的分割边框
非也,corner是可以随便加的。
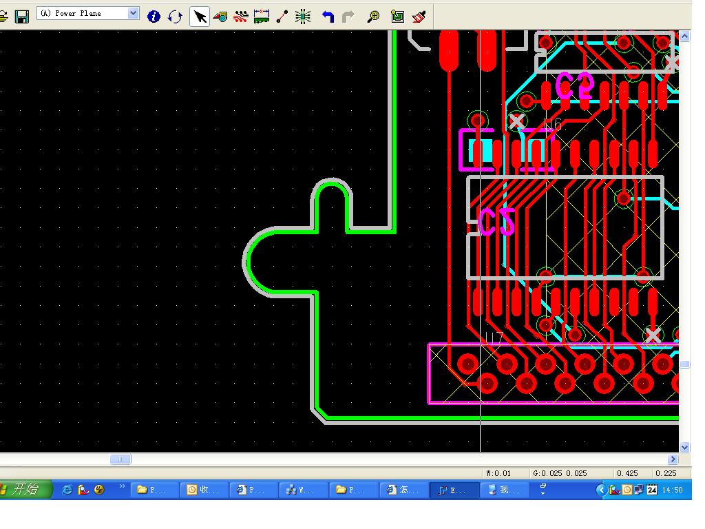
你出现的问题是你的分割线没有搭上要分割的plane的边界。如下图所示:

其实分割线超出要分割的边界就可以了。超出的部分对分割的效果不会产生影响:

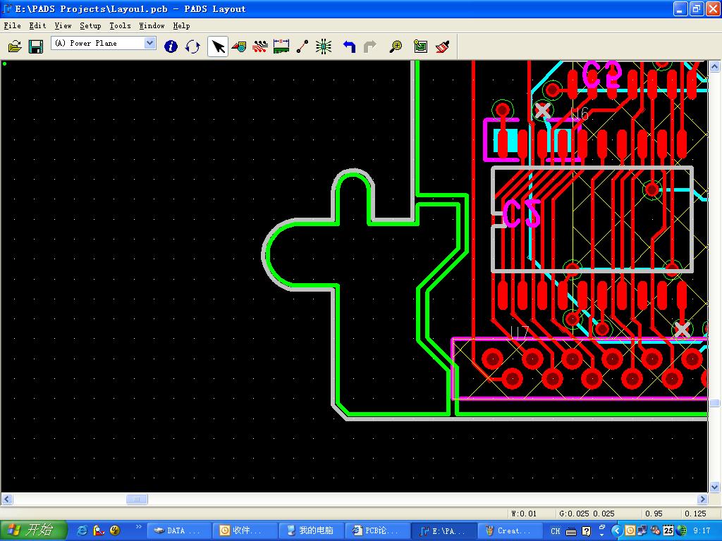
分割后的效果:

