+结项贴
2016年已经开启,祝愿电子发烧友论坛人气越来越高、越办越好,祝愿广州创龙科技飞黄腾达、迈上新的征程、开创辉煌的嵌入式时代。PS:2016跨年夜,创龙OMPL138TMS320C6748群里(群号:227961486),朱工心情好啊,大手气的发了多个红包给用户、霸道总裁的感觉,新年夜里,客户和厂家皆大欢喜,朱工真心年轻有为、敢干敢做。100、200、400、600、888不等的红包多个,随便截图两个看看:


进入正题,从九月中旬申请成功创龙TMS320C6748开发板,到国庆节前夕拿到板子,至今已经接近两个半月。基本有时间就在学习这块板子,对于如此高大上的芯片,确实有些玩的力不从心,毕竟是TI的高端DSP芯片。而且,对于TMS320C6748来说,用它控制电机确实是大材小用,虽然它同样具备了ePWM,eCAP,eQEP等电机需要的模块,它的最适用领域应该还是在音频和图像这些,因为2000系列在电机的控制上是应该最广泛也是最成熟的DSP。还有一点,就是创龙出品的这块板子,没有类似于74LVC逻辑芯片,也就是说板子个输出电压就是1.6V或者3.3V,还不能作为驱动电压,另外也需要变频器等其他辅助器件,没有资金购买,实验室以前的已经损坏,变频柜里的不敢自己拆解下来实验,所以我只能实现理论上的结项,而不能对实物进行验证,这是最大的不足之处。下图是实验室一块2808开发板上的74LVC245AD逻辑芯片,希望创龙以后的板子中能加入这个芯片,扩大6748应用领域。

下图为6748的输出管脚的电压值测量,J2的第7管脚在输出PWM波形时,只有1.61V。

对于6748的试用主要分两个阶段:2015.10.01-10.24为按照创龙官方例程对开发板进行测试,把TL6748-EasyEVM所有支持的例程全部进行了测试,测试结果为一切正常,完全达到了例程里的效果,总共发帖10篇。10.25-12.12为EPWM模块的学习和如何产生PWM波形进行探讨,总共发帖10篇。(12月中旬开题答辩前夕,被导师告知改为太阳能光伏并网发电方向,暂时不要做电机这块了,不过由于光伏逆变器的控制仍然是DSP,对这块板子可以继续使用学习,只是控制的对象做了改变。开题结束,被导师发配到一个煤机厂实习学PLC,至今还在这个苦逼的民营小厂里干活,直到年末才能回去,苦不堪言啊。)
接下来呢就废话不多说了,来讲述主题内容的干货部分。下图为异步电机矢量控制的整体框图,理论上的大致流程就是这样子:
下图为调制出来的3:7的占空比的PWM波形,不太完善,有毛刺,不知道是不是示波器的原因(在一个电路实验室借用的),这个是直接利用增强PWM模块产生的波形。


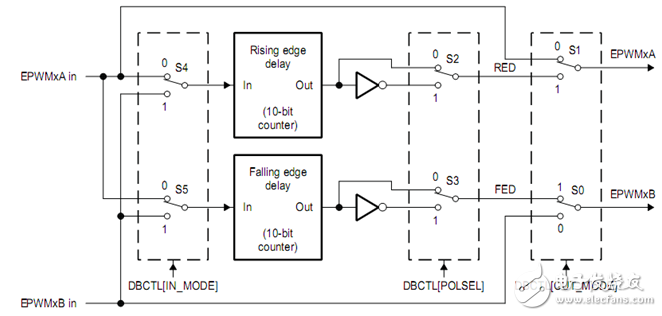
下图为PWM波形发生器原理图,就是在ePWM模块中,这个是由上桥臂控制的输入信号,然后输入信号经过上升沿延时,就能得到经过上臂开关输出的控制信号,当输入信号经过下降沿延时,再取反就可以可得由下桥臂输出的控制信号。

下边的这个波形就是互补的PWM波形了,这次又换了一个示波器,也不拍照了,把波形图截图,不过为了观看更加清楚点,放大后反而模糊了,这个是3:7的占空比的PWM波,频率1kHz。

对于广州创龙电子科技有限公司出品的TMS320C6748DSP开发板试用到此就结项了,主题内容就是以上这些,学习的时间周期超过了预期,实在惭愧,如有不对的地方,请大神不吝赐教,谢谢。尽管改了方向,不过DSP是光伏逆变器的控制核心,接下来的课题研究,也是会专门对DSP进行很深入的学习的。再次感谢电子发烧友论坛和广州创龙给我学习TMS320C6748这款高大上DSP的机会,感谢霸道总裁朱工。以后的DSP学习中有什么心得体会,也会继续发帖的。
广州创龙,您身边的主板定制专家。
谢谢小编的分享哈, 那么多的试用贴,真心是我们坛友的好资料。
