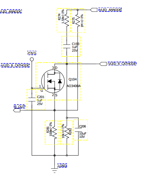
请教这个MOS管的工作原理。
时间:10-02
整理:3721RD
点击:
请教老工程师说是起保护作用

看了一下,是不是这样,anode为高,R out无输出,anode为低(下拉),R out等于cathode电压。你可以量一下是不是这样的
延时MOS管的开启时间吧
延长
不懂
不懂,看而不语。
了解下,3V就可以完全控制导通的N-MOS管(60V/12A) MOS(场效应管)/STD12NF06LT4 编带
- http://www.szlcsc.com/so/product/details_93709.html
