微波EDA网,见证研发工程师的成长!
搜 索
首页
微波射频
射频和无线通信
天线设计
硬件设计
PCB和SI
通信和网络
测试测量
应用设计
研发杂谈
研发问答
首页
>
研发问答
>
硬件电路设计
>
硬件电路设计讨论
> 关于电压比较器的问题。
关于电压比较器的问题。
时间:10-02
整理:3721RD
点击:
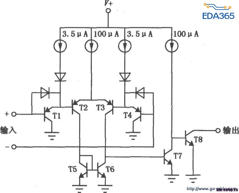
这个比较器中四个二极管是起保护作用吗?可以具体解释一下吗?
有没有人知道啊?
可以防输入电压过高
同意楼上的.
上一篇:
U盘金属外壳接地的问题
下一篇:
L5973D在AD中的库文件
电子工程师
硬件设计
硬件工程师
相关文章:
电子工程师如何经营人脉
cpci问题
dB,dBi, dBd, dBc,dBm,dBw释义!
常用元器件的识别!
你的设计有足够的裕量吗?
啥叫电信级设备(转载)!
栏目分类
移动通信
微波和射频技术
无线和射频
PCB设计问答
硬件电路设计
嵌入式设计讨论
手机设计讨论
信号完整性分析
测试测量
微电子和IC设计
热门文章
请高手指点:mini pcie设备的
使用AD620设计一个将4uV信号放
dB,dBi, dBd, dBc,dBm,d
有没有高密度封装的mos管或者
关于两个MOS管串联作为开关tl
Re: 有用python开发仪器控制
关于BAV99的作用
跪求KODEC MD6222(遥控器IC
Copyright © 2017-2020
微波EDA网
版权所有
网站地图
Top