DVDD和AVDD
时间:10-02
整理:3721RD
点击:
这个电阻起什么作用呢?
上面为原帖,然后我看了楼下大神的评论,突然想起了我最近设计的电路中有个IC的DVDD和AVDD处理和他们将的干扰颇为相似,所以特此发出来大家讨论下。
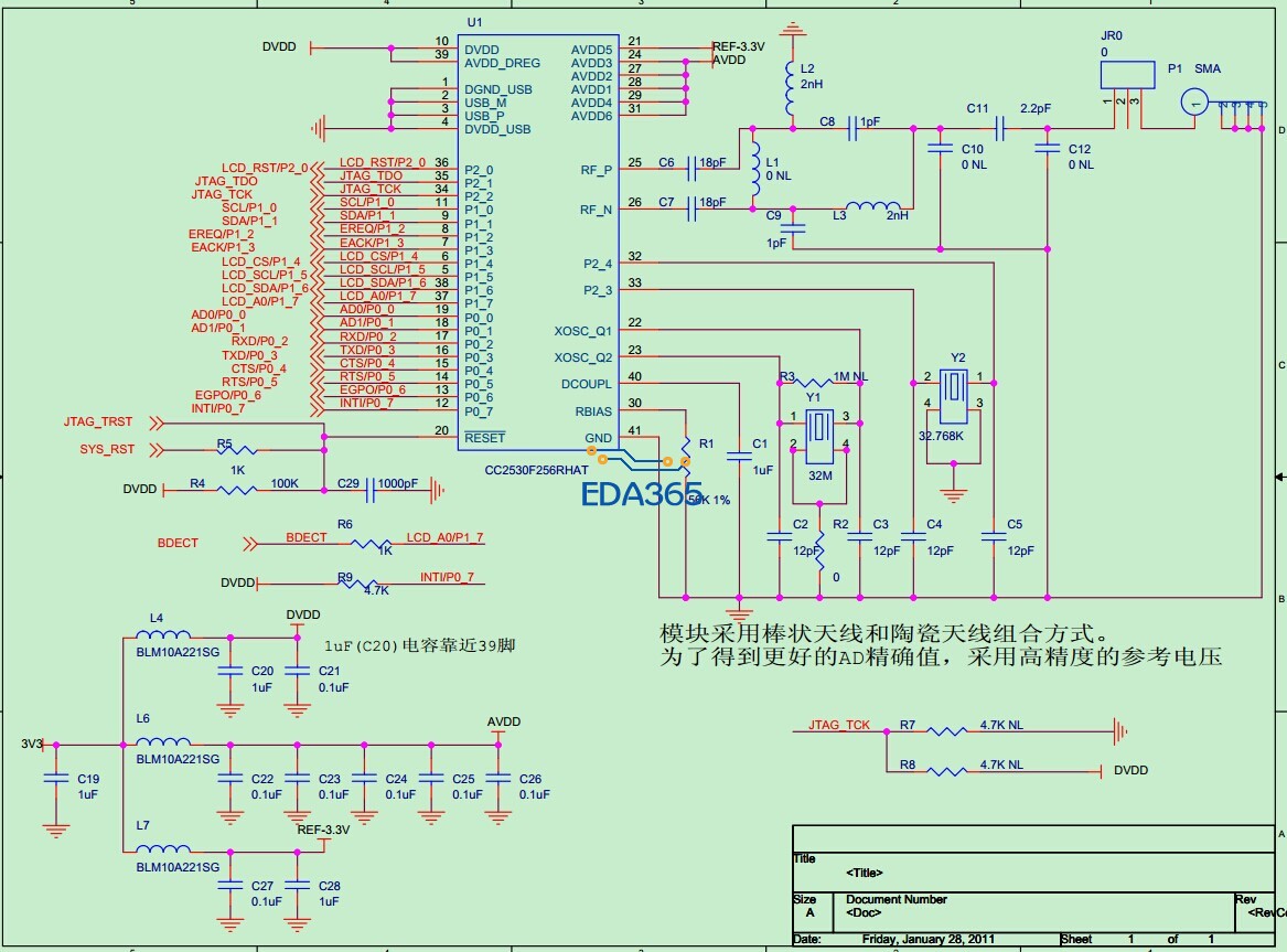
IC为TI的一个SOC,贴两个原理图,一个是TI官方推荐的电路,一个是深圳某知名企业设计的电路,我认为前者提供的电路仅为参考电路,而后者的电路确实是行家细心设计的。


后者的电源分得很细,VDD输入被分成了三路,我第一次设计的时候是按照TI的设计方案设计的,只是在磁珠磁珠的另一端也加了很多0.1uf的滤波电容。实际使用当中没多大影响。可能关系到很多显性隐性吧。
不过后来看到上面帖子大家的评论以及深圳这家公司的电路,我觉得这两者的本质应该是一样的。
最后附上IC的引脚说明
上面为原帖,然后我看了楼下大神的评论,突然想起了我最近设计的电路中有个IC的DVDD和AVDD处理和他们将的干扰颇为相似,所以特此发出来大家讨论下。
IC为TI的一个SOC,贴两个原理图,一个是TI官方推荐的电路,一个是深圳某知名企业设计的电路,我认为前者提供的电路仅为参考电路,而后者的电路确实是行家细心设计的。


后者的电源分得很细,VDD输入被分成了三路,我第一次设计的时候是按照TI的设计方案设计的,只是在磁珠磁珠的另一端也加了很多0.1uf的滤波电容。实际使用当中没多大影响。可能关系到很多显性隐性吧。
不过后来看到上面帖子大家的评论以及深圳这家公司的电路,我觉得这两者的本质应该是一样的。
最后附上IC的引脚说明
不过倒是还没明白这AVDD5干嘛也分开了
模拟和数字的电源分开,这是很正常的。
另外图纸上也说了,为了AD的精确性,单独给参考电压供精确的电压,也就是AVDD5
还是你牛逼啊,这电路我存了好久了,也没发现这句话是针对AVDD5的,现在算是明白了,非常感谢
那为啥AVDD5是参考电压 不是别的啊
这是软件设计的了,我也可以选别的,软件跟着变
那是图纸上就这么标识的,VREF-3.3
高手,指点下此贴!
我不是高手。
你需要建议哪个?
哦,抱歉,忘记贴链接了:http://www.eda365.com/thread-100955-1-1.html
