normally open relay咨询
时间:10-02
整理:3721RD
点击:
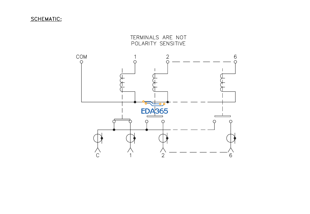
继续就relay控制咨询,normally open的模式,有com口,1,2,3,4,5,6口,按我的理解是,在1上面加12V,COM连到地,那么relay另一端,C就和1导通
但是示意图中有一个标识---------TERMINALS ARE NOT POLARITY SENSITIVE,这句话怎么理解
是否可以单纯理解为,我可以在COM口加12V,然后1接到地,那么relay另一端,C就和1导通;而COM加12V,然后2连到地,那么relay另一端,C就和2导通,是这样的意思吗?
但是示意图中有一个标识---------TERMINALS ARE NOT POLARITY SENSITIVE,这句话怎么理解
是否可以单纯理解为,我可以在COM口加12V,然后1接到地,那么relay另一端,C就和1导通;而COM加12V,然后2连到地,那么relay另一端,C就和2导通,是这样的意思吗?

TERMINALS ARE NOT POLARITY SENSITIVE 的意思是說線圈沒有極性,更進一步說就是,COM 接 12V 或是 Terminals 1 ~ 6 接 12V 都可以。只要線圈有通電流,該線圈對應的接點就會搭接過去,電流的方向無所謂。
如果是用您之前貼的 Open Drain 或 Open Collector 電路來做控制,COM 接 12V、Terminal 1 ~ 6 接 Open Drain 或 Open Collector 控制電路,這樣反而是較容易設計的。
只有我一個人在回你耶~黃金獵狗不知道死哪兒去了?
绝对是超级给力的回复啊,谢谢啦~~~
你不是常說: "你閉嘴!坐到後面去。" ------ 人在囧途,搭車撞到老婦人之前。
就是這樣~~~~

