嵌入式系统CF卡存储技术
1 引言
CF 卡(Compact Flsah Card)由于价格便宜、存储容量大、体积小、兼容性好等优点被广泛应用于嵌入式产品。然而现有的CF 卡接口电路存在接口复杂,稳定性不高等缺点,不能满足客户的需求。通过深入研究ARM 处理器AT91RM9200 的外部总线接口(EBI)、CF 卡和CPLD 的工作原理,提出利用CPLD来改进CF 卡接口电路以解决现有接口电路中存在的缺点。
通过深入研究ARM 处理器AT91RM9200 的外部总线接口(EBI)及CF 卡、CPLD 的工作原理,设计了新的CF 卡接口电路。新的CF 卡接口电路中采用了CPLD 来代替一般CF 卡接口电路中的双向缓冲器、与非门等所有逻辑器件,通过现场对CPLD 编程来实现不同的逻辑功能。实验表明,该电路更加简单、灵活、稳定、高速,对接口电路的设计有重要的参考价值。
2 器件简介
2.1 外部总线接口
系统采用了以ARM920T 为内核的AT91RM9200作为微处理器,它是完全围绕ARM920T Thumb 处理器构建的系统。它有丰富的系统与应用外设及标准的接口,包括一个高速片上SRAM 工作区及一个低等待时间的外部总线接口(EBI)以完成应用所要求的片外存储区和内部存储器映射外设配置的无缝连接。外部总线接口结构如图1 所示。
EBI 通过集成电路支持CF 卡与SmartMedia 协议,从而极大地降低了对外部组件的需求。此外,EBI可处理多达8 个外设的数据传输,每个外设分配8 个在内置存储控制器中定义的地址空间。数据通过16 位或32 位数据总线进行传输,地址总线高达26位,8个芯片选择口(NCS[7:0])和在不同外部存储控制器间复用的多个控制引脚进行复用。
2.2 CF 卡
CF 卡(Compact Flash Card)是采用Flash Memory技术的存储卡,具有体积小、价格低廉、兼容性强、存储量大等优点。CF 卡支持三种接口模式,分别是PCCard Memory Mode、PC Card I/O Mode、True IDEMode。因为True IDE Mode 不经常使用,故接口电路以PC Card Memory Mode 和PC Card I/O Mode设计。
2.3 CPLD
CPLD(Complex Programmable Logic Device)是一种较PLD 复杂的逻辑元件[2],是一种用户根据各自需要而自行构造逻辑功能的数字集成电路。其基本设计方法是借助集成开发软件平台,用原理图、硬件描述语言等方法,生成相应的目标文件,通过下载电缆(“在系统”编程)将代码传送到目标芯片中,实现设计的数字系统。
该文采用的CPLD 是Altera 公司的MAX7000S系列的EPM7128SQL100-10。它有84 个引脚,其中5 根用于ISP(IN System Programmable)下载,可方便的对其进行“在系统”编程。EPM7128SQL100-10支持对电压工作,可以利用Altera 公司的第四代开发平台quartus Ⅱ方便地进行仿真、综合和下载。
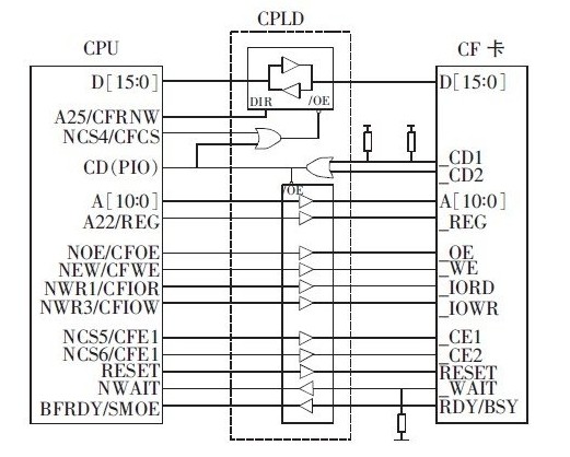
3 硬件接口电路设计

图2 硬件接口电路
硬件接口电路的电路图如图2 所示。在此电路中用CPLD 来实现一般CF 卡接口电路中的双向缓冲器和与非门等一些逻辑器件的逻辑功能,使接口电路变的更为简单、稳定、高速,而且可以通过现场修改程序来实现不同的功能。
CF 卡中的_CD1、_CD2 是CF 卡是否安装的状态检测信号,在CF 卡中接地。当CF 卡没有安装时,电路中_CD1、_CD2 由上拉电阻将其输出拉为高电平;当CF 卡安装时,_CD1、_CD2 由CF 卡接地输出为低电平,_CD1、_CD2 相当于CF 卡的总开关。在实际接口电路中_CD1、_CD2 要接10 kΩ 的上拉电阻。
将片选任务寄存器的CS4A 编程为1 则可使能EBI 的复用引脚NCS4/CFCS、NCS5/CFCE1、NCS6/CFCE2 为CompactFlash 信号CFCS、CFCE1、CFCE2,使能NOE/NRD/CFOE、NWR0/NEW/CFWE、NWR1/NBS1/CFIOR、NWR3/NBS3/CFIOW、A25/CFRNW为Compact Flash 信号CFOE、CFWE、CFIOR、CFIOW、CFRNW。这样就可以通过访问保留给NCS4 的地址空间来访问外部的CF 卡。在NCS4 的地址空间中用当前的传输地址来分辨I/O 模式,通用存储模式是标志存储模式。传输地址总线的A23 用作I/O 模式选择。该文CF 卡用A22/REG 来分离通用存储模式和标志存储模式。
在I/O 模式下,CompactFlash 的逻辑驱动CFIOR与CFIOW 信号上SMC 的读写信号,此时CFOE 与CFWE 信号失效。同样在通用存储模式和标志存储模式下驱动CFOE 与CFWE 信号上的SMC,CFIOR与CFIOW 信号失效。该逻辑如图3 所示。

图3 CF卡读写控制信号
CFOE 与CFWE 通过CPLD 和CF 卡的OE 与WE连接起来,这是CF 卡在Memory Mode 的读写使能。
CFIOE 与CFIOW 通过是I/O Mode 的使能。除了使能信号外,其他的信号对2 种模式都是相同的。
CFCE1 与CFCE2 信号使能CF 卡的数据总线由上或是由下访问,具体信息见表1。只有当NCS4 引脚上的SMC 配置为驱动8 位存储器时才可
- Windows CE 进程、线程和内存管理(11-09)
- RedHatLinux新手入门教程(5)(11-12)
- uClinux介绍(11-09)
- openwebmailV1.60安装教学(11-12)
- Linux嵌入式系统开发平台选型探讨(11-09)
- Windows CE 进程、线程和内存管理(二)(11-09)
