利用MDK4中的逻辑分析仪分析IO口的PWM波
时间:11-10
来源:互联网
点击:
1、先设置软件仿真 ,可参看STM32不完全手册的2.4的软件仿真这一章

Example functionality:
- Clock Settings:
- XTAL=8.00 MHz
- SYSCLK=72.00 MHz
- HCLK= SYSCLK= 72.00 MHz
- PCLK1= HCLK/2= 36.00 MHz
- PCLK2= HCLK= 72.00 MHz
- ADCLK= PCLK2/6 = 12.00 MHz
- SYSTICK = HCLK/8=9.00 MHz
- TIM4 is running at100Hz.
LEDs PB8, PB9 are dimmed using the PWM function of TIM4 channel3, channel4
The Timer program is available in different targets:
Simulator:- configured for software Simulator
MCBSTM32:- runs from Internal Flash located on chip
(used for production or target debugging)
第二、选择软件仿真

第三、编译程序,如果程序没有错的话,将出现以下线框编译信息,然后进入调试,点出红色的“D"按,如下图所示

第四步、把软件逻辑分析仪把,并把要观察的波形信号拉到逻辑分析仪里,如果进入调试状态下没有"sysbols"标签话,点击“View”菜单弹出来,从“Peripheral Register”里把要观察的(GPIOB_IDR输出的PWM信号会从这个寄存器反映出来)信号拖到逻辑析分析里, 或者直接添加PORTX.x引脚查看。

第五步、把不用的bit屏蔽掉,并按bit形式显示,配置如图

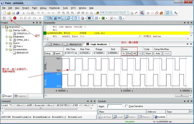
第六步,点“GO”按钮进入全速运行,OK,PWM波形出来了,用IN和OUT可以调扫描时间,如下图


Example functionality:
- Clock Settings:
- XTAL=8.00 MHz
- SYSCLK=72.00 MHz
- HCLK= SYSCLK= 72.00 MHz
- PCLK1= HCLK/2= 36.00 MHz
- PCLK2= HCLK= 72.00 MHz
- ADCLK= PCLK2/6 = 12.00 MHz
- SYSTICK = HCLK/8=9.00 MHz
- TIM4 is running at100Hz.
LEDs PB8, PB9 are dimmed using the PWM function of TIM4 channel3, channel4
The Timer program is available in different targets:
Simulator:- configured for software Simulator
MCBSTM32:- runs from Internal Flash located on chip
(used for production or target debugging)
第二、选择软件仿真

第三、编译程序,如果程序没有错的话,将出现以下线框编译信息,然后进入调试,点出红色的“D"按,如下图所示

第四步、把软件逻辑分析仪把,并把要观察的波形信号拉到逻辑分析仪里,如果进入调试状态下没有"sysbols"标签话,点击“View”菜单弹出来,从“Peripheral Register”里把要观察的(GPIOB_IDR输出的PWM信号会从这个寄存器反映出来)信号拖到逻辑析分析里, 或者直接添加PORTX.x引脚查看。

第五步、把不用的bit屏蔽掉,并按bit形式显示,配置如图

第六步,点“GO”按钮进入全速运行,OK,PWM波形出来了,用IN和OUT可以调扫描时间,如下图

MDK4中逻辑分析仪PWM 相关文章:
- Windows CE 进程、线程和内存管理(11-09)
- RedHatLinux新手入门教程(5)(11-12)
- uClinux介绍(11-09)
- openwebmailV1.60安装教学(11-12)
- Linux嵌入式系统开发平台选型探讨(11-09)
- Windows CE 进程、线程和内存管理(二)(11-09)
