虚拟温度测量系统设计
时间:12-23
来源:互联网
点击:
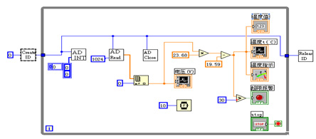
网络通信,多种多样,大大提高了用户编程的效率,减轻了编程工作量。 本系统程序框图设计主要包括设备初始化、AD部件初始化、模拟数据读取、电压-温度转换、数据处理及显示、超限报警、AD部件释放、设备释放等模块,其中有些模块直接调用LabVIEW中的子模块(库函数),如乘法、减法、比较超限与否、定时器等;还有些如Create/Release ID、AD Int/Read/Close等模块由用户自定义设计实现。
具体流程图和程序框图见图4、图5。

图4 系统流程图

图5 测温系统程序框图
4 结束语
利用LabVIEW软件实现了虚拟温度测量系统,改善了工作条件,提高了精度,节约了时间,降低了成本。该系统的扩展性很强,可进一步扩充其功能,如实现对温度远程测控等。该系统构建测控系统的方法,可推广到类似的应用中,有着十分重要的现实意义。
本文创新点在于:采用虚拟仪器构建了温度测量系统,实现了测温的智能化,精度高,成本低,通用性和扩展性强。
具体流程图和程序框图见图4、图5。

图4 系统流程图

图5 测温系统程序框图
4 结束语
利用LabVIEW软件实现了虚拟温度测量系统,改善了工作条件,提高了精度,节约了时间,降低了成本。该系统的扩展性很强,可进一步扩充其功能,如实现对温度远程测控等。该系统构建测控系统的方法,可推广到类似的应用中,有着十分重要的现实意义。
本文创新点在于:采用虚拟仪器构建了温度测量系统,实现了测温的智能化,精度高,成本低,通用性和扩展性强。
虚拟温度测量系 相关文章:
- 频宽、取样速率及奈奎斯特定理(09-14)
- 为什么要进行信号调理?(09-30)
- IEEE802.16-2004 WiMAX物理层操作和测量(09-16)
- 为任意波形发生器增加价值(10-27)
- 基于PCI 总线的高速数据采集系统(09-30)
- 泰克全新VM6000视频测试仪助力数字电视等产品测试 (10-06)
