改用恒压充电,恒压一般限定为每节4.2V。
锂离子电池充电电压严格要求的原因有两个,其一,是为了把电池容量充到最大而不损坏电池,如果充电电压低,虽然不损坏电池,但难于充至最大容量,降低了电池的放电容量;其二,如果充电电压过高,在充电过程中可能损坏电池组内部电压保护器。
图6是锂离子电池的典型充电曲线,随着恒流充电进行到一定时间后,充电电流开始逐渐减小。通常当充电电流降到最大充电电流的10%~15%时,充电终结。由于锂离子电池的自放电很小,所以一般情况下无须维护充电。

图6 锂 离 子 电 池 典 型 充 电 图
6 设计实例
图7是我们制做的充电器的充电管理部分的实际电路,其直流输入电压为9~16V,Vcc为5V,充电电流为1A。可充4节镍电池和1节锂电池,当R7接电池负极时,可充4节镍电池,当R8接电池负极时,可充1节锂电池。下面计算有关数据。

图7 充电器原理图
1)最大充电终结时间
根据相关资料,对镍基电池而言,设最大充电时间为tmax,则
tmax=35998×C7×R10=35988×3.3×10-7×6.8×103≈80(min)
而对锂电池而言
tmax=2×35998×C7×R10≈160(min)
式中:电容单位为F,电阻单位为Ω,时间单位为min。
2)温度监视
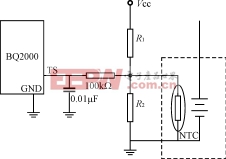
如前所述,无论镍电池还是锂电池,为了安全起见,必须在电池厂家所给的最佳温度范围内给电池快速充电,因此,在整个充电过程中必须始终坚持检测被充电池的温度。在充电过程中,电池温度会慢慢上升,温度达到设定最高点时应终结快速充电。
负温度系数热敏电阻可作为廉价的温度驳缪贡浠黄鳎来监控电池的温度,为了准确地监控电池的温度,热敏电阻应该尽量靠近电池,脚Vcc和Vss之间接入电阻踩让舻缱柰络,这样在电阻与热敏电阻的节点处(脚TS)即可得到温度取样输入电压,如图8所示。

图8 温 度 检 测 配 置 图
3)充电电压与充电电流在充电过程中,BQ2000时刻监测电池的电压,确保其不超过最大允许值。加到电池电压取样输入端(脚BAT)的电压,应当是单体电池的电压。为此,应当在电池组两端加入高阻抗电阻分压器。如图7所示,对镍基电池充电时,分压比应为
=N-1(式中N为充电电池节数,R2接电池正极,R7接电池负极)。当对锂电池充电时,假定单节锂电池最高端电压为4.1V,则分压比
=(4.1×N-2)/2。此时输入直流电压也相应改变。
本设计中最大充电电流Imax为1A,可通过改变R9进行调节。
Imax=
。
4)发光管情况
充电时发光二极管的工作情况如表2所列。
表2 发光二极管的工作状况
充电类型 | 发光管状态 | 充电类型 | 发光管状态 |
|---|
无电池 | 灭 | 补足充电模式 | 灭 |
|---|
充电前对电池检测 | 闪烁 | 充电完成 | 灭 |
|---|
涓流充电(快速充电前) | 闪烁 | 睡眠模式 | 灭 |
|---|
快速充电 | 亮 | 充电挂起 | 闪烁 |
|---|
5)实测波形
在充电器制作中,我们对快速充电和涓流充电用示波器进行测量,其波形图分别如图9和图10所示。

图9 1A快 速 充 电 时 电 流 波 形

图10 涓 流 充 电 时 的 电 流 波 形
7 结语
1)BQ2000充电控制电路是美国BENCHMARK公司推出的新型充电控制电路,是目前电源技术领域中充电控制电路的新技术、新产品。
2)BQ2000充电控制电路的特点是
——将充电控制所需的各单元电路集成在一片IC内;
——芯片内包含一个非常有用的运算器,该运算器可使整个电路控制更精确、操作更安全、功能更完善;
——外围电路大幅度简化,掌握起来更容易,使用也更加方便。
3)能为当前应用最广泛的NiCd、NiMH和Li-Ion等多种电池充电。