用国产整流设备替换进口整流设备的技术对比与分析
BC将本应做成两个器身的整流变压器合二为一成一个。并且取消了中间的共轭铁心,使变压器结构特别紧凑,变成了分裂式变压器。分裂式变压器的电磁特性还与其穿越阻抗的大小有关,所产生的负面影响也不能被轻易忽视。
2.2 克服交变电磁场影响的主要对策
在超高功率整流机组中,由于强电流引起的交变磁场,给机组的运行带来一系列的负面影响,其主要表现为:
1)在阀侧母线周围的钢结构件中产生涡流,引起局部发热;
2)阀侧母线电抗压降引起的无功损耗导致机组的平均功率因数相对偏低,变压器补偿绕组和补偿电容器的容量相对偏大;
3)容易引起各相之间,各整流臂之间和同臂内各支路之间电流分配不均衡。
其中因涡流引起的局部发热是影响整流机组,特别是整流变压器使用寿命的主要原因之一。
为了克服强电流交变磁场产生的不利影响,各制造厂商都有针对性地采取了各种各样的专门措施。由于采取的措施不一样,所以,获得的效果也就不尽相同。相对来讲,比较典型的有三种:一种是全部采用非导磁材料做结构件;另一种是采用同轴式结构;再一种就是采用同相逆并联结构。三者之间的主要优缺点对比如表2所列。
表2 克服大电流交变磁场不利影响的各种措施的比较
| 项目 | 非导磁材料结构 | 同轴式结构 | 同相逆并联结构 |
|---|---|---|---|
| 主电路连接图 | 图1 | 图3 | 图5 |
| 基本结构示意图 | 图2 | 图4 | 图6 |
| 代表性厂商 | ABB和德国西门子 | 法国阿尔斯通和西吉莱克 | 日本富士和中国各厂家 |
| 消除阀侧交变磁场引起局部涡流发热的原理 | 采用非导磁材料构件以避免母线周围构件发热 | 采用同轴结构使交变磁场相互抵消避免涡流发热 | 采用同相逆并联结构使交变磁场相互抵消避免涡流发热 |
| 消除整流装置涡流发热的实际效果 | 差 | 一般 | 好 |
| 消除变压器涡流发热的实际效果 | 差 | 差 | 好 |
| 功率因数 | 低 | 一般 | 高 |
| 对均流的影响 | 大 | 中 | 小 |
| 对绝缘结构要求 | 一般 | 高 | 高 |
| 整流装置结构的相对复杂程度 | 简单 | 复杂 | 一般 |
2.2.1 全部采用非导磁材料
以ABB和西门子为代表的大部分厂商,采取的措施是从选材入手。在整流装置内部及其周围尽可能地避免使用钢结构件,而是选用非导磁材料构件,以防止涡流引起局部发热。如图2所示,ABB的做法是将正、负连接母线焊接成两个整体的框架,其结构强度和抗电动力都非常好。但是,这种方式对于消除大电流交变磁场负面影响只是一种治标的办法,实际效果并不理想,限制了单机组电流的继续增大。
2.2.2 同轴式结构
法国阿尔斯通和西吉莱克的做法是将整流装置的各个整流臂做成同轴式结构。整流主电路连接原理图和整流臂结构示意图如图3和图4所示。这种结构是将交流母线穿过直流母线框窗口,再把器件和快熔以交流母线为轴线对称分布安装在交流母线上,然后经连接母排汇接到后面的直流母线框上。
图3 同轴式三相桥式整流主电路连接原理图
图4 同轴式整流臂电流流向示意图
由图4可见,在整流装置这一部分,按电流流向和磁场分布规律,交变磁场的大部分能够被抵消。但是,直流母线框后面去整流变压器一段的交变磁场不能被抵消。
采用同轴结构,整流变压器的引出线结构相对来说比较简单。
在西吉莱克的整流装置中,4英寸整流二极管采用单面水冷却,将4英寸器件当3英寸器件使用。这样,有利于减小整流装置损耗,简化水路结构。但设备造价要相应地提高。
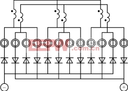
2.2.3 同相逆并联结构
同相逆并联结构方式是日本富士电机及中国各主要整流器制造厂家普遍采用的结构方式。整流主电路连接原理图和整流臂结构示意图如图5和图6所示。

图5 三相桥式同相逆并联整流主电路连接原理图
图6 同相逆并联整流臂电流流向和磁场分布示意图
同相逆并联技术的应用始于上世纪70年代。是从根本上消除大电流交变磁场负面影响的一种治本的办法。从整流变压器绕组引出端开始,到整流装置直流汇流点为止,除饱和电抗器一段(在饱和电抗器以前)之外,所产生的交变磁场的大部分能够被相互抵消掉。对消除涡流发热,降低阀侧母线电抗压降和减小交变磁场对电流分配的影响都特别有效。
采用同相逆并联技术,必须处理好两个同相逆并联连接的整流臂之间绝缘问题,以防止发生短路故障。经过不断地研究和改进,现在这个问题已经得到了解决,不再是影响同相逆并联技术应用的障碍。如果不受快熔分断能力的限制,采用同相逆并联结构继续增加整流机组单机电流的空间最大。
3 整流器件和快速熔断器
整流器件和快速熔断器都是整流装置中的核心元器件,其技术水平和性能指标是保证整机技术水平的关键。二者之间选配得合理与否对于整个整流机组是至关重要的。
3.1 整流器件
3.1.
- 电流中的同步整流是什么意思?同步整流的意义是什么?半波全波桥式整流电路特点都是什么?(10-11)
- 三相电压PWM整流器空间矢量控制研究及仿真分析(12-12)
- 什么是晶闸管及其分类图解分析(12-09)
- 如何借用同步整流架构提高电源转换器效率(12-09)
- 直流电压的全波整流电路(12-09)
- 一种矩形微带整流天线的研究与设计(12-09)
