用新型集成电路KW9712构成自动充电器
摘要:
以互补输出压控脉宽电路KW9712为核心,采用半桥开关电源方案设计充电器,此充电器
具有脉冲充电、充满自停、未接或反接蓄电池时充电器不启动等功能,有过流保护。
关键词:互补输出压控脉宽电路IC自动充电
1KW9712介绍
1.1产品简介:
KW9712是我们自行设计、委托专业工厂加工、采用DIP-8封装的双极型集成电路。外接一只电阻和一只电容即可决定其振荡频率,可设定在很低频至500kHz。具有占空比互补的两组图腾柱输出,其占空比变化由专用脚输入电压控制,还有一专用禁止输入端,其输入电压低于(1/20)VDD时,电路振荡,高于(1/20)VDD时,禁止输出,各输出脚均为低电位。以此为核心,可以制做智能温控、光控器,调速、调功器,单端、半桥或全桥开关电源及特种开关电源,还可以做逆变器、充电器、逆变焊机、超声波发生器等。基本应用电路如图1所示。

图1
1.2引脚功能:
①脚:VDD,5~18V;②脚:振荡电阻电容接入端;③脚:控制电压输入端,应在(1/3)VDD至(2/3)VDD间变化;④脚、⑤脚:两个图腾柱输出端,当③脚电位自(1/3)VDD上升至(2/3)VDD时,④脚占空比从100%降至零,⑤脚占空比由零升至100%;反之,③脚电位从(2/3)VDD降至(1/3)VDD时,④脚占空比从零升至100%,⑤脚占空比从100%降至零;④、⑤脚对VDD和GND都有10mA的负载能力。⑥脚:GND;⑦脚:禁止端,低于(1/20)VDD时,本电路起振,高于(1/20)VDD时,④、⑤脚都为地电位;⑧脚:振荡电阻接入端。电路起振时,⑧脚有占空比接近50%的方波,②脚有峰谷值为(1/3~2/3)VDD的近似三角波,两脚负载能力较小。
2自动充电器
2.1充电器逻辑图,见图2

图2
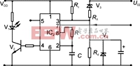
2.2主开关电路
原理见图3。这是一个由IC1振荡、T1推动的半桥式开关电路。IC1是一只KW9712。当Ra、Rb等值时,IC1③脚电位等于(1/2)VDD,④、⑤脚占空比各为50%,这时⑦脚低电位,Uo2端全电压输出;当⑦脚为高电位时Uo2=0。控制⑦脚高低电位脉宽,即控制了输出电压Uo2的脉宽。
2.3工作电源
原理见图4,交流市电Uac经V1~V4整流,C1、C2滤波供半桥开关电路工作。R1、V5、V6及C3组成的并联型稳压器,其输出即图3的VDD。
2.4控制电路

图3

图4
原理见图5。IC2是另一只KW9712。稳压管V3上端接Uo2端和待充电池正端。当充电电压较低时,V3不导通,Rc、Rd决定④脚脉宽,这里取80%左右。IC2上R、C决定IC2振荡频率。⑦脚低电位时,IC2通过发光管V1控制IC1⑦脚即控制Uo2端按IC2振荡频率和接近80%脉宽充电、20%间歇对电池进行脉冲充电。当被充电池电压升高到设定值时,V3导通,此时Rx、Rd分压控制IC2③脚电位,即④脚脉宽。当IC2③脚电位上升至(2/3)VDD时,④脚地电位,V1截止,IC1停振,Uo2端无输出,此即充满自停,起控电压与停充电压之间,进行脉宽递减的涓流充电。

图5
2.5控制电路电源
原理见图6。R2上端接图3的Uo2端和待充电池正端,组成并联稳压器供控制电路和保护电路工作电源。
2.6保护电路
原理见图7。IC3采用一只双比较器LM393。上比较器用于取下电池自动关机,下比较器用于过流保护,Re上端接Uo2端和电池正端。
正常充电时,Re上端电压较低,电路无过流,上、下比较器中输出晶体管都为关断状态,V1导通,IC2起振,充满自停亦是如此。
当电池充满取下时,Uo2端电位由于空载而升高,使上比较器翻转,输出晶体管导通,V1截止,进而IC2、IC1停振。
当过流时,下比较器翻转,输出晶体管导通,V1截止,进而IC2、IC1停振。此时电池放电维持IC2、IC3工作。下比较器按Rg对Cg充电时间处于对充电器保护关机和瞬间巡检状态,如需报警,可与Rg串接一只长音蜂鸣器,用以过流报警。

图6

图7
2.7反接自锁电路
原理见图8,当电池GB极性连接正确时,光耦V2导通,晶闸管V1导通。反接时,V3导通,V2及V1截止,对电池进行保护。
2.8设计要点
处理好变压器T1及T2绕组间的绝缘和耐压;注意T1、T2绕制工艺,减少绕组间漏感;按设定被充电电池电压选好稳压管(图5中V3)和调好Rx。使V3起控准确,充电和充满自停准确;选好图7中Re,使稍高于充满自停电压时,上比较器才能翻转。
2.9结论
用新型集成电路KW9712构成自动充电器

图8
按以上电路设计的充电器,有以下特点:①采用半桥式开关电路为主电源供电,具有电路简单、高效、成本低的优点;②采用脉冲充电,充电效果好;③采用电压脉宽递减方法,实现充满自停和涓流充电;④不接电池不启动,极性反接不启动,取下电池自关断。
模拟电源 电源管理 模拟器件 模拟电子 模拟 模拟电路 模拟芯片 德州仪器 放大器 ADI 相关文章:
- 采用数字电源还是模拟电源?(01-17)
- 模拟电源管理与数字电源管理(02-05)
- 数字电源正在超越模拟电源(03-19)
- 数字电源PK模拟电源(04-03)
- TI工程师现身说法:采用数字电源还是模拟电源?(10-10)
- 开关电源与模拟电源的分别(05-08)
