[组图]新颖实用的直流低压稳压电源
时间:05-31
来源:互联网
点击:
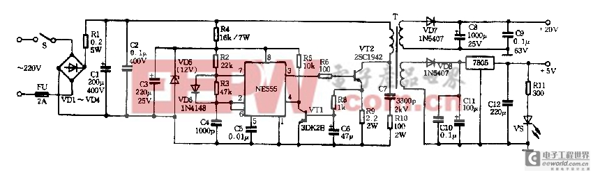
开关电源部分的VD1-VD4、R1、C1、C2组成整流滤波电路。NE555和R2、R3、C4、VD6等元件组成多谐振荡电路,其频率约20KHz。R4、C3、VD5组成降压稳压电路,为NE555提供12V工作电源。大功率管VT1及变压器T构成开关电路。VT1的工作状态由NE555的③脚控制,导通时间由脉冲宽度决定,调整R3即可改变脉冲宽度。脉冲宽度变宽,输出电压升高;脉冲宽度变窄,输出电压降低。VT2及R8、R9、C6组成过流保护电路。当负载过重或发生短路故障时,VT2导通,强迫NE555复位停振,从而保护VT1不致损坏。C7、R10为保护网络,防止VT1的c-e结被瞬间脉冲击穿。两个次级绕组经整流滤波后分别输出20V及12V。
为了使制作简单,开关电源设计成不能自动稳压的,其功能类似于变压器,只是实现轻型化的隔离降压作用,稳压功能由后面的稳压电路实现。12V直流电压经7805稳压后输出+5V电压;20V直流电压送至可调稳压电路。
为了使制作简单,开关电源设计成不能自动稳压的,其功能类似于变压器,只是实现轻型化的隔离降压作用,稳压功能由后面的稳压电路实现。12V直流电压经7805稳压后输出+5V电压;20V直流电压送至可调稳压电路。

。两者不共地,以便于进行加减组合输出多种电压。
模拟电源 电源管理 模拟器件 模拟电子 模拟 模拟电路 模拟芯片 德州仪器 放大器 ADI 相关文章:
- 采用数字电源还是模拟电源?(01-17)
- 模拟电源管理与数字电源管理(02-05)
- 数字电源正在超越模拟电源(03-19)
- 数字电源PK模拟电源(04-03)
- TI工程师现身说法:采用数字电源还是模拟电源?(10-10)
- 开关电源与模拟电源的分别(05-08)
