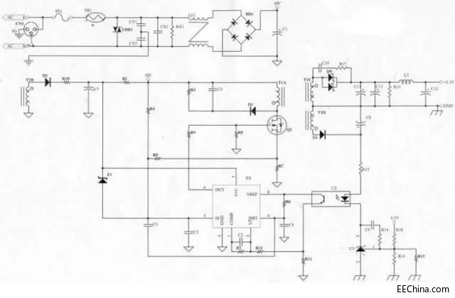
一份电源原理图的每个元器件的选项
原理图
FS1:
由变压器计算得到Iin值,以此Iin值(0.42A)可知使用公司共享料2A/250V,设计时亦须考虑Pin(max)时的Iin是否会超过保险丝的额定值。
TR1(热敏电阻):
电源启动的瞬间,由于C1(一次侧滤波电容)短路,导致Iin电流很大,虽然时间很短暂,但亦可能对Power产生伤害,所以必须在滤波电容之前加装一个热敏电阻,以限制开机瞬间Iin在Spec之内(115V/30A,230V/60A),但因热敏电阻亦会消耗功率,所以不可放太大的阻值(否则会影响效率),一般使用5Ω-10Ω热敏,若C1电容使用较大的值,则必须考虑将热敏电阻的阻值变大(一般使用在大瓦数的Power上)。
VDR1(突波吸收器):
当雷极发生时,可能会损坏零件,进而影响Power的正常动作,所以必须在靠AC输入端 (Fuse之后),加上突波吸收器来保护Power(一般常用07D471K),但若有价格上的考虑,可先忽略不装。
CY1,CY2(Y-Cap):
Y-Cap一般可分为Y1及Y2电容,若AC Input有FG(3 Pin)一般使用Y2- Cap , AC Input若为2Pin(只有L,N)一般使用Y1-Cap,Y1与Y2的差异,除了价格外(Y1较昂贵),绝缘等级及耐压亦不同(Y1称为双重绝缘,绝缘耐压约为Y2的两倍,且在电容的本体上会有“回”符号或注明Y1),此电路蛭 蠪G所以使用Y2-Cap,Y-Cap会影响EMI特性,一般而言越大越好,但须考虑漏电及价格问题,漏电(Leakage Current )必须符合安规须求(3Pin公司标准为750uA max)。
CX1(X-Cap)、RX1:
X-Cap为防制EMI零件,EMI可分为Conduction及Radiation两部分,Conduction规范一般可分为: FCC Part 15J Class B 、 CISPR 22(EN55022) Class B 两种 , FCC测试频率在450K~30MHz,CISPR 22测试频率在150K~30MHz, Conduction可在厂内以频谱分析仪验证,Radiation 则必须到实验室验证,X-Cap 一般对低频段(150K ~ 数M之间)的EMI防制有效,一般而言X-Cap愈大,EMI防制效果愈好(但价格愈高),若X-Cap在0.22uf以上(包含0.22uf),安规规定必须要有泄放电阻(RX1,一般为1.2MΩ 1/4W)。
LF1(Common Choke):
EMI防制零件,主要影响Conduction 的中、低频段,设计时必须同时考虑EMI特性及温升,以同样尺寸的Common Choke而言,线圈数愈多(相对的线径愈细),EMI防制效果愈好,但温升可能较高。
BD1(整流二极管):
将AC电源以全波整流的方式转换为DC,由变压器所计算出的Iin值,可知只要使用1A/600V的整流二极管,因为是全波整流所以耐压只要600V即可。
C1(滤波电容):
由C1的大小(电容值)可决定变压器计算中的Vin(min)值,电容量愈大,Vin(min)愈高但价格亦愈高,此部分可在电路中实际验证Vin(min)是否正确,若AC Input 范围在90V~132V (Vc1 电压最高约190V),可使用耐压200V的电容;若AC Input 范围在90V~264V(或180V~264V),因Vc1电压最高约380V,所以必须使用耐压400V的电容。
D2(辅助电源二极管):
整流二极管,一般常用FR105(1A/600V)或BYT42M(1A/1000V),两者主要差异:
耐压不同(在此处使用差异无所谓)
VF不同(FR105=1.2V,BYT42M=1.4V)
R10(辅助电源电阻):
主要用于调整PWM IC的VCC电压,以目前使用的3843而言,设计时VCC必须大于8.4V(Min. Load时),但为考虑输出短路的情况,VCC电压不可设计的太高,以免当输出短路时不保护(或输入瓦数过大)。
C7(滤波电容):
辅助电源的滤波电容,提供PWM IC较稳定的直流电压,一般使用100uf/25V电容。
Z1(Zener 二极管):
当回授失效时的保护电路,回授失效时输出电压冲高,辅助电源电压相对提高,此时若没有保护电路,可能会造成零件损坏,若在3843 VCC与3843 Pin3脚之间加一个Zener Diode,当回授失效时Zener Diode会崩溃,使得Pin3脚提前到达1V,以此可限制输出电压,达到保护零件的目的.Z1值的大小取决于辅助电源的高低,Z1的决定亦须考虑是否超过Q1的VGS耐压值,原则上使用公司的现有料(一般使用1/2W即可).
R2(启动电阻):
提供3843第一次启动的路径,第一次启动时透过R2对C7充电,以提供3843 VCC所需的电压,R2阻值较大时,turn on的时间较长,但短路时Pin瓦数较小,R2阻值较小时,turn on的时间较短,短路时Pin瓦数较大,一般使用220KΩ/2W M.O。
R4 (Line Compensation):
高、低压补偿用,使3843 Pin3脚在90V/47Hz及264V/63Hz接近一致(一般使用750KΩ~1.5MΩ 1/4W之间)。
R3,C6,D1 (Snubber):
此三个零件组成Snubber,调整Snubber的目的:1.当Q1 off瞬间会有Spike产生,调整Snubber可以确保Spike不会超过Q1的耐压值,2.调整Snubber可改善EMI.一般而言,D1使用1N4007(1A/1000V)EMI特性会较好.R3使用2W M.O.电阻,C6的耐压值以两端实际压差为准(一
变压器 电阻 电容 电流 电路 频谱分析仪 二极管 电压 PWM 放大器 电感 相关文章:
- 负载点降压稳压器及其稳定性检查方法(07-19)
- 电源设计小贴士 6:精确测量电源纹波(03-21)
- 提高数据中心系统的配电效率(05-14)
- 超宽输入范围工业控制电源的设计(10-15)
- 大功率LED照明恒流驱动电源的设计(10-15)
- UCC27321高速MOSFET驱动芯片的功能与应用(03-15)
