采用ThinSOT或3mm x 2mm DFN封装的低IQ、60V单片式升压/SEPIC/负输出转换器
时间:05-16
来源:互联网
点击:
8V ~ 30V 输入转换至 –24V 输出的 Cuk 转换器
图 6 显示,LT8330 配置成 Cuk 拓扑,调节一个负输出电压。这个电路提供高达 6W 功率,保持效率高达 87%。
图 6:8V ~ 30V 输入转换至 –24V 输出的 Cuk 转换器及其效率
160mA AT VIN = 8V:VIN = 8V 时电流为 160mA
EFFICIENCY:效率
INVERTING:负输出
LOAD CURRENT:负载电流
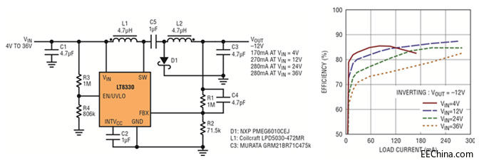
4V ~ 36V 输入转换至 –12V 输出的 Cuk 转换器
–12V 输出 Cuk 转换器如图 7 所示。这个电路具很宽的输入范围,以高效率工作,在高达 3.4W 功率时,实现了 86% 的峰值效率。
图 7:4V ~ 36V 输入转换至 –12V 输出的 Cuk 转换器及其效率
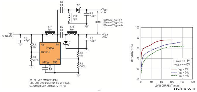
8V ~ 40V 输入转换至 ±15V 输出
图 8 显示了一个双输出、+15V/−15V 转换器。这个电路有很宽的输入范围,以高效率运行,在功率高达 4.8W 时,峰值效率达到 87%。
图 8:8V ~ 40V 输入转换至 ±15V 输出的转换器及其效率
结论
LT8330 非常适合要求在紧凑空间中实现高效率电源解决方案的应用。LT8330 的 3V 至 40V 输入电压范围和坚固的 60V/1A 电源开关可用来实现多种升压 / SEPIC / 负输出转换器解决方案。其低输出纹波突发模式允许在轻负载时保持高效率。电源开关的最短接通和关断时间很短,允许以 2MHz 频率运行,以减小组件尺寸,因此可用这个采用纤巧、扁平 6 引线 ThinSOT 或 8 引线 (3mm x 2mm) DFN 封装的器件实现紧凑的电源解决方案。
图 6 显示,LT8330 配置成 Cuk 拓扑,调节一个负输出电压。这个电路提供高达 6W 功率,保持效率高达 87%。
图 6:8V ~ 30V 输入转换至 –24V 输出的 Cuk 转换器及其效率
160mA AT VIN = 8V:VIN = 8V 时电流为 160mA
EFFICIENCY:效率
INVERTING:负输出
LOAD CURRENT:负载电流
4V ~ 36V 输入转换至 –12V 输出的 Cuk 转换器
–12V 输出 Cuk 转换器如图 7 所示。这个电路具很宽的输入范围,以高效率工作,在高达 3.4W 功率时,实现了 86% 的峰值效率。
图 7:4V ~ 36V 输入转换至 –12V 输出的 Cuk 转换器及其效率
8V ~ 40V 输入转换至 ±15V 输出
图 8 显示了一个双输出、+15V/−15V 转换器。这个电路有很宽的输入范围,以高效率运行,在功率高达 4.8W 时,峰值效率达到 87%。
图 8:8V ~ 40V 输入转换至 ±15V 输出的转换器及其效率
结论
LT8330 非常适合要求在紧凑空间中实现高效率电源解决方案的应用。LT8330 的 3V 至 40V 输入电压范围和坚固的 60V/1A 电源开关可用来实现多种升压 / SEPIC / 负输出转换器解决方案。其低输出纹波突发模式允许在轻负载时保持高效率。电源开关的最短接通和关断时间很短,允许以 2MHz 频率运行,以减小组件尺寸,因此可用这个采用纤巧、扁平 6 引线 ThinSOT 或 8 引线 (3mm x 2mm) DFN 封装的器件实现紧凑的电源解决方案。
凌力尔特 ADI PIC 电流 电容 电阻 电压 电容器 电感 电路 电子 相关文章:
- 超低静态电流电源管理IC延长便携应用工作时间(04-14)
- 具扩展频谱频率调制的低EMI DC/DC稳压器电路(12-24)
- 轻松从PoE过渡至PoE+的设计方案(12-09)
- 嵌入式 POL DC/DC 转换器设计(07-22)
- 电源通路管理集成电路的优点(09-21)
- 电源工程师的μModule使用手记(11-12)
