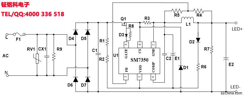
SM7350 80V600mA 降压型LED 恒流电源芯片方案
时间:08-23
来源:互联网
点击:
SM7350 是一款高精度、高效率、高功率因数的降压型LED 恒流驱动控制开关。芯片工作在临界导通模式,在全电压85Vac~265Vac 输入电压范围内,恒流精度可达到±5%,PF 值大于0.9。
SM7350 LED恒流电源芯片主要适用于高亮的BUCK LED 驱动器,可实现恒定的输出电流。外围器件少,方案成本低,具有输出开、短路保护特性。可通过EFT、雷击浪涌等可靠性测试.
SM7350( 80V/600mA )方案BOM清单:
| BOM LIST | ||||||
| SM7350( 80/600mA ) | 版本: | 日期: | ||||
| NO. | 元件类型 | 型号描述 | 用量 | 单位 | 位号 | 备注 |
| 1 | 输入保险 | FUS-RET-2.0A | 1 | Pcs | F1 | |
| 2 | 压敏电阻 | VAR-Φ7-470V-Φ07D471K | 1 | Pcs | RV1 | |
| 3 | X电容 | CAP-CX-100.00n-275V | 1 | Pcs | CX1 | |
| 4 | 插件MOS管 | MOS-TO220-5A-600V—5N60 | 1 | Pcs | Q1 | 加散热片 |
| 5 | 插件二极管 | DIO-FAS-SMA-4A-600V-MUR460 | 1 | Pcs | D1 | |
| 6 | 贴片二极管 | DIO-FAS-SMA-1.00A-1000V-RS1M | 1 | Pcs | D2 | |
| 7 | 贴片二极管 | DIO-FAS-SMA-200mA-100V-IN4148 | 1 | Pcs | D3 | |
| 8 | 贴片二极管 | DIO-FAS-SMA-2.00A-1000V-S2M | 4 | Pcs | D4-D7 | |
| 9 | 贴片电阻 | RES-SMD-1206-300K-5%-0.25W | 2 | Pcs | R1、R2 | |
| 10 | 贴片电阻 | RES-SMD-1206-1.8R-1%-0.25W | 4 | Pcs | R3A-R3D | |
| 11 | 贴片电阻 | RES-SMD-1206-1M-1%-0.25W | 1 | Pcs | R4 | |
| 12 | 贴片电阻 | RES-SMD-0805-43K-5%-0.125W | 1 | Pcs | R5 | |
| 13 | 贴片电阻 | RES-SMD-1206-20K-5%-0.25W | 2 | Pcs | R6A-R6B | |
| 14 | 贴片电阻 | RES-SMD-1206-68K-5%-0.25W | 1 | Pcs | R7 | |
| 15 | 贴片电阻 | RES-SMD-1206-10R-5%-0.25W | 1 | Pcs | R8 | |
| 16 | 贴片电阻 | RES-SMD-1206-1M-5%-0.25W | 1 | Pcs | R9 | |
| 17 | 插件CBB电容 | CAP-0.1uF-400V | 1 | Pcs | C1 | |
| 18 | 贴片电容 | CAP-SMD-0805-X7R-330nF-10%-16V | 1 | Pcs | C2 | |
| 19 | 电解电容 | CAP-ELE-6.8uF-50V-Ф5*11 | 1 | Pcs | E1 | |
| 20 | 电解电容 | CAP-ELE-100uF-100V-Ф10*16 | 1 | Pcs | E2 | |
| 21 | 变压器电感 | TR-EFD25(5+5)卧式/0.35mH(70T Ф0.29*2) | 1 | Pcs | L1 | |
| 22 | 芯片 | IC-SM7350-SOT23-6 | 1 | Pcs | U1 | |
SM7350( 80V/600mA )方案变压器参数:


LED 电压 电流 电阻 电容 二极管 变压器 电感 相关文章:
- 高效地驱动LED(04-23)
- 电源设计小贴士 6:精确测量电源纹波(03-21)
- 构建一个低成本的9V电池电压监控器(07-28)
- 用于低成本高效率离线LED驱动器的初级端调节技术(05-14)
- 电源设计小贴士 7:高效驱动 LED 离线式照明(04-05)
- 隔离式MOSFET驱动器集成电路的功率效率在轻负载时得到改善(07-31)
