SM7523B全面升级为SM7513 LED恒流驱动芯片
由于SM7523B受到市场的广泛好评,很多公司纷纷抄袭SM7523B,为了保护我司客户的利益,在原SM7523B基础上进一步产品升级,推出了性价比更高的SM7513。
SM7513 LED驱动电源芯片采用专利的恒流控制技术与专利的高压自启动及供电技术,无需FB反馈回路、无需外供电回路、无需辅助绕组、无需环路补偿,减少了系统元件数,提高了系统的可靠性和集成度,降低了系统的BOM成本。
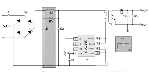
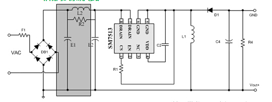
SM7513可实现最少元器件的隔离式LED照明驱动方案,同时,SM7513亦可应用于非隔离Buck-Boost的拓扑结构,无需变压器仅需要工字型电感,进一步降低了系统成本。
PSR隔离式系统电路

Buck-Boost非隔离式系统电路

SM7513四大优势
(1)无反馈回路
SM7513采用恒流控制专利技术,无FB反馈端及相应电路,节省了外部元件,提高了集成度和可靠性,易于生产;
(2)无外供电回路
SM7513采用高压自启动及供电专利技术,采用730V单芯片高压集成工艺技术,无需外部供电回路,简化了系统电路,提高了效率和可靠性;
(3)无辅助绕组
SM7513采用两绕组专利技术,变压器无需辅助绕组,易生产;
(4)无环路补偿电路
SM7513无需环路补偿电路,环路稳定可靠,集成度高,减小了PCB板体积。
同时,SM7513内置前沿消隐电路(LEB),内置开机软启动,内置逐周期峰值电流比较电路,在90Vac~264Vac输入电压范围内恒流精度小于±3%,具有输出开/短路保护等功能。在低成本方案中,无需吸收回路。
典型的1~3W隔离式方案的测试数据(见表1)

典型的3~5W非隔离式方案的测试数据(见表2)

其中,本3~5W系统支持单电压或全电压工作,在90Vac~264Vac输入范围,支持25~60V/60mA的兼容规格,在180Vac~264Vac输入范围内,兼容25~80V/60mA的系统输出。
- 高效地驱动LED(04-23)
- 电源设计小贴士 6:精确测量电源纹波(03-21)
- 构建一个低成本的9V电池电压监控器(07-28)
- 用于低成本高效率离线LED驱动器的初级端调节技术(05-14)
- 电源设计小贴士 7:高效驱动 LED 离线式照明(04-05)
- 隔离式MOSFET驱动器集成电路的功率效率在轻负载时得到改善(07-31)
