高功率因数开关三段LED调光恒流驱动芯片SM7392P
时间:07-12
来源:互联网
点击:
[size=12.6316px] SM7392P是一款高端BUCK单级、带有源高功率因数校正、三段调光的高精度高效率的降压型LED恒流驱动控制芯片。采用我司的恒流控制技术,输入无需电解电容。适用于 85Vac~265Vac全范围输入电压,恒流精度<± 5%,PF值>0.9。
SM7392P主要适用于高亮的BUCK LED驱动器,可实现高功率因数和恒定的输出电流。外围器件少,方案成本低。
另外,SM7392P 具有三段调光功能和 LED输出开、短路保护、过温保护特性。可通过 EFT、雷击浪涌等可靠性测试,亦可通过 3C、UL、CE 等认证标准。
芯片内部调光模块实现芯片调光功能,默认状态为100%调光。当开关依次开关一次,芯片调光一次,IC调光的顺序依次为 100%→60%→20%(3段调光)。
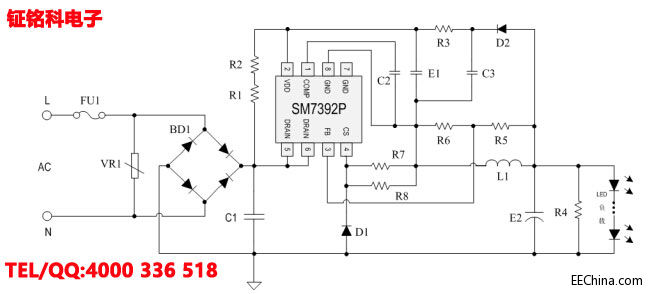
[size=12.6316px]SM7392P宽电压输入方案原理图
(输入:180V~265VAC/输出:80mA/124V)
[size=12.6316px]BOM清单(80mA/124V)

[size=12.6316px]产品实物图展示
1.正面pcb图:
[size=12.6316px]
2.反面PCB图:

[size=12.6316px]注:
[size=12.6316px] SM7392P与非隔离高PF的SM7352P外围电路一样,在同一块DEMO板上即可实现调光与非调光产品的应用。
- 高效地驱动LED(04-23)
- 电源设计小贴士 6:精确测量电源纹波(03-21)
- 构建一个低成本的9V电池电压监控器(07-28)
- 用于低成本高效率离线LED驱动器的初级端调节技术(05-14)
- 电源设计小贴士 7:高效驱动 LED 离线式照明(04-05)
- 隔离式MOSFET驱动器集成电路的功率效率在轻负载时得到改善(07-31)
