功率MOSFET在正激式驱动电路中的应用简析
时间:04-06
来源:互联网
点击:
功率MOSFET在目前一些大功率电源的产品设计中得到了广泛的应用,此前本文曾经就几种常见的MOSFET电路设计类型进行了简单总结和介绍。在今天的文章中,本文将会就这一功率器件的另一种应用方式,即有隔离变压器存在的互补驱动电路,进行简要分析。
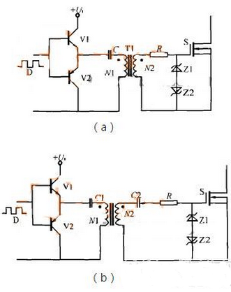
有隔离变压器的互补驱动电路作为一种比较常见的驱动电路形式,在目前的家电产品设计中应用较多,其典型电路结构如图1(a)所示。在图1(a)所给出的电路结构中,V1、V2为互补工作,电容C起隔离直流的作用,T1为高频、高磁率的磁环或磁罐。
图1 有隔离变压器的互补驱动
图2 有隔离变压器的互补驱动的实验波形
当这一有隔离变压器的互补驱动MOSFET电路被应用在220V电网中正常导通时,此时市电电网所施加在隔离变压器上的电压可计算为(1-D)Ui、关断时则电压为DUi,若主功率管S可靠导通电压为12V,则隔离变压器原副边匝比NI/N2为12/(1-D)/Ui。为保证导通期间GS电压稳定C值可稍取大些。实验波形见图2(a)。
除了有隔离变压器的互补驱动电路形式应用比较多之外,上图中还展示了另外一种常见的MOSFET驱动电路,其电路结构如上图图1(b)所示。在平时的应用中,这一电路为占空比大于0.5时适用的驱动电路。在这一电路结构中,Z2为稳压二极管,此时副边绕组负电压值较大,Z2的稳压值为所需的负向电压值,超过部分电压降在电容C2上,其实验波形见图2(b)。
这种在家电产品中适用的MOSFET驱动电路具有多种优点。首先,这一电路的结构比较简单可靠,具有电气隔离作用。当脉宽变化时,驱动的关断能力不会随着变化。其次,图1所展示的这两种电路只需一个电源就能够驱动,即可单电源工作。隔直电容C的作用可以在关断所驱动的管子时提供一个象压,从而加速了功率管的关断,且有较高的抗干扰能力。但该电路所存在的一个较大缺点是输出电压的幅值会随着占空比的变化而变化,所以该电路比较适用于占空比固定或占空比变化范围不大以及占空比小于0.5的场合。
有隔离变压器的互补驱动电路作为一种比较常见的驱动电路形式,在目前的家电产品设计中应用较多,其典型电路结构如图1(a)所示。在图1(a)所给出的电路结构中,V1、V2为互补工作,电容C起隔离直流的作用,T1为高频、高磁率的磁环或磁罐。
图1 有隔离变压器的互补驱动
图2 有隔离变压器的互补驱动的实验波形
当这一有隔离变压器的互补驱动MOSFET电路被应用在220V电网中正常导通时,此时市电电网所施加在隔离变压器上的电压可计算为(1-D)Ui、关断时则电压为DUi,若主功率管S可靠导通电压为12V,则隔离变压器原副边匝比NI/N2为12/(1-D)/Ui。为保证导通期间GS电压稳定C值可稍取大些。实验波形见图2(a)。
除了有隔离变压器的互补驱动电路形式应用比较多之外,上图中还展示了另外一种常见的MOSFET驱动电路,其电路结构如上图图1(b)所示。在平时的应用中,这一电路为占空比大于0.5时适用的驱动电路。在这一电路结构中,Z2为稳压二极管,此时副边绕组负电压值较大,Z2的稳压值为所需的负向电压值,超过部分电压降在电容C2上,其实验波形见图2(b)。
这种在家电产品中适用的MOSFET驱动电路具有多种优点。首先,这一电路的结构比较简单可靠,具有电气隔离作用。当脉宽变化时,驱动的关断能力不会随着变化。其次,图1所展示的这两种电路只需一个电源就能够驱动,即可单电源工作。隔直电容C的作用可以在关断所驱动的管子时提供一个象压,从而加速了功率管的关断,且有较高的抗干扰能力。但该电路所存在的一个较大缺点是输出电压的幅值会随着占空比的变化而变化,所以该电路比较适用于占空比固定或占空比变化范围不大以及占空比小于0.5的场合。
- 电源设计小贴士 1:为您的电源选择正确的工作频率(12-25)
- 超低静态电流电源管理IC延长便携应用工作时间(04-14)
- 电源SOC:或许好用的“疯狂”创意(07-24)
- 过压保护及瞬态电压抑制电路设计(04-03)
- 用于低成本高效率离线LED驱动器的初级端调节技术(05-14)
- 隔离式MOSFET驱动器集成电路的功率效率在轻负载时得到改善(07-31)
