检测恒流二极管的方法
时间:11-27
来源:互联网
点击:
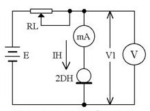
检测恒流二极管的电路如图一所示。E是可调直流电源,向恒流二极管提供工作电压VI。用直流毫安表测量恒定电流IH,同时用一块直流电压表监测工作电压VI。当VI从VS一直上升到VBO时,IH应保持恒定。电路中的RL为负载电阻。

图一 恒流二极管检测电路
实际测量一只2DH04C型恒流二极管,其标称恒定电流IH=0.4mA,正向击穿电压 VBO=70V。采用如图一所示电路,由HT-1714C型直流稳压电源代替 E,提供0~30V 的工作电压。将两块500型万用表分别拨到直流1mA挡和2.5V(或10V、50V 挡),测量IH与VI值。RL选用10k 欧电位器。首先把RL调至零欧,然后改变 E 值,可测得其特性参数。
从实测数据可以得到,当V ≥1.5V时管子进人恒流区,I =0.34~0.36mA,因此该管子的起始电压V =1.5V。当V=1.5~15V时,I 恒定不变;当V=1.5~30V时,I 最多只增加0.02mA,变化率小于5.9%。
然后将R 从零欧调至10k欧,重复上述试验。在V=1.5~30V的范围内,I =0.34±0.03mA,变化率△I /I
测量时需注意以下事项:
( 1 )测量恒流二极管时极性不得接反,否则起不到恒流作用,并且还容易烧毁管子。
( 2 )由恒流二极管组成电路时,必须使RL<
( 3 )恒流二极管的正向击穿电压V(BO)一般为30~100V。利用兆欧表与直流电压表能够测量V(BO)值。具体方法是将恒流二极管的正、负极分别接兆欧表的E、L 接线柱。然后按额定转速摇动兆欧表的手柄,使恒流二极管处于正向软击穿状态,借助于直流电压表即可读出V(BO)值。兆欧表的输出电压虽然可达几百至几千伏,但其内阻很高,因此输出电流很小,不会损坏管子。一旦被测管子正向击穿,兆欧表的输出电压就被钳位于击穿电压上。用此法实测上例中的ZDH04C,V(BO)=72V,比规定值(70V)略高一点。测量时管子极性亦不得接反。

图一 恒流二极管检测电路
实际测量一只2DH04C型恒流二极管,其标称恒定电流IH=0.4mA,正向击穿电压 VBO=70V。采用如图一所示电路,由HT-1714C型直流稳压电源代替 E,提供0~30V 的工作电压。将两块500型万用表分别拨到直流1mA挡和2.5V(或10V、50V 挡),测量IH与VI值。RL选用10k 欧电位器。首先把RL调至零欧,然后改变 E 值,可测得其特性参数。
从实测数据可以得到,当V ≥1.5V时管子进人恒流区,I =0.34~0.36mA,因此该管子的起始电压V =1.5V。当V=1.5~15V时,I 恒定不变;当V=1.5~30V时,I 最多只增加0.02mA,变化率小于5.9%。
然后将R 从零欧调至10k欧,重复上述试验。在V=1.5~30V的范围内,I =0.34±0.03mA,变化率△I /I
测量时需注意以下事项:
( 1 )测量恒流二极管时极性不得接反,否则起不到恒流作用,并且还容易烧毁管子。
( 2 )由恒流二极管组成电路时,必须使RL<
( 3 )恒流二极管的正向击穿电压V(BO)一般为30~100V。利用兆欧表与直流电压表能够测量V(BO)值。具体方法是将恒流二极管的正、负极分别接兆欧表的E、L 接线柱。然后按额定转速摇动兆欧表的手柄,使恒流二极管处于正向软击穿状态,借助于直流电压表即可读出V(BO)值。兆欧表的输出电压虽然可达几百至几千伏,但其内阻很高,因此输出电流很小,不会损坏管子。一旦被测管子正向击穿,兆欧表的输出电压就被钳位于击穿电压上。用此法实测上例中的ZDH04C,V(BO)=72V,比规定值(70V)略高一点。测量时管子极性亦不得接反。
二极管 电路 电压 电流 电阻 稳压电源 万用表 相关文章:
- 高效地驱动LED(04-23)
- 电源设计小贴士5:降压-升压电源设计中降压控制器的使用(03-18)
- 实现智能太阳能管理的微型逆变器应运而生(05-06)
- 以太网供电芯片:合规与超规(07-25)
- 过压保护及瞬态电压抑制电路设计(04-03)
- 用于低成本高效率离线LED驱动器的初级端调节技术(05-14)
