LED驱动器:选择匹配具体应用的最佳架构
时间:12-16
来源:互联网
点击:
现今的LED照明已具备了多元化的应用场合,从简单的白炽灯或冷阴极荧光灯(CCFL)替代品,到新的建筑、工业、医疗和其他应用。为了在应用中最佳化匹配灯和光亮,不同的LED照明应用通常都有相对应的性能标准要求。
为了驱动LED,工程师可以从琳琅满目的驱动器架构中挑选,然而每一架构都有各自的优缺点,针对具体应用的适应能力有好有坏。选择驱动器架构时需考虑的因素有很多,其中成本占据首要位置,其次是隔离、调光、闪烁、色温、功率因数、可靠性、热管理等问题。
基本的LED驱动器架构有几种:次级侧控制、初级侧控制、隔离式/非隔离式。此外,功率因数控制(PFC)也是在许多应用中的一个主要性能考虑因素,其解决方案由带PFC功能的两级或单级驱动器,或不带PFC功能的单级驱动器(主要用于功率低于5W的应用)组成。因此,整个驱动器子系统就是一系列权衡下的结果,目的是降低物料清单(BOM)成本,实现最高效率,同时提供调光功能,打造一款温度可控、具备故障保护功能的产品。
基本的驱动器架构
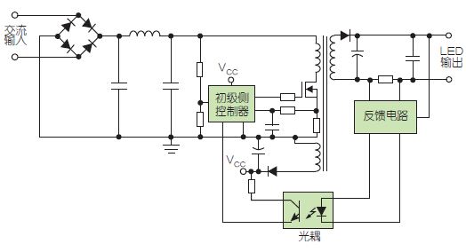
为了实现最佳的隔离和控制,次级侧控制架构监测输出电压/电流,并通过一个光隔离通路向初级侧驱动器提供反馈信号(图1)。该反馈信号使次级侧控制器能够提供较好的电流及电压控制精度。更简单的初级侧控制方案消除了次级侧控制器和光隔离信号通路,从而降低了系统成本,在提高系统性能的同时,缩减了系统尺寸。在这种方案中,初级侧驱动器通过初级侧波形分析确定输出电流和电压(图1)。取决于分析的质量,初级侧控制可以做到匹敌甚至超越次级侧调节及性能,因此是当今隔离式LED驱动器常用的解决方案。


图1:两种常见的LED驱动器方案采用了次级侧控制(上图)和初级侧控制(下图)。次级侧控制具备较好的电流及电压控制精度,但初级侧控制可减少元器件数量和系统尺寸,同时提高性能。
基本的初级侧控制电路通过输出级变压器实现了隔离。但是,为了减少元器件成本,非隔离方案采用电感器替代变压器,并能采用降压控制器替代初级侧驱动器反激电路(图2)。在非隔离方案中,控制机制得到了简化,但为了防止输入与输出间短路,该电路要求更加复杂的物理隔离。目前,大多数LED驱动器设计采用的是隔离式架构。在未来一两年内,电路设计领域的进步将可提供更进一步降低成本的方案。

图2:初级侧驱动器可通过在输出级使用变压器,设计成隔离式配置;或通过使用电感器替代输出变压器,并选用降压控制器替代反激电路,设计成非隔离配置。
功率因数基础知识
当输入电压和电流同相,输入电压和电流波形一致时,功率因数为理想的“1”。当输入电压和输入电流波形之间的相位差增大时,功率因数将下降,系统效率也将降低。但是,升压转换器内置了电流波形控制功能,它能跟踪输入电压波形,从而维持近乎为1的功率因数。
为了提高功率因数,可以在初级侧驱动器电路和控制电路之前增加一个两级功率因数校正(PFC)升压电路(图3)。PFC电路还消除了因2倍线路频率而导致的闪烁问题。在示例中,输出级采用了反激转换器,为iW3616的驱动器电路提供隔离。该驱动器芯片采用的初级侧检测技术,在不使用次级侧反馈电路的情况下,实现了卓越的线路电压和LED负载电流调节,同时消除了光隔离器反馈环路。此外,iW3616的实时周期波形分析技术还提高了调光器的设置响应速度。数字控制环路在无需环路补偿器件的情况下,也能保持整体工作条件的稳定。

0.95)。">
图3:通过在iW3616数字功率控制器中增加两级功率因数校正升压电路,可以让驱动器电路实现无闪烁调光和极高的功率因数(>0.95)。
PFC也可以在单级初级侧驱动和控制电路中实现。在此类系统中,驱动器通过调制输入阻抗控制输入电流波形,从而调节功率因数。
两级PFC架构在有效消除输出纹波的同时,实现了近乎完美的PFC,因此可大幅改善LED灯中的闪烁问题。但是,两级升压电路需要更多元器件,因此实现成本也较高。与此相比,虽然具备PFC功能的单级驱动器通过调制输入阻抗提高了功率因数,但随着功率因数的升高,输出纹波(闪烁)也将增多。为了补偿,必须通过提高外部电容值来减少闪烁。在不需要PFC调节的情况下,简单的单级初级侧驱动器可采用传统的反激转换器架构来降低成本。
很多应用还要求驱动器电路能够对接调光器,但由于市场上已经存在多种调光技术—TRIAC型前沿和后沿调光器、复杂的电子调光器,以及低压(0V~10V)线性控制或脉宽调制亮度控制调光器(主要用于商用系统中)—工程师必须解决很多问题。新型数字化解决方案能够分析出调光器的类型,然后运用经过优化的算法控制调光。此类解决方案还能消除因短脉冲信号干扰而导致的闪烁。与此相比,传统的TRIAC型调光器易受误触发的影响,并有可能产生不平衡的半周期输出。
所有TRIAC型调光器都有最小保持电流要求,以保持TRIAC导通,但并非所有的LED驱动器电路都具备调光能力。对于那些有调光能力的LED驱动器电路,驱动器必须载入调光器,以保持TRIAC持续导通。虽然较高的负载可提高调光器的兼容性,但其高负载电流将降低电路效率。为了重新提高效率,可以用一个BJT或MOSFET替代驱动器的负载电阻,让驱动器自动校准泄放电流,以确保安全工作区的精准电流控制,并利用升压/PFC电路现有的BJT或MOSFET降低成本。
方案选择
由于面临众多选择,工程师通常需要仔细比较,整理出LED驱动解决方案应该具备的最佳功能组合。基本的决定因素可能首先是调光或非调光和功耗要求。之后,其他需求可能包括:有PFC或无PFC(取决于应用)、尺寸要求(解决方案是否适合具体的空间或印刷电路板区域)、可靠性/工作寿命、可容忍的闪烁量(越低越好)。
为了降低BOM成本,应考虑减少元器件数量,采用初级侧控制,尽量降低EMI元器件数量,然后深入地检查元器件成本—采用BJT而不是MOSFET用于驱动器,缩减散热器的尺寸和材料。在某种程度上,这些选择也与系统可靠性和工作寿命有关—元器件运行温度越低,系统工作寿命就越长,尤其是对于电解电容器和LED等元器件自身而言。不幸的是,工程师很少知道LED灯的具体使用情况,因此,良好的温控设计就显得尤其重要。如果散热器的尺寸设计不合理,通风不好的封闭式设备有可能导致热量累积和过早失效。
此外,电路保护功能有助于防范热失控、短路等重大熔断故障—驱动器是否内置温度检测功能,或能否添加一个温度传感器?借助温度传感器,驱动器电路能够实现复杂的热闭环—当温度高于最高指标时,通过降低LED电流,从而降低功耗和温度。在极端情况下,驱动器还能关闭,达到保护自身的目的。很多驱动器电路还提供了附加的故障保护功能,例如LED短路和开路检测、过压保护、软启动,以及电流检测电阻短路保护。
所有选择都可以归纳为几条与功率因数和闪烁问题有关的设计经验法则:如果功率因数和闪烁不重要的话,则使用一个不具备PFC功能的单级初级侧驱动器;如果功率因数重要的话,则使用一个具备PFC功能的单级驱动器;但如果功率因数和闪烁都很重要的话,最佳选择是一个具备PFC功能的两级驱动器。
工程师有很多基本架构可以选择,通过对比它们的优缺点,就能为目标应用挑选出最佳的驱动器解决方案。
LED 电压 电流 电路 变压器 电感 电容 电子 MOSFET 电阻 电容器 传感器 温度传感器 相关文章:
- 高效地驱动LED(04-23)
- 电源设计小贴士 6:精确测量电源纹波(03-21)
- 构建一个低成本的9V电池电压监控器(07-28)
- 用于低成本高效率离线LED驱动器的初级端调节技术(05-14)
- 电源设计小贴士 7:高效驱动 LED 离线式照明(04-05)
- 隔离式MOSFET驱动器集成电路的功率效率在轻负载时得到改善(07-31)
