多功能太阳能移动电源箱的设计方案
时间:12-16
来源:互联网
点击:
太阳能的设计应用在市场上已经司空见惯,但立足于西藏地区生态环境的保护,结合当地人民生活现状的太阳能产品并不多见。本文从环境保护和西藏地区人们的生活习惯的角度出发,结合太阳能发电技术,设计了一款环保可靠的太阳能多功能移动电源箱。可以说,本设计将解决西藏边远地区人民的用电难问题。
1 方案设计
太阳能是天然可再生能源。它资源丰富,既可无限制的免费使用,又无需运输,对环境无任何污染。目前雪域高原是我国污染最轻、环境保护最好的地区,西藏作为我国乃至亚洲重要的生态安全屏障,生态环境的保障至关重要。本设计基于西藏地区丰富的太阳能资源和藏区人们的生活现状的的考虑,利用太阳能供电并结合人们日常生活所需而设计。既符合环保要求又方便携带,解决了西藏地区人民基本的日常用电需要,可作为绿色环保产品推广,具有一定的市场价值。
2 硬件电路设计
2.1 硬件框图结构设计
本文整体设计硬件框图结构如图1所示,电源箱有太阳光和常规市电两路能量来源。当蓄电池馈电时,在阳光充足的情况下首先利用太阳能充电,其次通过220 V电源给蓄电池充电。两种输入方式相结合,方便而且环保。将两种输入能量通过滤波稳压电路,然后给蓄电池进行充电。其中的过充过放保护电路主要是利用继电器电路模块检测蓄电池的电量;当过充的时候断开充电主回路;当蓄电池电压降到一定范围的时候接通充电回路;当检测到过放的时候断开用电器电路,防止过充过放,起到对蓄电池保护的作用,整个电路都是由蓄电池供电。该系统有多路输出端口,既可供LED 照明和为手机、MP3、收音机等多种数码产品充电还可输出220 V交流电压供小功率家用电器工作。

图1 电路整体结构
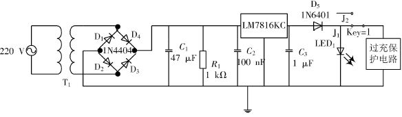
2.2 市电供电模块
本设计所有电路均基于Multisim仿真软件的应用。图2 为市电充电模块电路,当电源接通后红色指示灯LED1 点亮,否则熄灭。此电路通过变压器和电桥电路将220 V 市电转为28.4 V 直流电压,再经过RC 振荡电路进行滤波稳压后送入LM7815三端稳压模块,输出稳定的直流15 V 电压,然后通过过冲保护电路给蓄电池充电。开关Key1为供电模式手动选择开关,当开关J1连接时为选择市电充电,则红色LED1 亮。开关J2 连接时为选择太阳能充电,则红色LED2亮,如1、2所示。

图2 市电供电模块
2.3 太阳能供电模块
在图3所示的太阳能供电模块电路中。当Key1接J2时,选择太阳能系统供电,此时红色LED2点亮。电路首先通过整流二极管1N5404整流,然后经RC滤波电路滤波,最后通过稳压二极管1N47744 将电压稳定为直流15 V,再通过过充保护电路为蓄电池充电。其中1N5404硅整流二极管,其最大反向峰值电压为400 V,最大半波整流电流为3 A.稳压二极管1N4744最大功耗为1 mW,稳定电压为15 V,最大电流是57 mA.

图3 太阳能供电模块
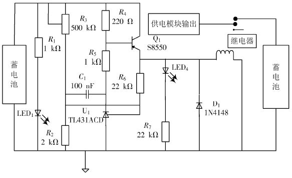
2.4 过充过放电路
如图所示为过充过放保护电路,本设计主要基于三端可调分流基准源TL431和继电器的应用,实现对铅蓄电池充放电保护。如图4所示,为过充保护电路,供电模块通过继电器为蓄电池充电,当电路检测到蓄电池电压大于13 V 时,绿色LED4 亮,继电器将开关向下吸合,断开充电回路,实现过充保护。

图4 过充保护电路图
如图5所示,为过放保护电路,蓄电池电压大于12 V时LED6灯亮,继电器向下吸合为负载提供能量,当蓄电池电压低于10.5 V时继电器向上断开放电回路,实现过放保护。

图5 过放保护电路图
2.5 输出端口
图6所示为电源箱的输出端口部分设计图,其主要采用LM78XX 系列三端集成稳压器来得到稳定电压的输出。当LM78XX 系列三端集成稳压器输出电流较大或工作时间较长,LM78XX 散热较大,应加散热器。

图6 输出端口设计图
图6(a)是输出稳定9 V供收音机工作。图6(b)为USB接口电路,实际电源箱将输出多个不同类型的接口供数码产品充电,例如图6(b)手机USB充电部分,三端集成稳压器 LM7805得到稳定直流5 V 输出,由于手机充电需要的电压为(5±0.5) V,此时刚好适合手机进行充电,当红色LED3 亮起时说明此时可以为手机充电了。图6(c)和(d)均接照明负载,当开关Key2和Key3接通时,通过调节滑动变阻器R2,R3可改变光照强弱,进而达到使用者所需的光照强度,增加了设计的人性化。
3. 电路仿真分析
3.1 LM7815稳压模块仿真
图7为三端稳压集成电路LM7815的仿真结果,C1,C2分别为输入端和输出端滤波电容,R1,R2分别为输入输出端保护电阻。
当输出电流较大时,LM7815 散热较大,应加散热器。LM7815 三端稳压IC 来组成稳压电源所需的外围元件极少,电路内部还有过流、过热及调整管的保护电路,使用可靠、方便。由于三端固定集成稳压电路的使用方便,电子电路中经常采用。当三端稳压集成电路LM7815 输入电压大于15 V 时,通过LM7815 稳压模块可输出稳定的15 V电压。

图7 LM7815稳压模块仿真图
3.2 市电供电模块仿真
由图8 中可以看出,由于变压和稳压模块连接后,电气互相影响,测得输入到LM7815稳压模块的电压为28.4 V 左右,输出15 V 稳定电压通过过冲电路为蓄电池充电。

图8 市电供电模块仿真图
3.3 太阳能供电模块仿真
太阳能供电模块仿真见图9,利用25 V直流电压源和5 V,20 Hz的交流电源串联来模拟太阳能板输出电压,模拟信号在18~32 V之间变化,其波形如图9中示波器所示,经电路滤波稳压输出稳定的15 V 直流电压。
在日光下,用万用表测得实际中太阳能板发出电压幅度在17~25 V 之间变化,结合太阳能板输出电压波形见图10,证实模拟电源很接近现实中太阳能板产生的电压信号。实物图见图11。

图9 太阳能供电模块仿真图

图10 太阳能板实际输出电压波形测试图

图11 实物设计图
电路 继电器 电压 LED Multisim 仿真 变压器 二极管 电流 电路图 USB 集成电路 电容 电阻 稳压电源 电子 示波器 万用表 相关文章:
- 电源设计小贴士 1:为您的电源选择正确的工作频率(12-25)
- 用于电压或电流调节的新调节器架构(07-19)
- 超低静态电流电源管理IC延长便携应用工作时间(04-14)
- 电源设计小贴士 2:驾驭噪声电源(01-01)
- 负载点降压稳压器及其稳定性检查方法(07-19)
- 电源设计小贴士 3:阻尼输入滤波器(第一部分)(01-16)
