双相降压型控制器驱动高密度1.2V/60A电源并具mΩ以下DCR检测功能
时间:12-16
来源:互联网
点击:
引言
在日益缩小的电路板空间内要实现更大的负载电流和更高的效率,对于通信、网络、服务器和工业系统之低输出电压轨设计师而言,这是一项挑战。LTC3774双输出降压型控制器凭借与DrMOS器件的简易连接减轻了这种负担,并通过将MOSFET和栅极驱动器集成在同一个封装中以提供高效率和小尺寸。LTC3774能在电感器的DCR(其数值最低可至0.2mΩ)两端检测电流,这就免除了增设一个分立检测电阻器的需要,从而改善了效率。LTC3774的峰值电流模式架构可提供逐周期电流限制、固有逐周期均流以及易于设计的II型补偿。
具小占板面积的高效率转换器

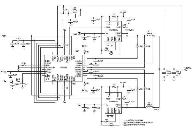
sw=400kHz的双相、1.2V/60A LTC3774转换器(7V≤VIN≤14V)">
图1 工作在fsw=400kHz的双相、1.2V/60A LTC3774转换器(7V≤VIN≤14V)
图1示出了一款工作在400kHz开关频率的双相1.2V/60A LTC3774转换器。每相的功率级是采用6mm x 6mm QFN封装的FDMF6820A DrMOS和具有0.325mΩ典型DCR的0.3μH单绕组铁氧体电感器。如图2所示,产生的满负载效率为89.8%。转换器的内核具有一个每平方英寸为50A的电流密度。

IN=12V,VOUT=1.2V)">
图2:图1所示电路的效率和功率损耗曲线(VIN=12V,VOUT=1.2V)
DrMOS接口
LTC3774的PWM输出专为驱动具有一个三态PWM输入的DrMOS器件而设计。当PWM信号为高电平时,上管导通,而当PWM信号为低电平时,则下管导通。当PWM信号浮动时,上管和下管均关断。这种状态用于在LTC3774针对脉冲跳跃模式或突发模式(Burst Mode)操作进行设置时阻隔电感器反向电流,从而可提供预偏置输出的平滑接通。另外,LTC3774的PWM输出还可与电源模块(power block)器件和具有外部MOSFET的栅极驱动器连接。
DCR检测
具备超低DCR检测能力是由于运用了一种创新电流检测方法的结果,该方法改善了电流检测信号的信噪比。连接至SNSA+引脚的外部滤波器负责放大由DCR检测之电流的AC部分;DC电流通过SNSD+引脚检测,在内部放大并与AC部分相加。由LTC3774的电流比较器所承受的重构电流检测信号被有效地放大5倍,从而使得转换器能够在电感器DCR值低至0.2mΩ的情况下保持稳定并维持电流限值准确度。
LTC3774提供了5种电流限制设定值(介于10mV和30mV之间),在整个温度范围内的最坏情况误差为±1.25mV。借助电流模式控制,相位之间的均流实现了严格的平衡,如图3中的热成像图所示。工作于满负载条件下的1.2V/60A转换器在两相之间产生的温差小于1°C。

SW=400kHz,VIN=12V,VOUT=1.2V,IOUT=60A,无气流,环境温度为21°C。">
图3:图1所示电路的热成像图。fSW=400kHz,VIN=12V,VOUT=1.2V,IOUT=60A,无气流,环境温度为21°C。
此外,LTC3774 还提供了准确的输出电压调节。每相的输出利用一个布设在反馈分压器之后的差分放大器来检测,以补偿任何的PCB I·R 压降。总的稳定反馈电压准确度在整个温度范围内为 ±0.75%。LTC3774的输出电压范围为0.6V至3.5V。
多相操作和改善坚固性
LTC3774具有用于执行多达12相之PolyPhase操作的CLKIN和CLKOUT引脚。多相操作可减小输入电容器的纹波电流,而且在多个相位连接在一起的场合中能够降低输出电压纹波并提供更快的负载阶跃响应。
通过在每相的输入端上布设热插拔 (Hot Swap) 电路并在输出端上安置理想二极管电路,可以进一步改善单输出、冗余 (N+1)、多相转换器的可靠性。如果出现MOSFET故障,则该故障将被隔离,输出可得到保护并继续调节。利用LTC3774的HIZB引脚可进一步提升可靠性,该引脚将在检测到故障时使PWM输出浮动,从而实现预知性更好的DrMOS关断。
其他特点包括从输出过载的软恢复、可选的NTC补偿型DCR检测、一个200kHz至1.2MHz的可锁相开关频率范围和一个4.5V至38V的输入电压范围。
结论
LTC3774是一款高性能双输出降压型控制器,适用于采用DrMOS和超低DCR电感器的低输出电压、高输出电流电源。该器件可提供高效率、准确的电流限值、精准的0.6V±0.75% 反馈电压和故障隔离功能。
电路 电流 电压 MOSFET 电感 电阻 PWM 电源模块 滤波器 比较器 放大器 PCB 电容 二极管 相关文章:
- 电源设计小贴士 1:为您的电源选择正确的工作频率(12-25)
- 用于电压或电流调节的新调节器架构(07-19)
- 超低静态电流电源管理IC延长便携应用工作时间(04-14)
- 电源设计小贴士 2:驾驭噪声电源(01-01)
- 负载点降压稳压器及其稳定性检查方法(07-19)
- 电源设计小贴士 3:阻尼输入滤波器(第一部分)(01-16)
