OnSemi NPC1612 160W宽电压输入PFC驱动方案
OnSemi公司的NCP1612是一款采用创新的CCFF(Curret Controlled Frequency Fold-back)方式的PFC增压阶段芯片,在这种模式下,当电感电流超过预设值时,典型工作电路工作在临界导通模式。当电流低于该预设值时,NCP1612线性降低频率下降到约20千赫时,电流值最终降至零。特别是待机的损失减少到最低限度。控制器提供了一整套功能强大的保护功能,能够妥善处理好电源阵列的运行和故障情况。本文主要介绍了该芯片的主要特性及功能强大的保护特性,并给出芯片内部框图、方案介绍、方案原理图、方案PCB图及元器件列表。
The NCP1612 is designed to drive PFC boost stages based on an innovative Current Controlled Frequency Fold−back (CCFF) method. In this mode, the circuit classically operates in Critical conduction Mode (CrM) when the inductor current exceeds a programmable value. When the current is below this preset level, the NCP1612 linearly decays the frequency down to about 20 kHz when the current is null. CCFF maximizes the efficiency at both nominal and light load. In particular, the stand−by losses are reduced to a minimum.
Like in FCCrM controllers, an internal circuitry allows near−unity power factor even when the switching frequency is reduced. Housed in a SO−10 package, the circuit also incorporates the features necessary for robust and compact PFC stages, with few external components.
NCP1612主要特性:
• Near−Unity Power Factor
• Critical Conduction Mode (CrM)
• Current Controlled Frequency Fold−back (CCFF): Low Frequency Operation is Forced at Low Current Levels
• On−time Modulation to Maintain a Proper Current Shaping in CCFF Mode
• Skip Mode Near the Line Zero Crossing
• Fast Line / Load Transient Compensation (Dynamic Response Enhancer)
• Valley Turn On
• High Drive Capability: −500 mA/+800 mA
• VCC Range: from 9.5 V to 35 V
• Low Start−up Consumption
• A Version: Low VCC Start−up Level (10.5 V), B Version: High VCC Start−up Level (17.0 V)
• Line Range Detection
• pfcOK Signal
• This is a Pb−Free Device
NCP1612保护特性:
• Separate Pin for Fast Over−Voltage Protection (FOVP) and Bulk Under−Voltage Detection (BUV)
• Soft Over−Voltage Protection
• Brown−Out Detection
• Soft−Start for Smooth Start−up Operation (A version)
• Over Current Limitation
• Disable Protection if the Feedback and FOVP/BUV pins are not connected
• Thermal Shutdown
• Latched Off Capability
• Low Duty−Cycle Operation if the Bypass Diode is shorted
• Open Ground Pin Fault Monitoring
NCP1612应用:
• PC Power Supplies
• All Off Line Appliances Requiring Power Factor Correction
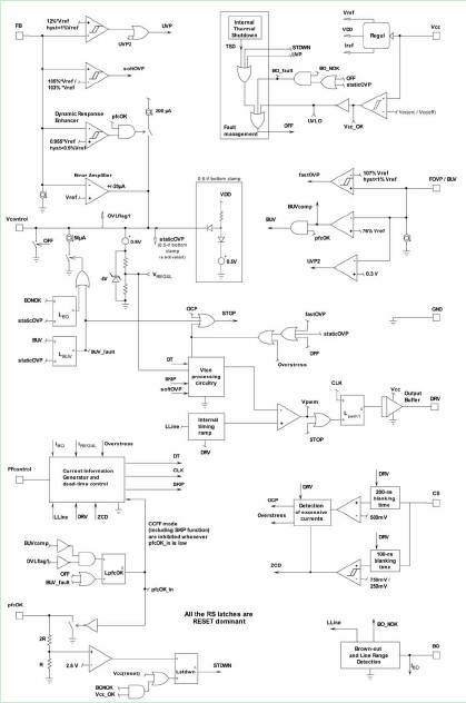
图1. NCP1612内部方框图
NCP1612GEVB方案介绍:
Housed in a SO-10 package, The NCP1612 is designed to drive PFC boost stages in so-called Current Controlled Frequency Fold-back (CCFF). In this mode, the circuit classically operates in Critical conduction Mode (CrM) when the inductor current exceeds a programmable value. When the current is below this preset level, the NCP1612 linearly decays the frequency down to about 20 kHz when the current is nearly zero. CCFF maximizes the efficiency throughout the load range. Incorporating protection features for rugged operation, it is furthermore ideal in systems where cost-effectiveness, reliability, low stand-by power and high-efficiency are the key requirements.
Extremely slim, the NCP1612 evaluation board is designed to be less than 13-mm high. This low-profile PFC stage is intended to deliver 160 W under a 390 V output voltage from a wide mains input. This is a PFC boost converter as used in Flat TVs, High Power LED Street Light power supplies, and all-in-one computer supplies. The demo board embeds the NCP1612 B-version which is best appropriate for the self-biased configuration. The board is also configurable to have the NCP1612 powered from an external power source. In this case, apply a VCC voltage that exceeds the NCP1612B start-up level (18.2 V max) to ensure the circuit start of operation or solder the NCP1612A instead. The low VCC start-up level of the A-version(11.25 V max.) allows the circuit powering from a 12-V rail. Both versions feature a large VCC operating range (from 9.5 V up to 35 V).
NCP1612GEVB方案原理图:
图2. NCP1612GEVB方案原理图
NCP1612GEVB方案材料清单:
PCB元件布局图:
详细资料如下
EVBUM2051-D.PDF
(1.7 MB, 下载次数: 12)
- 电源设计小贴士 1:为您的电源选择正确的工作频率(12-25)
- 超低静态电流电源管理IC延长便携应用工作时间(04-14)
- 电源设计小贴士 3:阻尼输入滤波器(第一部分)(01-16)
- 高效地驱动LED(04-23)
- 电源设计小贴士 4:阻尼输入滤波器(第二部分)(02-10)
- 电源设计小贴士5:降压-升压电源设计中降压控制器的使用(03-18)
