在开关模式电源应用中使用电流传感器
时间:12-23
来源:互联网
点击:

图2:Si85xx输出与检测电阻的关系

图3:Si85xx输出与CT输出的关系
4 如何实现这一新技术
使用这种电流传感器的方法非常简单。连接传感器使得电流从IIN流到IOUT端。反向电流(即从IOUT流到IIN的电流)将导致零输出,因此不会损坏器件。
上面提及的有限积分要求在每个电流测量周期之前将积分器复位。实现的方法是将现有的门控信号连接到复位输入端(R1–R4)。积分器复位的标准很简单:在电流测量后复位必须立即开始,而在下一次测量前必须结束。对于额定的精度,复位事件最少要持续250nS。
片上积分器复位逻辑具有足够的灵活度,允许这种电流传感器能够与任意的电源系统拓扑一起使用。图4所示的是用于单输出Si850x的复位电路。这些器件通常可以用于不存在变压器磁通平衡控制问题的相对简单一些的应用(如降压和升压电路)中。

图4:Si850x复位逻辑方框图
如图4所示,当TRST输入被连接到VDD时,积分器复位可以受R1和R2上的信号的实时控制。为了满足高频或/和高占空比应用,可以将TRST通过定时电阻RTRST连接到地来缩短复位时间。在这种情况下,复位的启动由R1和R2触发,持续时间则由RTRST决定。在较高速度的操作时,允许用户对传感器精度进行调整。
这意味着这些产品适用于更复杂的拓扑架构,例如控制或监视变压器磁通平衡非常重要的全桥应用。这种复杂的复位逻辑(图5)是图4所示电路的一个超集。

图5:Si851x复位逻辑
正如图中所示的那样,有三种复位算法可以选择:即XOR、XNOR或AND/OR,选择依据则取决于MODE状态和R4输入。需要重申的是,复位事件可以由复位输入单独决定,或由复位输入进行触发,并由前面所述的RTRST来定时。总之,RESET1适用于升压、隔离式和非隔离式降压以及其他相对简单的拓扑,RESET2一般用于推拉应用,而RESET3适合全桥应用。
5 应用实例
图6所示的是前面提到的用于简单同步降压转换器的电流传感器,当Q1接通时对电流进行测量。同步FFT(Q2)出来的门控信号用于积分器复位,因为要确保复位事件不与电流测量周期相重叠。

图6:同步降压转换器中的Si850x
还需注意,复位输入R2应接地,这样当R1为高阻时,能够使(XOR)门(图4)的输出触发复位启动。定时电阻RTRST用于设定图6时序图所示的复位事件周期(tR)。
复位信号最好来自驱动器输入,因为增加的驱动器和晶体管时延能够提供额外的时序余量。但是在带有集成驱动器的控制器中是无法访问驱动器输入信号的,故必须用驱动器输出信号来复位。在这种情况下,复位输入端通常需要一个分压器将驱动器输出的摆幅限制到Si85xx VDD范围内。
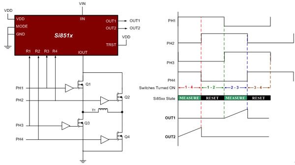
图7所示是一个相移调制的全桥应用,使用了一个工作在乒乓模式的电流传感器。乒乓模式能使一个单电流传感器代替两个CT(通常用来监视变压器磁通平衡)。乒乓输出模式将桥的各臂上的电流信号送到分开的各个输出端。

图7:相移全桥应用中的Si851x(乒乓模式)
如图所示,被测电流在Q1和Q4接通时流到OUT2,而当Q2和Q3接通时流到OUT1。在电流循环相位期间(即当Q1和Q2接通或Q3和Q4接通时),积分器复位。工作频率相对较低的全桥允许足够的复位时间,因此TRST连到VDD,使得复位时间成为R1-R4状态的函数。
6 扩展满刻度范围
许多应用要求大于20A的满刻度范围,这可以利用一个简单的电路板版图技巧来实现(图8)。
左图为安装在电路板上的电流传感器的“x射线图”。这是一种标准的安装方法,在载流导体中有一间隙,该间隙通过电流传感器中的金属嵌片桥接起来,从而允许全部被测电流流过嵌片。右图中增加了一个与嵌片平行的小电流旁路线,它们构成一个分流器,旁路线的宽度和厚度则决定了分流比。例如,一个1mm宽的旁路线能将从嵌片上分流足够的电流,使Si85xx的满刻度增加1.8倍,达到36A。
电流 传感器 变压器 放大器 电路 电阻 电源模块 电压 霍尔效应 电感 滤波器 运算放大器 CMOS 半导体 二极管 相关文章:
- 电源设计小贴士 1:为您的电源选择正确的工作频率(12-25)
- 用于电压或电流调节的新调节器架构(07-19)
- 超低静态电流电源管理IC延长便携应用工作时间(04-14)
- 电源设计小贴士 2:驾驭噪声电源(01-01)
- 负载点降压稳压器及其稳定性检查方法(07-19)
- 电源设计小贴士 3:阻尼输入滤波器(第一部分)(01-16)
