基于51单片机的压力测量控制系统研发
时间:09-13
来源:互联网
点击:
1 引言
目前我国发展煤炭生产机械化发展迅速。综采设备的应用,是提高效率、改善安全状况的措施。
影响开机率的一个主要因素是支架对工作面的顶板控制的好坏,因此,对综采工作面进行矿压监测与控制是很有必要的。要做到这一点,首先需要对井下工作面的液压支架的实际工作状况进行监测,通过对检测数据处理、分析,评定其效果,并采取相应措施,以提高开机率、提高产量。本文以监测综采液压支架的压力为研究内容,开发了一套基于单片机的压力测量控制系统。
2 压力测量控制系统功能设计
压力测量控制系统用于监测支架压力, 每台测量控制系统配有四只传感器, 可分别通过高压油管连接支架的立柱、平衡千斤顶, 前探梁千斤顶的油压腔。压力测量控制系统接收到通讯测量控制系统传来的数据采集命令后, 采集四通道的压力, 传给通讯测量控制系统, 再由通讯测量控制系统传至地面。压力测量控制系统设有按键, 当按下时, 可在LCD液晶显示窗口循环显示四通道的压力值。
3 压力测量控制系统的结构件设计

图1 压力测量控制系统框图
压力测量控制系统的结构如图1所示, 它以80C51单片机为核心, 包括传感器、光耦、多路数据开关、LCD液晶显示器、SRAM, EPROM、自动复位电路、RS-485接口电路及高效电源电路等。下面分别介绍一下它们各自的设计特点。
3.1 传感器
传感器采用前面设计的活塞传压大量程谐振弦式液压传感器,传感器输出幅度为5伏的矩形波。
3.2 信号输入电路
(1) 多路数据开关(多路数据选择器)74HC151
74HC 151是8选1数据选择器,它有8个数据输入端D0--D7, 1个选通端S, 3个数据选择端A, B, C和2个输出端Y, W。当3个数据选择端A, B, C从000到111之间变化时,可选择不同的通道。
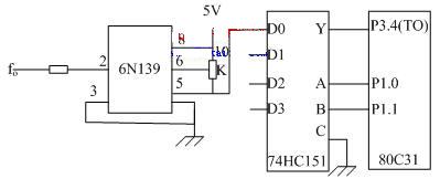
(2) 信号输入电路: 以D0通道为例,其电路如图2所示。

图2 信号输入电路
由图2看出,传感器频率信号是通过光电耦合器6N139耦合到74HC151的输入引脚D0。80C51的P1.0, P1.1输出控制码,选择D0--D3输入中的一路,用单片机的T0测信号频率。
3.3 80C51外扩8KB EPROM和8KB SRAM
在压力测量控制系统中,80C51扩展8K的EPROM (27C64)和8K的SRAM (6264)作为外部的程序存贮器和数据存贮器。选择了较低的6MHz作为80C51单片机的工作频率,能满足数据采集要求,同时还可以降低单片机的功耗,扩展系统连接图如图3所示。

图3 压力测量控制系统80C51扩展系统
在80C51单片机中,外部I/O口是作为外部RAM来扩展的,选址的方法与扩充外部RAM的方法完全相同。本电路除了外部的RAM外,还有LCD显示器作为外部I/O器件,因此,只采用线选址方式是不够的,应采用译码选址方式。
3.4 LCM点阵式液晶显示模块接口设计
LCM点阵式液晶显示模块能显示的字符多,并且能显示汉字,因而在智能化测量控制仪表中得到了广泛的应用。本系统选用的是EPSON公司生产的EA-D20040AR点阵式液晶显示模块,它由TN型液晶显示器、CMOS驱动器和CMOS控制器组成,模块内集成有字符发生器和数据存贮器,采用单±5V电源供电,内部有能显示96个ASCII字符和92个特殊字符的字库。EA-D20040AR与单片机80C51的接口电路如图4所示:

图4 EA-D20040AR与80C51的接口电路
3.5电源电路
本系统的通讯测量控制系统及所有的压力测量控制系统共用同一本安电源,应尽量地降低线路损耗, 提高电源工作效率。为此, 压力测量控制系统除控制传感器的电源供电外, 还采用了美国MAXIM公司的高效、+5V输出可调降低压稳压器MAX639, 可将+5.5~+11.5V之间的电池电压转换为+5V出, 并在整个电压范围内提供100mA输出电流, 静态电流仅为10μA, 效率高于90%。
MAX639所需外围器件较少, 即一个小的廉价电感、一个输入旁路电容、一个滤波电容和一个肖基特二极管, 不需要任何补偿元件。它实质上是一个降压DC-DC转换器, 当开关合上时, 加到电感上的电压等于V+减VOUT, 通过电感的电流斜坡上升, 从而在电感的电场中储能, 该电流还流入输出滤波电容和负载; 当开关断开时, 此电流以相同的方式流过电感, 但因开关此时已断开,它必然要流过二极管。当开关断开时, 电感仅供给负载电流, 并且这个电流随着电感磁场储存的能量转移到输出滤波电容和负载中而减少为零。
3.6 RS-485接口电路
本系统中,通讯测量控制系统与各压力测量控制系统属主从式通讯网络,为适合此远距离、多点、干扰大的通讯环境,采用RS-485接口电路。本系统中选用的MAX483接口电路,是由MAXIM生产的专用于RS-485通讯的小功率收发器,含有一个驱动器和一个接收器,其特点是具有减小转换速率的驱动器,可以使EMI(电磁干扰)减到最少,并减少因电缆终端不适当而产生的影响,可以以高达250kb/s的速率无误差地传送数据。
3.7 自动复位电路
由于压力测量控制系统在井下连续运行,为了防止由于意外干扰引起“死机”,特在压力测量控制系统引入自动复位电路,即看门狗电路。看门狗电路种类很多,为了减少元件个数,本系统选用MAX706。
MAX706确保在加电期间复位,并防止掉电或降压情况下微处理器代码执行出错。在加电时一旦 Vcc达到1V,即可保证 输出低电平,当Vcc上升超过复位门限电压时,需经过大约200ms,一个内部定时器才允许 变为当电平。只要VCC降低到复位门限电压以下, 就变为低电平。
MAX706看门狗电路还监控微处理器的工作,如果在1.6S内微处理器不触发看门狗输入(WDI)且WDI并非处于三态,WDO将变为低电平。
4 压力测量控制系统软件设计
压力测量控制系统的程序由主程序和几个子程序组成。子程序主要包括测频率子程序、计算压力子程序、显示数据子程序、串行通讯子程序等。
4.1 测频率子程序
单片机多倍周期同步法测量的两种情形,本系统选用第二种方法,即固定TM的多倍周期测量法。
4.2 计算压力子程序
当单片机测完一个信号频率后,取出对应的压力盒常数A, B, f0,由公式

计算出压力P(为兆帕)或换算成其他单位的压力值。
4.3 显示数据子程序
单片机把前面计算出的压力值输出到LCM液晶显示模块显示。LCM液晶显示模块EA-D20040AR的初始化程序如下:
START: MOV DPTR, #2000H;置指令寄存器地址
MOV A, #38H; 置功能,数据以8位操作,2行显示,5X7点阵
MOVX @DPTR, A
MOV A, #06H; 置输入模式,设置AC为增量方式,显示屏不移动
MOVX @DPTR, A
MOV A, #OEH: 置显示开/关控制,显示开,显示光标,闪耀关
MOVX @DPTR, A
MOV A, #01H; 总清,清除屏幕,置AC地址为零
MOVX @DPTR, A
RET
4.4 压力测量控制系统串行通讯子程序
本系统中,各压力测量控制系统与通讯测量控制系统之间属于多机通讯。通讯测量控制系统为主机,各压力测量控制系统为从机。压力机发送数据,通讯测量控制系统接收数据。
压力测量控制系统(从机)中断方式通讯程序程序设计思想是:在主程序中设置好与串行通讯接收和中断有关的初始化工作后,等待中断,在收到一帧地址信息后启动中断进入通讯服务程序,在以后的接收或发送通讯中就采用查询方式,直到本次通讯结束,由中断返回到主程序。其中若从机未作好发送准备及出现非法命令等也从中断返回,在主程序中作好准备。主机应重新和从机联络,使从机再次进入串行口中断。
本文作者创新点:
本文设计的压力测量控制系统以80C51单片机为核心,包括传感器、光耦6N139、数据开关74HC151、点阵式液晶显示模块EA-D20040AR, RS-485接口电路及高效电源电路等。测控系统接收到通讯分机传来的数据采集命令后,采集四通道的压力,传给通讯分机,再由通讯分机传到地面, 实现了快速监测处理和及时反馈信息。
目前我国发展煤炭生产机械化发展迅速。综采设备的应用,是提高效率、改善安全状况的措施。
影响开机率的一个主要因素是支架对工作面的顶板控制的好坏,因此,对综采工作面进行矿压监测与控制是很有必要的。要做到这一点,首先需要对井下工作面的液压支架的实际工作状况进行监测,通过对检测数据处理、分析,评定其效果,并采取相应措施,以提高开机率、提高产量。本文以监测综采液压支架的压力为研究内容,开发了一套基于单片机的压力测量控制系统。
2 压力测量控制系统功能设计
压力测量控制系统用于监测支架压力, 每台测量控制系统配有四只传感器, 可分别通过高压油管连接支架的立柱、平衡千斤顶, 前探梁千斤顶的油压腔。压力测量控制系统接收到通讯测量控制系统传来的数据采集命令后, 采集四通道的压力, 传给通讯测量控制系统, 再由通讯测量控制系统传至地面。压力测量控制系统设有按键, 当按下时, 可在LCD液晶显示窗口循环显示四通道的压力值。
3 压力测量控制系统的结构件设计

图1 压力测量控制系统框图
压力测量控制系统的结构如图1所示, 它以80C51单片机为核心, 包括传感器、光耦、多路数据开关、LCD液晶显示器、SRAM, EPROM、自动复位电路、RS-485接口电路及高效电源电路等。下面分别介绍一下它们各自的设计特点。
3.1 传感器
传感器采用前面设计的活塞传压大量程谐振弦式液压传感器,传感器输出幅度为5伏的矩形波。
3.2 信号输入电路
(1) 多路数据开关(多路数据选择器)74HC151
74HC 151是8选1数据选择器,它有8个数据输入端D0--D7, 1个选通端S, 3个数据选择端A, B, C和2个输出端Y, W。当3个数据选择端A, B, C从000到111之间变化时,可选择不同的通道。
(2) 信号输入电路: 以D0通道为例,其电路如图2所示。

图2 信号输入电路
由图2看出,传感器频率信号是通过光电耦合器6N139耦合到74HC151的输入引脚D0。80C51的P1.0, P1.1输出控制码,选择D0--D3输入中的一路,用单片机的T0测信号频率。
3.3 80C51外扩8KB EPROM和8KB SRAM
在压力测量控制系统中,80C51扩展8K的EPROM (27C64)和8K的SRAM (6264)作为外部的程序存贮器和数据存贮器。选择了较低的6MHz作为80C51单片机的工作频率,能满足数据采集要求,同时还可以降低单片机的功耗,扩展系统连接图如图3所示。

图3 压力测量控制系统80C51扩展系统
在80C51单片机中,外部I/O口是作为外部RAM来扩展的,选址的方法与扩充外部RAM的方法完全相同。本电路除了外部的RAM外,还有LCD显示器作为外部I/O器件,因此,只采用线选址方式是不够的,应采用译码选址方式。
3.4 LCM点阵式液晶显示模块接口设计
LCM点阵式液晶显示模块能显示的字符多,并且能显示汉字,因而在智能化测量控制仪表中得到了广泛的应用。本系统选用的是EPSON公司生产的EA-D20040AR点阵式液晶显示模块,它由TN型液晶显示器、CMOS驱动器和CMOS控制器组成,模块内集成有字符发生器和数据存贮器,采用单±5V电源供电,内部有能显示96个ASCII字符和92个特殊字符的字库。EA-D20040AR与单片机80C51的接口电路如图4所示:

图4 EA-D20040AR与80C51的接口电路
3.5电源电路
本系统的通讯测量控制系统及所有的压力测量控制系统共用同一本安电源,应尽量地降低线路损耗, 提高电源工作效率。为此, 压力测量控制系统除控制传感器的电源供电外, 还采用了美国MAXIM公司的高效、+5V输出可调降低压稳压器MAX639, 可将+5.5~+11.5V之间的电池电压转换为+5V出, 并在整个电压范围内提供100mA输出电流, 静态电流仅为10μA, 效率高于90%。
MAX639所需外围器件较少, 即一个小的廉价电感、一个输入旁路电容、一个滤波电容和一个肖基特二极管, 不需要任何补偿元件。它实质上是一个降压DC-DC转换器, 当开关合上时, 加到电感上的电压等于V+减VOUT, 通过电感的电流斜坡上升, 从而在电感的电场中储能, 该电流还流入输出滤波电容和负载; 当开关断开时, 此电流以相同的方式流过电感, 但因开关此时已断开,它必然要流过二极管。当开关断开时, 电感仅供给负载电流, 并且这个电流随着电感磁场储存的能量转移到输出滤波电容和负载中而减少为零。
3.6 RS-485接口电路
本系统中,通讯测量控制系统与各压力测量控制系统属主从式通讯网络,为适合此远距离、多点、干扰大的通讯环境,采用RS-485接口电路。本系统中选用的MAX483接口电路,是由MAXIM生产的专用于RS-485通讯的小功率收发器,含有一个驱动器和一个接收器,其特点是具有减小转换速率的驱动器,可以使EMI(电磁干扰)减到最少,并减少因电缆终端不适当而产生的影响,可以以高达250kb/s的速率无误差地传送数据。
3.7 自动复位电路
由于压力测量控制系统在井下连续运行,为了防止由于意外干扰引起“死机”,特在压力测量控制系统引入自动复位电路,即看门狗电路。看门狗电路种类很多,为了减少元件个数,本系统选用MAX706。
MAX706确保在加电期间复位,并防止掉电或降压情况下微处理器代码执行出错。在加电时一旦 Vcc达到1V,即可保证 输出低电平,当Vcc上升超过复位门限电压时,需经过大约200ms,一个内部定时器才允许 变为当电平。只要VCC降低到复位门限电压以下, 就变为低电平。
MAX706看门狗电路还监控微处理器的工作,如果在1.6S内微处理器不触发看门狗输入(WDI)且WDI并非处于三态,WDO将变为低电平。
4 压力测量控制系统软件设计
压力测量控制系统的程序由主程序和几个子程序组成。子程序主要包括测频率子程序、计算压力子程序、显示数据子程序、串行通讯子程序等。
4.1 测频率子程序
单片机多倍周期同步法测量的两种情形,本系统选用第二种方法,即固定TM的多倍周期测量法。
4.2 计算压力子程序
当单片机测完一个信号频率后,取出对应的压力盒常数A, B, f0,由公式

计算出压力P(为兆帕)或换算成其他单位的压力值。
4.3 显示数据子程序
单片机把前面计算出的压力值输出到LCM液晶显示模块显示。LCM液晶显示模块EA-D20040AR的初始化程序如下:
START: MOV DPTR, #2000H;置指令寄存器地址
MOV A, #38H; 置功能,数据以8位操作,2行显示,5X7点阵
MOVX @DPTR, A
MOV A, #06H; 置输入模式,设置AC为增量方式,显示屏不移动
MOVX @DPTR, A
MOV A, #OEH: 置显示开/关控制,显示开,显示光标,闪耀关
MOVX @DPTR, A
MOV A, #01H; 总清,清除屏幕,置AC地址为零
MOVX @DPTR, A
RET
4.4 压力测量控制系统串行通讯子程序
本系统中,各压力测量控制系统与通讯测量控制系统之间属于多机通讯。通讯测量控制系统为主机,各压力测量控制系统为从机。压力机发送数据,通讯测量控制系统接收数据。
压力测量控制系统(从机)中断方式通讯程序程序设计思想是:在主程序中设置好与串行通讯接收和中断有关的初始化工作后,等待中断,在收到一帧地址信息后启动中断进入通讯服务程序,在以后的接收或发送通讯中就采用查询方式,直到本次通讯结束,由中断返回到主程序。其中若从机未作好发送准备及出现非法命令等也从中断返回,在主程序中作好准备。主机应重新和从机联络,使从机再次进入串行口中断。
本文作者创新点:
本文设计的压力测量控制系统以80C51单片机为核心,包括传感器、光耦6N139、数据开关74HC151、点阵式液晶显示模块EA-D20040AR, RS-485接口电路及高效电源电路等。测控系统接收到通讯分机传来的数据采集命令后,采集四通道的压力,传给通讯分机,再由通讯分机传到地面, 实现了快速监测处理和及时反馈信息。
单片机 传感器 LCD 51单片机 显示器 电路 CMOS 电压 电流 电感 电容 二极管 收发器 看门狗 相关文章:
- 基于nRF2401智能无线火灾监控系统设计(04-01)
- 家居安防无线监控报警系统(04-02)
- 高精度压力测控系统的试验研究(04-08)
- 提高实时系统数据采集质量的研究(04-09)
- 基于MSP430的低功耗便携式测温仪设计(06-18)
- 以超低功耗微处理器MSP430为核心的热计量表设计(06-18)
