无位置传感器无刷直流电机的换相方式研究
时间:03-10
来源:互联网
点击:
引言
永磁无刷直流电机由于其无换向火花、运行可靠、维护方便、结构简单、无励磁损耗等众多优点,自20世纪50年代出现以来,就在很多场合得到越来越广泛的应用[1]。传统的永磁无刷直流电机均需一个附加的位置传感器,用以向逆变桥提供必要的换向信号。它的存在给直流无刷电机的应用带来很多不便:首先,位置传感器会增加电机的体积和成本;其次,连线众多的位置传感器会降低电机运行的可靠性,即便是现在应用最为广泛的霍尔传感器,也存在一定程度的磁不敏感区;再次,在某些恶劣的工作环境中,如在密封的空调压缩机中,由于制冷剂的强腐蚀性,常规的位置传感器根本就无法使用;此外,传感器的安装精度还会影响电机的运行性能,增加生产的工艺难度。针对位置传感器所带来的种种不利影响,近一二十年来,永磁无刷直流电机的无位置传感器控制一直是国内外较为热门的研究课题[2]。从20世纪70年代末开始,截至目前为止,永磁无刷直流电机的无位置传感器控制已大致经历了3个发展阶段,针对不同的电机性能和应用场合出现了不同的控制理论和实现方法,如反电势法、续流二极管法、电感法等。
所谓的无位置传感器控制,正确的理解应该是无机械的位置传感器控制,在电机运转的过程中,作为逆变桥功率器件换向导通时序的转子位置信号仍然是需要的,只不过这种信号不再由位置传感器来提供,而应该由新的位置信号检测措施来代替,即以提高电路和控制的复杂性来降低电机的复杂性。所以,目前永磁无刷直流电机无位置传感器控制研究的核心和关键就是架构一转子位置信号检测线路,从软硬件两个方面来间接获得可靠的转子位置信号,借以触发导通相应的功率器件,驱动电机运转。
1传统反电动势检测方法
无刷直流电机中,受定子绕组产生的合成磁场的作用,转子沿着一定的方向转动。电机定子上放有电枢绕组,因此,转子一旦旋转就会在空间形成导体切割磁力线的情况。根据电磁感应定律可知,导体切割磁力线会在导体中产生感应电热。所以,在转子旋转的时候就会在定子绕组中产生感应电势,即运动电势,一般称为反电图1动势或反电势[3]。
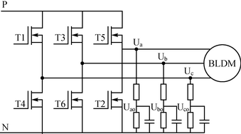
1.1传统反电动势检测的原理
具有梯形反电动势波形的三相无刷直流电机主电路,对于某一相绕组(假设A相),其导通时刻的基本电路原理图如图1所示[4]。

图1
1.2反电动势的推导
无刷直流电机的三相端电压方程:

由于采用两相导通三相六拍运行方式,任一瞬间只有两相导通,设A相、B相导通,且A+,B-,则A、B两相电流大小相等,方向相反,C相电流为零。
由于Ia=-Ib,Ic=0,得:

式(5)即为C相反电动势检测方程。
同理,A和B相反电动势检测方程为:

但是实际上,绕组的反电动势难以直接测取,因此,通常的做法是检测电机端电压信号,进行比较来间接获取绕组反电动势信号的过零点,从而确定转子的位置,故这种方法又称为“端电压法”[5]。
基于端电压的反电动势检测电路如图2所示,将端电压Ua、Ub、Uc分压后,经过滤波得到检测信号Ua、Ub、Uc,检测电路的O点与电源负极相连,因此式(5)~(7)转化为:

图2
根据上述结论,检测到反电动势过零点后,再延迟30°即为无刷直流电动机的换相点。但实际的位置检测信号是经过阻容滤波后得到的,其零点必然会产生相位偏移,实际应用时必须进行相位补偿。
2新型检测方式的提出
针对以上现有技术存在的缺点,提出一种电路简单、成本低、恒零相移滤波,无需构建虚拟中性点,无需速度估测器和相移校正,在整个高转速比的范围内都能保持输出准确换相信号。该换相信号与霍尔传感器输出的换相信号完全一致,无需高速控制IC,可以直接使用与霍尔传感器相配套的低价控制IC。
2.1电路构成
本设计采用方案包括3个分压电路、3个恒零相移滤波电路和3个线电压比较器,如图3所示。其特征在于3个分压电路分别由两个电阻R1、R2串联,其R1的一端作为输入端分别无刷直流电机的三相电机线连接,R2接地,R1、R2的连接点作为输出端,分别与相应线电压比较器的正确输入端连接;3个恒相移滤波电路分别由两个电阻R3、R4,两个电容C1、C2和一个集成运放构成。电容C1并连接于分压电路R2。电容C2的一端与运放的正输入端连接并与电容C1的一端连接,另一端与运放的负输入端连接。电阻R4的一端与运放的负输入端连接,另一端接地。3个线电压比较器的正输入端分别与相应分压电路的输出端连接,而负输入端分别与相邻分压电路的输出端连接。各线电压比较器的输出分别作为电机的换相信号。

图3
2.2电路分析
本设计与以往技术相比,由于采用了不随电机转速变化的恒零相移滤波电路,无需相移校正,而送到比较器正负端的电压是两路没有相移的端电压,无需构建虚拟中性点。比较器检测到的是线电压的过零点,这个过零点正好对应电机的换向点,因此,输出的换相信号与霍尔传感器输出的换相信号完全一致。在无刷直流电机高转速比的范围内,无需高速控制IC,可以直接使用与霍尔传感器相配套的低价控制IC,电路结构简单,成本低,可以替代霍尔传感器广泛应用在家电、计算机外设和电动车用等无刷直流电机上。
电机三相端电压Va、Vb、Vc经3个分压电路和恒零相移滤波电路后,得到幅值减小的平滑端电压Vao、Vbo、Vco,滤波前后每一相端电压的相移角度?为:?

式中ω为电机运行的角速度。
只要设计C1=R3R4C4,就可以使得滤波前后的相移角度恒为零,确保端电压的过零点滤波前后不会跟随电机速度的变化而移动,无需相移校正。图3相邻两相的恒零相移端电压送到比较器后,比较器比较的是两相端电压,实质上就是检测线电压的过零点。这个过零点正好对应电机的换相点,因此,比较器输出的换相信号与霍尔传感器输出的换相信号完全一致。
2.3实验验证
Va、Vb、Vc、 Vao、Vbo、Vco及各换相信号的波形图略——编者注。
结语
本文利用无刷直流电机端电压设计的换相控制电路,结构简单,运行可靠。经过实验证实,此电路输出的换相信号与霍尔传感器输出的换相信号完全一致,从而在一定程度上可以替代霍尔传感器,并可应用于较高温、高压、高辐射等传感器无法胜任的场合。不过由于器件自身的局限性,在一些更加恶劣场合的应用还有待测试和改善。
永磁无刷直流电机由于其无换向火花、运行可靠、维护方便、结构简单、无励磁损耗等众多优点,自20世纪50年代出现以来,就在很多场合得到越来越广泛的应用[1]。传统的永磁无刷直流电机均需一个附加的位置传感器,用以向逆变桥提供必要的换向信号。它的存在给直流无刷电机的应用带来很多不便:首先,位置传感器会增加电机的体积和成本;其次,连线众多的位置传感器会降低电机运行的可靠性,即便是现在应用最为广泛的霍尔传感器,也存在一定程度的磁不敏感区;再次,在某些恶劣的工作环境中,如在密封的空调压缩机中,由于制冷剂的强腐蚀性,常规的位置传感器根本就无法使用;此外,传感器的安装精度还会影响电机的运行性能,增加生产的工艺难度。针对位置传感器所带来的种种不利影响,近一二十年来,永磁无刷直流电机的无位置传感器控制一直是国内外较为热门的研究课题[2]。从20世纪70年代末开始,截至目前为止,永磁无刷直流电机的无位置传感器控制已大致经历了3个发展阶段,针对不同的电机性能和应用场合出现了不同的控制理论和实现方法,如反电势法、续流二极管法、电感法等。
所谓的无位置传感器控制,正确的理解应该是无机械的位置传感器控制,在电机运转的过程中,作为逆变桥功率器件换向导通时序的转子位置信号仍然是需要的,只不过这种信号不再由位置传感器来提供,而应该由新的位置信号检测措施来代替,即以提高电路和控制的复杂性来降低电机的复杂性。所以,目前永磁无刷直流电机无位置传感器控制研究的核心和关键就是架构一转子位置信号检测线路,从软硬件两个方面来间接获得可靠的转子位置信号,借以触发导通相应的功率器件,驱动电机运转。
1传统反电动势检测方法
无刷直流电机中,受定子绕组产生的合成磁场的作用,转子沿着一定的方向转动。电机定子上放有电枢绕组,因此,转子一旦旋转就会在空间形成导体切割磁力线的情况。根据电磁感应定律可知,导体切割磁力线会在导体中产生感应电热。所以,在转子旋转的时候就会在定子绕组中产生感应电势,即运动电势,一般称为反电图1动势或反电势[3]。
1.1传统反电动势检测的原理
具有梯形反电动势波形的三相无刷直流电机主电路,对于某一相绕组(假设A相),其导通时刻的基本电路原理图如图1所示[4]。

图1
1.2反电动势的推导
无刷直流电机的三相端电压方程:

由于采用两相导通三相六拍运行方式,任一瞬间只有两相导通,设A相、B相导通,且A+,B-,则A、B两相电流大小相等,方向相反,C相电流为零。
由于Ia=-Ib,Ic=0,得:

式(5)即为C相反电动势检测方程。
同理,A和B相反电动势检测方程为:

但是实际上,绕组的反电动势难以直接测取,因此,通常的做法是检测电机端电压信号,进行比较来间接获取绕组反电动势信号的过零点,从而确定转子的位置,故这种方法又称为“端电压法”[5]。
基于端电压的反电动势检测电路如图2所示,将端电压Ua、Ub、Uc分压后,经过滤波得到检测信号Ua、Ub、Uc,检测电路的O点与电源负极相连,因此式(5)~(7)转化为:

图2
根据上述结论,检测到反电动势过零点后,再延迟30°即为无刷直流电动机的换相点。但实际的位置检测信号是经过阻容滤波后得到的,其零点必然会产生相位偏移,实际应用时必须进行相位补偿。
2新型检测方式的提出
针对以上现有技术存在的缺点,提出一种电路简单、成本低、恒零相移滤波,无需构建虚拟中性点,无需速度估测器和相移校正,在整个高转速比的范围内都能保持输出准确换相信号。该换相信号与霍尔传感器输出的换相信号完全一致,无需高速控制IC,可以直接使用与霍尔传感器相配套的低价控制IC。
2.1电路构成
本设计采用方案包括3个分压电路、3个恒零相移滤波电路和3个线电压比较器,如图3所示。其特征在于3个分压电路分别由两个电阻R1、R2串联,其R1的一端作为输入端分别无刷直流电机的三相电机线连接,R2接地,R1、R2的连接点作为输出端,分别与相应线电压比较器的正确输入端连接;3个恒相移滤波电路分别由两个电阻R3、R4,两个电容C1、C2和一个集成运放构成。电容C1并连接于分压电路R2。电容C2的一端与运放的正输入端连接并与电容C1的一端连接,另一端与运放的负输入端连接。电阻R4的一端与运放的负输入端连接,另一端接地。3个线电压比较器的正输入端分别与相应分压电路的输出端连接,而负输入端分别与相邻分压电路的输出端连接。各线电压比较器的输出分别作为电机的换相信号。

图3
2.2电路分析
本设计与以往技术相比,由于采用了不随电机转速变化的恒零相移滤波电路,无需相移校正,而送到比较器正负端的电压是两路没有相移的端电压,无需构建虚拟中性点。比较器检测到的是线电压的过零点,这个过零点正好对应电机的换向点,因此,输出的换相信号与霍尔传感器输出的换相信号完全一致。在无刷直流电机高转速比的范围内,无需高速控制IC,可以直接使用与霍尔传感器相配套的低价控制IC,电路结构简单,成本低,可以替代霍尔传感器广泛应用在家电、计算机外设和电动车用等无刷直流电机上。
电机三相端电压Va、Vb、Vc经3个分压电路和恒零相移滤波电路后,得到幅值减小的平滑端电压Vao、Vbo、Vco,滤波前后每一相端电压的相移角度?为:?

式中ω为电机运行的角速度。
只要设计C1=R3R4C4,就可以使得滤波前后的相移角度恒为零,确保端电压的过零点滤波前后不会跟随电机速度的变化而移动,无需相移校正。图3相邻两相的恒零相移端电压送到比较器后,比较器比较的是两相端电压,实质上就是检测线电压的过零点。这个过零点正好对应电机的换相点,因此,比较器输出的换相信号与霍尔传感器输出的换相信号完全一致。
2.3实验验证
Va、Vb、Vc、 Vao、Vbo、Vco及各换相信号的波形图略——编者注。
结语
本文利用无刷直流电机端电压设计的换相控制电路,结构简单,运行可靠。经过实验证实,此电路输出的换相信号与霍尔传感器输出的换相信号完全一致,从而在一定程度上可以替代霍尔传感器,并可应用于较高温、高压、高辐射等传感器无法胜任的场合。不过由于器件自身的局限性,在一些更加恶劣场合的应用还有待测试和改善。
传感器 霍尔传感器 二极管 电感 电路 电压 电流 电动机 比较器 电阻 电容 相关文章:
- 多核及虚拟化技术在工业和安全领域的应用(05-23)
- 基于ARM核的AT75C220及其在指纹识别系统中的应用(05-24)
- 基于音频信号的轴承故障诊断方法(03-17)
- 采用信号调理IC驱动应变片电桥传感器(05-26)
- 基于nRF2401智能无线火灾监控系统设计(04-01)
- 家居安防无线监控报警系统(04-02)
