磁阻角度和线性位置测量
时间:08-10
来源:互联网
点击:
电路功能与优势
图1所示紧凑型双芯片电路提供非接触式各向异性磁阻(AMR)测量解决方案,可用于角度或线性位置测量。 该双芯片系统在180°范围内具有优于0.2°的角精度,在0.5英寸范围内具有2 mil(0.002英寸)线性精度,具体取决于所用磁体的尺寸。
该电路适用于高速、高精度、非接触式角度和长度测量关键型应用,比如机床速度控制、起重机角度控制、无刷直流电机和其他工业或汽车应用。

图1. 磁阻角度和线性检测系统(原理示意图: 未显示去耦和所有连接)
电路描述
ADA4571是一款各向异性磁阻(AMR)传感器,集成信号调理放大器和ADC驱动器,以及用于温度补偿的温度传感器。
ADA4571产生两路模拟输出,指示周围磁场的角位置。
ADA4571集成一个AMR传感器和一个固定增益(标称值G = 40)仪表放大器。ADA4571可提供有关旋转磁场角度的干净且经过放大的余弦和正弦输出信号。 T输出电压范围与电源电压成比例。
传感器含有两个互成45°角的透磁合金惠斯登电桥。 x-y传感器平面的旋转磁场提供两路正弦输出信号,且传感器与磁场方向的角度(α)频率翻倍。 在x-y平面的均质场内,输出信号与z方向(气隙)的物理位置无关。
正弦和余弦输出端的输出电压摆幅范围为7% VDD至93% VDD。 有两个诊断频段(VDD的0%至7%和VDD的93%至100%),因而可向所有内部连接提供焊线断开检测。
ADA4571采用8引脚SOIC封装。
VSIN和VCOS输出的输出阻抗为50 Ω,采用外部10 nF电容时组成318 kHz噪声滤波器。
AD7866是一款双通道、同步采样、12位、1 MSPS SAR ADC。RANGE引脚的极性确定模拟输入范围和输出编码。 如果片选信号变为低电平时该引脚连接逻辑高电平,则下次转换的模拟输入范围为0 V至2 × VREF(0 V至5 V),为ADA4571 AMR传感器的0.35 V至4.65 V信号提供大约350 mV裕量。
将REFSEL引脚连接至低电平可配置ADC使用内部2.5 V基准电压源。 VREF引脚提供该电压,但将其用于系统的其他位置前必须先使用缓冲器。 DCAPA引脚和DCAPB引脚采用470 nF电容去耦,确保ADC正常工作。
AD7866同步采样传感器的两个通道。 数字字通常在DOUTA和DOUTB端提供。每个数据流包括1个前导零,随后是3个状态位,再加上12位转换数据。 然而,保持CS引脚为低电平并持续额外16个时钟周期,则两个数字字均可从一个通道(DOUTA)获取。 因此,SPI接口允许在一条数据线路上 访问两个通道。
AD7866的两个ADC输入均带有双通道多路复用器。A0输入引脚上的逻辑0允许A1和A2输入端转换,而A0输入引脚上的逻辑1允许B1和B2输入端转换。ADA4571的温度传感器输出连接AD7866的B1输入,并允许对系统进行软件温度校准。
[I]磁阻(MR)理论 [/I]
磁阻是存在外部磁场时,材料改变其电阻值的能力。 最常用的MR传感器基于AMR技术。

图2. 各向异性磁阻示例
AMR效应示例如图2所示。 电流(I)流过导体,受外部磁场(HY)影响。 导体电阻的变化与磁化矢量(M)和电流矢量(I)之间的角度成函数关系。 磁化矢量是内部磁场(HX)与施加的外部磁场(HY)的净求和结果。
当磁化矢量(M)与电流矢量(I)平行时,具有最大电阻。 当磁化矢量(M)与电流矢量(I)垂直时,具有最小电阻。
有效利用AMR效应要求导体自身必须对机械应力材料不敏感,但对磁约束敏感。 由于这些原因,透磁合金(80%镍,20%铁)是AMR传感器制造中最常用的合金。
[I]透磁合金属性 [/I]
透磁合金条有两个属性,创建角度测量系统时会具有设计挑战性。
首先,透磁合金具有较窄的线性工作区(见图3)。 仅当磁化矢量(M)和电流矢量(I)之间的角度变大时,响应才是线性的。 不幸的是,线性响应不久后透磁合金就会饱和。

图3. 透磁合金电阻与磁场的关系
其次,透磁合金对极性不敏感。 无论磁化矢量(M)和电流矢量(I)之间的角度是正或负,透磁合金条的电阻都将下降。
[I]双色条磁极 [/I]
改善透磁合金条线性度和磁极非敏感特性的常用方法是与金属条的轴向成45°添加铝条(称为双色条磁极,如图4所示)。 双色条磁极间流动的任何电流都将走最短的路径——垂直路径,并且电流矢量(I)和磁化矢量(M)之间的角度偏移45°。

图4. 透磁合金条的双色条磁极效应
图5显示向透磁合金条中加入双色条磁极后的结果。 电流矢量偏移45,但磁化矢量保持不变。 注意,线性特性现在存在于图形的中央部分。

图5. 双色条磁极透磁合金电阻与磁场的关系
[I]磁场强度 [/I]
磁场强度至少为25 kA/m,才能确保满足ADA4571数据手册中的规格。 该激励磁场必须与ADA4571封装内传感元件的中央部分相交。
选择磁体时,需考虑传感器和磁体之间的气隙,如图6所示。 如果磁体未靠近传感器放置(即距离d极大),则可能需要更强或更大的磁体才能确保达到最小磁场强度要求。

图6. 用于转轴角度测量的磁体方向与气隙
[I]传感器基础知识[/I]
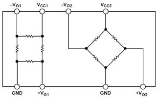
标准AMR传感器由两个惠斯登电桥组成,互相之间的相对角度为45°,如图7所示。

图7. ADA4571双惠斯登电桥配置
旋转磁场产生正弦和余弦输出信号,如图8所示。 两个信号在180°范围内均为周期信号,因此没有额外元件或参考点就无法进行全方位360°测量检测。

图8. 磁阻传感器输出电压
[I]通道灵敏度[/I]
ADA4571传感器标称灵敏度为每通道52 mV/°,这意味着磁化矢量和传感器方向之间的每一度变化都会产生52 mV的输出电压改变。角度的灵敏度并非常量。 灵敏度下降的部分是线路斜率接近零时的输出部分。
如图8所示,余弦输出(绿线)在磁化矢量角度接近0°、90°、180°或270°时损失灵敏度。 类似地,正弦输出(红线)在磁化矢量角度接近45°、135°、225°和315°时损失灵敏度。 幸运的是,当一个通道的灵敏度降低时,另一个通道处于高灵敏度区域。
[I]系统带宽、磁场旋转 [/I]
磁场角度矢量是理解电路带宽的重要内容。 ADC每微秒转换一个样本。 为了获得1°分辨率,磁场1 ms只能移动1° (2.778 kHz),否则ADC无法以足够高的速度进行采样,以便跟上磁场变化的速度。 对于1 MSPS ADC,这表示磁场的最大可用角速度为2.778 kHz。
[I]旋转测量测试结果 [/I]
将直径方向的N42磁体(直径 = 0.5英寸,厚度 = 0.125英寸)连接至金属杆的末端。 精密直流电机可对金属杆进行精细角度控制。 传感器精确安装在磁体正面。 气隙设为2 mm。只要磁铁激励使传感器完全饱和,则结果便与气隙基本无关。
电机转动,创造出与传感器相交的旋转磁场,进而产生重复性正弦和余弦输出电压,适合进行角度计算和数据采集。
图9显示了该设置的功能框图。 图10是该设置的照片,可用来采集轴尾配置的数据。 该设置由无刷直流电机、物理安装、磁体和集成相应ADA4571传感器的PCB组成。

图9. 数据采集测试设置——轴尾配置

图10. 无刷直流电机基准测试设置照片
图11通过磁体的多次转动,将电机的机械角与传感器的计算磁场角相比较。 该计算利用两个输出之比的反正切函数。 未进行校准时,误差接近±1°。

图11. 失调校正前的角误差与机械角之间的关系
图12显示仅有一次失调校正的误差。 无需针对正弦和余弦的幅度失配、非线性度或正交性校正进行额外调节。 使用每个通道的峰峰值或平均值可确定失调值,因为它贯穿整个机械旋转。 从对应通道中减去失调,以获得线性传感器响应。 最大误差接近±0.2°,而该范围内的绝大部分误差小于±0.1°。

图12. 仅针对失调进行校正后的角误差与机械角的关系
[I]线性位置测试结果 [/I]
创建增量线性位置测量系统时,只需进行极少量的修改。 采用由一系列变化的南北极组成的多极条状磁体代替现有磁体,如图13所示。

图13. 线性位置测量磁体、PCB和传感器
随着传感器沿与磁体平行方向移动,每转过磁极长度的180°,它都会检测磁场。 磁极长度(P)和传感器的角度精度(0.05°)确定理论精度(Δx)。

这样便形成了仅有一个磁极长度的绝对测量系统。 若磁体有多个磁极,则对通过的磁极进行计数可获得更精确的读数。 传感器与磁体的理想距离是磁体磁极长度的一半。
通过在数显卡尺的臂上安装磁体,测试EVAL-CN0368-SDPZ PCB。 安放EVAL-CN0368-SDPZ PCB,使其ADA4571 AMR传感器(U5)正面与磁体正面垂直。 当磁体移动时,数显卡尺显示移动的距离,精度达0.0005英寸。 同时,磁力线与传感器相交,提供可用输出范围。 图14是该设置的功能框图,图15是该设置的照片。

图14. 线性测量的数据采集测试设置

图15. 基准测试设置照片
该设置采用了长度为2英寸的磁体,放置位置离开传感器1英寸。 建议用于线性运动检测的传感器至磁体气隙等于磁体磁极长度的一半。 通过沿x轴移动磁体来采集数据,并将评估软件读数与卡尺数字显示屏的读数做比较。 图16显示1.0英寸范围内记录的输出位置误差。 整个范围内的误差为±2密耳。

图16. 磁场位置误差: 1.0英寸范围
将测量范围限制在0.4英寸可获得更好的测量结果。 注意,0.4英寸与图8所示的三角波的线性部分重合,并将测量限制在30°范围内。 对此更改范围应用新的增益校正系数,可获得±1密耳的误差,如图17所示。

图17. 磁场位置误差: 0.4英寸范围
传感器放在磁体本体的中央,如图18所示。当传感器相对磁体上下移动时,会产生一个常见误差源——垂直对齐误差。

图18. 基准测试设置照片: 垂直对齐误差
图19显示了传感器与磁体在垂直方向上未对齐所造成的误差。 测试将PCB上移或下移0.25英寸和0.5英寸,然后获取数据。 对于1.0英寸测量范围,将目标上移或下移0.25英寸会给计算增加数密耳的误差。 上移或下移0.5英寸会使测量情况更糟,原始读数的误差会增加数十密耳。

图19. 磁场位置误差: 垂直对齐误差
通过调整增益校正系数,可以减小这些误差,但无法完全消除。 增大与磁体的距离会对磁场强度产生不利影响,磁力线的方向会使得某些数据不可恢复。
第二个常见的误差源是旋转对齐误差,如图20所示。 虽然传感器和磁体相对于垂直轴上定位理想,但传感器与磁体的正面并不平行。

图20. 基准测试设置照片: 旋转对齐误差
图21显示了与旋转对齐误差有关的读数。 绿线显示了平行配置所记录的误差,红线和蓝线显示了传感器相对于磁体正面左右旋转所带来的额外误差。

图21. 磁场位置误差: 旋转对齐误差
最后一个常见的误差源是传感器至磁体距离,如图22所示。传感器与磁体的理想距离是磁体长度的一半。 增大或减小该距离都会导致数据组误差。 图22显示了磁体和传感器相距太近的基准测试设置。

图22. 基准测试设置照片: 平面距离变化
磁体与传感器的距离先后设置为0.1英寸、0.5英寸和1英寸,然后获取数据。 图23显示了不同配置相关的误差。

图23. 磁场位置误差: 平面距离变化
通过调整增益校正系数,可以减小这些误差,但无法完全消除。 增大或减小与磁体的距离会对磁场强度产生不利影响,磁力线的方向会使得某些数据不可恢复。
图24是LabVIEW评估软件的屏幕截图,该软件可用于角位置应用的一切读数显示与计算。 图25是线性测量选项卡的屏幕截图。

图24. CN0368评估软件旋转测量选项卡屏幕截图

图25. CN0368评估软件线性测量选项卡屏幕截图
校准期间确定每个惠斯登电桥的最大和最小电压输出(VMAX和VMIN)。 了解这些数值可以更精确地将电压映射到数字码。 通过选择校准方法下拉框,用户可以有两种方法确定VMAX和VMIN值。
第一种方法是在磁激励360°旋转时,软件确定VMAX和VMIN。 随后,软件计算各通道的失调电压值,并使用这些值来确定磁场角度。
第二种方法是在磁激励360°旋转时,软件确定VMAX、VMIN和VTEMP。 然后在不同的温度下重复该步骤。 软件使用这些变量计算各通道的失调电压和温度相关性,进而计算磁场角度。
[I]PCB布局考虑 [/I]
CN-0368系统的PCB采用4层板堆叠而成,具有较大面积的接地层和电源层多边形。
在任何注重精度的电路中,必须仔细考虑电路板上的电源和接地回路布局。 PCB应尽可能隔离数字部分和模拟部分。 有关布局和接地的详细论述,请参见MT-031指南;有关去耦技术的信息,请参见MT-101指南。
所有IC的电源应当用1 μF和0.1 μF电容去耦,以适当抑制噪声并减小纹波。 这些电容应尽可能靠近器件。 对于所有高频去耦,建议使用陶瓷电容。
电源走线应尽可能宽,以提供低阻抗路径,并减小电源线路上的毛刺效应。 通过数字地将时钟及其它快速开关数字信号屏蔽起来,使之不影响电路板的其它器件。 图26为PCB的照片。

图26. EVAL-CN0368-SDPZ板的照片
常见变化
如需1 MSPS以上采样速率,应考虑使用下列同步采样ADC:
如需12位或14位以上的分辨率,可使用AD7655(1 MSPS时为16位)。
电路评估与测试
本电路使用EVAL-SDP-CB1Z系统演示平台(SDP)板和EVAL-CN0368-SDPZ电路板。 这两片板具有120引脚的对接连接器,可以快速完成设置并评估电路性能。
EVAL-SDP-CB1Z板与CN0368评估软件一同使用,捕获EVAL-CN0368-SDPZ电路板的数据。
设备要求
需要以下设备:
带USB端口和Windows XP(32位)、Windows Vista(32位)或Windows 7(32位)PC
EVAL-CN0368-SDPZ电路板
EVAL-SDP-CB1Z SDP板
6 V电源或壁式电源适配器
CN0368评估软件
传感器封装处磁场强度不低于25 kA/m的钕磁体
开始使用
将CN0368评估软件光盘放入PC,加载评估软件。 打开我的电脑,找到包含评估软件光盘的驱动器,打开Readme文件。 按照Readme文件中的说明安装和使用评估软件。
功能框图
图27所示为测试设置的功能框图。

图27. 测试设置框图
设置
将EVAL-CN0368-SDPZ上的120引脚连接器连接到EVAL-SDP-CB1Z上的连接器。 使用尼龙五金配件,通过120引脚连接器两端的孔牢牢固定这两片板。
在断电情况下,将6 V直流管式插孔连接到J4连接器。 将EVAL-SDP-CB1Z附带的USB电缆连接到PC上的USB端口。 此时请勿将该USB电缆连接到SDP板上的微型USB连接器。
将钕磁体直接放置在IC之上,或置于专为旋转磁体而设计的夹具中,使IC和磁体的距离最短。
使磁场的其他来源远离IC很重要,因为任何杂散磁场都会使传感器输出电压产生误差。
测试
为直流管式插孔、J4连接器上电。 启动CN0368评估软件,并通过USB电缆将PC连接到EVAL-SDP-CB1Z上的微型USB连接器。
一旦USB通信建立,就可以使用EVAL-SDP-CB1Z来发送、接收和捕捉来自EVAL-CN0368-SDPZ的串行数据。
图1所示紧凑型双芯片电路提供非接触式各向异性磁阻(AMR)测量解决方案,可用于角度或线性位置测量。 该双芯片系统在180°范围内具有优于0.2°的角精度,在0.5英寸范围内具有2 mil(0.002英寸)线性精度,具体取决于所用磁体的尺寸。
该电路适用于高速、高精度、非接触式角度和长度测量关键型应用,比如机床速度控制、起重机角度控制、无刷直流电机和其他工业或汽车应用。

图1. 磁阻角度和线性检测系统(原理示意图: 未显示去耦和所有连接)
电路描述
ADA4571是一款各向异性磁阻(AMR)传感器,集成信号调理放大器和ADC驱动器,以及用于温度补偿的温度传感器。
ADA4571产生两路模拟输出,指示周围磁场的角位置。
ADA4571集成一个AMR传感器和一个固定增益(标称值G = 40)仪表放大器。ADA4571可提供有关旋转磁场角度的干净且经过放大的余弦和正弦输出信号。 T输出电压范围与电源电压成比例。
传感器含有两个互成45°角的透磁合金惠斯登电桥。 x-y传感器平面的旋转磁场提供两路正弦输出信号,且传感器与磁场方向的角度(α)频率翻倍。 在x-y平面的均质场内,输出信号与z方向(气隙)的物理位置无关。
正弦和余弦输出端的输出电压摆幅范围为7% VDD至93% VDD。 有两个诊断频段(VDD的0%至7%和VDD的93%至100%),因而可向所有内部连接提供焊线断开检测。
ADA4571采用8引脚SOIC封装。
VSIN和VCOS输出的输出阻抗为50 Ω,采用外部10 nF电容时组成318 kHz噪声滤波器。
AD7866是一款双通道、同步采样、12位、1 MSPS SAR ADC。RANGE引脚的极性确定模拟输入范围和输出编码。 如果片选信号变为低电平时该引脚连接逻辑高电平,则下次转换的模拟输入范围为0 V至2 × VREF(0 V至5 V),为ADA4571 AMR传感器的0.35 V至4.65 V信号提供大约350 mV裕量。
将REFSEL引脚连接至低电平可配置ADC使用内部2.5 V基准电压源。 VREF引脚提供该电压,但将其用于系统的其他位置前必须先使用缓冲器。 DCAPA引脚和DCAPB引脚采用470 nF电容去耦,确保ADC正常工作。
AD7866同步采样传感器的两个通道。 数字字通常在DOUTA和DOUTB端提供。每个数据流包括1个前导零,随后是3个状态位,再加上12位转换数据。 然而,保持CS引脚为低电平并持续额外16个时钟周期,则两个数字字均可从一个通道(DOUTA)获取。 因此,SPI接口允许在一条数据线路上 访问两个通道。
AD7866的两个ADC输入均带有双通道多路复用器。A0输入引脚上的逻辑0允许A1和A2输入端转换,而A0输入引脚上的逻辑1允许B1和B2输入端转换。ADA4571的温度传感器输出连接AD7866的B1输入,并允许对系统进行软件温度校准。
[I]磁阻(MR)理论 [/I]
磁阻是存在外部磁场时,材料改变其电阻值的能力。 最常用的MR传感器基于AMR技术。

图2. 各向异性磁阻示例
AMR效应示例如图2所示。 电流(I)流过导体,受外部磁场(HY)影响。 导体电阻的变化与磁化矢量(M)和电流矢量(I)之间的角度成函数关系。 磁化矢量是内部磁场(HX)与施加的外部磁场(HY)的净求和结果。
当磁化矢量(M)与电流矢量(I)平行时,具有最大电阻。 当磁化矢量(M)与电流矢量(I)垂直时,具有最小电阻。
有效利用AMR效应要求导体自身必须对机械应力材料不敏感,但对磁约束敏感。 由于这些原因,透磁合金(80%镍,20%铁)是AMR传感器制造中最常用的合金。
[I]透磁合金属性 [/I]
透磁合金条有两个属性,创建角度测量系统时会具有设计挑战性。
首先,透磁合金具有较窄的线性工作区(见图3)。 仅当磁化矢量(M)和电流矢量(I)之间的角度变大时,响应才是线性的。 不幸的是,线性响应不久后透磁合金就会饱和。

图3. 透磁合金电阻与磁场的关系
其次,透磁合金对极性不敏感。 无论磁化矢量(M)和电流矢量(I)之间的角度是正或负,透磁合金条的电阻都将下降。
[I]双色条磁极 [/I]
改善透磁合金条线性度和磁极非敏感特性的常用方法是与金属条的轴向成45°添加铝条(称为双色条磁极,如图4所示)。 双色条磁极间流动的任何电流都将走最短的路径——垂直路径,并且电流矢量(I)和磁化矢量(M)之间的角度偏移45°。

图4. 透磁合金条的双色条磁极效应
图5显示向透磁合金条中加入双色条磁极后的结果。 电流矢量偏移45,但磁化矢量保持不变。 注意,线性特性现在存在于图形的中央部分。

图5. 双色条磁极透磁合金电阻与磁场的关系
[I]磁场强度 [/I]
磁场强度至少为25 kA/m,才能确保满足ADA4571数据手册中的规格。 该激励磁场必须与ADA4571封装内传感元件的中央部分相交。
选择磁体时,需考虑传感器和磁体之间的气隙,如图6所示。 如果磁体未靠近传感器放置(即距离d极大),则可能需要更强或更大的磁体才能确保达到最小磁场强度要求。

图6. 用于转轴角度测量的磁体方向与气隙
[I]传感器基础知识[/I]
标准AMR传感器由两个惠斯登电桥组成,互相之间的相对角度为45°,如图7所示。

图7. ADA4571双惠斯登电桥配置
旋转磁场产生正弦和余弦输出信号,如图8所示。 两个信号在180°范围内均为周期信号,因此没有额外元件或参考点就无法进行全方位360°测量检测。

图8. 磁阻传感器输出电压
[I]通道灵敏度[/I]
ADA4571传感器标称灵敏度为每通道52 mV/°,这意味着磁化矢量和传感器方向之间的每一度变化都会产生52 mV的输出电压改变。角度的灵敏度并非常量。 灵敏度下降的部分是线路斜率接近零时的输出部分。
如图8所示,余弦输出(绿线)在磁化矢量角度接近0°、90°、180°或270°时损失灵敏度。 类似地,正弦输出(红线)在磁化矢量角度接近45°、135°、225°和315°时损失灵敏度。 幸运的是,当一个通道的灵敏度降低时,另一个通道处于高灵敏度区域。
[I]系统带宽、磁场旋转 [/I]
磁场角度矢量是理解电路带宽的重要内容。 ADC每微秒转换一个样本。 为了获得1°分辨率,磁场1 ms只能移动1° (2.778 kHz),否则ADC无法以足够高的速度进行采样,以便跟上磁场变化的速度。 对于1 MSPS ADC,这表示磁场的最大可用角速度为2.778 kHz。
[I]旋转测量测试结果 [/I]
将直径方向的N42磁体(直径 = 0.5英寸,厚度 = 0.125英寸)连接至金属杆的末端。 精密直流电机可对金属杆进行精细角度控制。 传感器精确安装在磁体正面。 气隙设为2 mm。只要磁铁激励使传感器完全饱和,则结果便与气隙基本无关。
电机转动,创造出与传感器相交的旋转磁场,进而产生重复性正弦和余弦输出电压,适合进行角度计算和数据采集。
图9显示了该设置的功能框图。 图10是该设置的照片,可用来采集轴尾配置的数据。 该设置由无刷直流电机、物理安装、磁体和集成相应ADA4571传感器的PCB组成。

图9. 数据采集测试设置——轴尾配置

图10. 无刷直流电机基准测试设置照片
图11通过磁体的多次转动,将电机的机械角与传感器的计算磁场角相比较。 该计算利用两个输出之比的反正切函数。 未进行校准时,误差接近±1°。

图11. 失调校正前的角误差与机械角之间的关系
图12显示仅有一次失调校正的误差。 无需针对正弦和余弦的幅度失配、非线性度或正交性校正进行额外调节。 使用每个通道的峰峰值或平均值可确定失调值,因为它贯穿整个机械旋转。 从对应通道中减去失调,以获得线性传感器响应。 最大误差接近±0.2°,而该范围内的绝大部分误差小于±0.1°。

图12. 仅针对失调进行校正后的角误差与机械角的关系
[I]线性位置测试结果 [/I]
创建增量线性位置测量系统时,只需进行极少量的修改。 采用由一系列变化的南北极组成的多极条状磁体代替现有磁体,如图13所示。

图13. 线性位置测量磁体、PCB和传感器
随着传感器沿与磁体平行方向移动,每转过磁极长度的180°,它都会检测磁场。 磁极长度(P)和传感器的角度精度(0.05°)确定理论精度(Δx)。

这样便形成了仅有一个磁极长度的绝对测量系统。 若磁体有多个磁极,则对通过的磁极进行计数可获得更精确的读数。 传感器与磁体的理想距离是磁体磁极长度的一半。
通过在数显卡尺的臂上安装磁体,测试EVAL-CN0368-SDPZ PCB。 安放EVAL-CN0368-SDPZ PCB,使其ADA4571 AMR传感器(U5)正面与磁体正面垂直。 当磁体移动时,数显卡尺显示移动的距离,精度达0.0005英寸。 同时,磁力线与传感器相交,提供可用输出范围。 图14是该设置的功能框图,图15是该设置的照片。

图14. 线性测量的数据采集测试设置

图15. 基准测试设置照片
该设置采用了长度为2英寸的磁体,放置位置离开传感器1英寸。 建议用于线性运动检测的传感器至磁体气隙等于磁体磁极长度的一半。 通过沿x轴移动磁体来采集数据,并将评估软件读数与卡尺数字显示屏的读数做比较。 图16显示1.0英寸范围内记录的输出位置误差。 整个范围内的误差为±2密耳。

图16. 磁场位置误差: 1.0英寸范围
将测量范围限制在0.4英寸可获得更好的测量结果。 注意,0.4英寸与图8所示的三角波的线性部分重合,并将测量限制在30°范围内。 对此更改范围应用新的增益校正系数,可获得±1密耳的误差,如图17所示。

图17. 磁场位置误差: 0.4英寸范围
传感器放在磁体本体的中央,如图18所示。当传感器相对磁体上下移动时,会产生一个常见误差源——垂直对齐误差。

图18. 基准测试设置照片: 垂直对齐误差
图19显示了传感器与磁体在垂直方向上未对齐所造成的误差。 测试将PCB上移或下移0.25英寸和0.5英寸,然后获取数据。 对于1.0英寸测量范围,将目标上移或下移0.25英寸会给计算增加数密耳的误差。 上移或下移0.5英寸会使测量情况更糟,原始读数的误差会增加数十密耳。

图19. 磁场位置误差: 垂直对齐误差
通过调整增益校正系数,可以减小这些误差,但无法完全消除。 增大与磁体的距离会对磁场强度产生不利影响,磁力线的方向会使得某些数据不可恢复。
第二个常见的误差源是旋转对齐误差,如图20所示。 虽然传感器和磁体相对于垂直轴上定位理想,但传感器与磁体的正面并不平行。

图20. 基准测试设置照片: 旋转对齐误差
图21显示了与旋转对齐误差有关的读数。 绿线显示了平行配置所记录的误差,红线和蓝线显示了传感器相对于磁体正面左右旋转所带来的额外误差。

图21. 磁场位置误差: 旋转对齐误差
最后一个常见的误差源是传感器至磁体距离,如图22所示。传感器与磁体的理想距离是磁体长度的一半。 增大或减小该距离都会导致数据组误差。 图22显示了磁体和传感器相距太近的基准测试设置。

图22. 基准测试设置照片: 平面距离变化
磁体与传感器的距离先后设置为0.1英寸、0.5英寸和1英寸,然后获取数据。 图23显示了不同配置相关的误差。

图23. 磁场位置误差: 平面距离变化
通过调整增益校正系数,可以减小这些误差,但无法完全消除。 增大或减小与磁体的距离会对磁场强度产生不利影响,磁力线的方向会使得某些数据不可恢复。
图24是LabVIEW评估软件的屏幕截图,该软件可用于角位置应用的一切读数显示与计算。 图25是线性测量选项卡的屏幕截图。

图24. CN0368评估软件旋转测量选项卡屏幕截图

图25. CN0368评估软件线性测量选项卡屏幕截图
校准期间确定每个惠斯登电桥的最大和最小电压输出(VMAX和VMIN)。 了解这些数值可以更精确地将电压映射到数字码。 通过选择校准方法下拉框,用户可以有两种方法确定VMAX和VMIN值。
第一种方法是在磁激励360°旋转时,软件确定VMAX和VMIN。 随后,软件计算各通道的失调电压值,并使用这些值来确定磁场角度。
第二种方法是在磁激励360°旋转时,软件确定VMAX、VMIN和VTEMP。 然后在不同的温度下重复该步骤。 软件使用这些变量计算各通道的失调电压和温度相关性,进而计算磁场角度。
[I]PCB布局考虑 [/I]
CN-0368系统的PCB采用4层板堆叠而成,具有较大面积的接地层和电源层多边形。
在任何注重精度的电路中,必须仔细考虑电路板上的电源和接地回路布局。 PCB应尽可能隔离数字部分和模拟部分。 有关布局和接地的详细论述,请参见MT-031指南;有关去耦技术的信息,请参见MT-101指南。
所有IC的电源应当用1 μF和0.1 μF电容去耦,以适当抑制噪声并减小纹波。 这些电容应尽可能靠近器件。 对于所有高频去耦,建议使用陶瓷电容。
电源走线应尽可能宽,以提供低阻抗路径,并减小电源线路上的毛刺效应。 通过数字地将时钟及其它快速开关数字信号屏蔽起来,使之不影响电路板的其它器件。 图26为PCB的照片。

图26. EVAL-CN0368-SDPZ板的照片
常见变化
如需1 MSPS以上采样速率,应考虑使用下列同步采样ADC:
如需12位或14位以上的分辨率,可使用AD7655(1 MSPS时为16位)。
电路评估与测试
本电路使用EVAL-SDP-CB1Z系统演示平台(SDP)板和EVAL-CN0368-SDPZ电路板。 这两片板具有120引脚的对接连接器,可以快速完成设置并评估电路性能。
EVAL-SDP-CB1Z板与CN0368评估软件一同使用,捕获EVAL-CN0368-SDPZ电路板的数据。
设备要求
需要以下设备:
带USB端口和Windows XP(32位)、Windows Vista(32位)或Windows 7(32位)PC
EVAL-CN0368-SDPZ电路板
EVAL-SDP-CB1Z SDP板
6 V电源或壁式电源适配器
CN0368评估软件
传感器封装处磁场强度不低于25 kA/m的钕磁体
开始使用
将CN0368评估软件光盘放入PC,加载评估软件。 打开我的电脑,找到包含评估软件光盘的驱动器,打开Readme文件。 按照Readme文件中的说明安装和使用评估软件。
功能框图
图27所示为测试设置的功能框图。

图27. 测试设置框图
设置
将EVAL-CN0368-SDPZ上的120引脚连接器连接到EVAL-SDP-CB1Z上的连接器。 使用尼龙五金配件,通过120引脚连接器两端的孔牢牢固定这两片板。
在断电情况下,将6 V直流管式插孔连接到J4连接器。 将EVAL-SDP-CB1Z附带的USB电缆连接到PC上的USB端口。 此时请勿将该USB电缆连接到SDP板上的微型USB连接器。
将钕磁体直接放置在IC之上,或置于专为旋转磁体而设计的夹具中,使IC和磁体的距离最短。
使磁场的其他来源远离IC很重要,因为任何杂散磁场都会使传感器输出电压产生误差。
测试
为直流管式插孔、J4连接器上电。 启动CN0368评估软件,并通过USB电缆将PC连接到EVAL-SDP-CB1Z上的微型USB连接器。
一旦USB通信建立,就可以使用EVAL-SDP-CB1Z来发送、接收和捕捉来自EVAL-CN0368-SDPZ的串行数据。
电路 传感器 放大器 ADC 温度传感器 电压 电容 滤波器 电阻 电流 PCB LabVIEW 连接器 USB 相关文章:
- 一种新型防伪读码器的设计(01-01)
- 基于ARM与DSP的嵌入式运动控制器设计(04-25)
- 航天器DC/DC变换器的可靠性设计(02-12)
- 基于ARM核的AT75C220及其在指纹识别系统中的应用(05-24)
- 基于nRF2401智能小区无线抄表系统集中器设计(04-30)
- 卫星电源分系统可靠性设计与研究(02-12)
