ZigBee_GPRS的温湿度监测系统
1概述
温湿度监测的应用需求在众多领域引起了高度关注,粮库、温室大棚、工业安全监控系统等都需要实时地监测环境温湿度。在实际应用中,参数采集点往往具有分布离散、移动性强等特点,导致传统的有线监测布线困难。随着无线传感器网络和远程传输技术的发展,为系统自动化在线实时监测提供了实现途径。基于ZigeBee无线模块传感器网络具有组网简单灵活、在线寿命长及移动性强等优点;而GPRS技术是中国移动推出的无线传输业务,采用分组交换技术,具有超强的稳定性和可靠性。本次设计正是基十这两种无线传输技术,以CC2530芯片为主体,实现了区域性传感器数据采集与远程数据传输。这种将PAN网络和GSM公用网络相融合的采集方法具有覆盖范围大、稳定性强、精度高和应用环境广泛的优势。
2 系统结构与工作原理
如图所示,该监测系统由ZigBee数据采集终端节点、ZigBee数据采集网关节点以及ZigBee数据采集移动接收终端构成。ZigBee数据采集终端节点是用来采集传感器数据,并将采集到的数据通过ZigBee网络发送到协调节点的一种精简功能设备(RFD) 。网关节点由ZigBee数传网络的全功能设备(FFD)和GSM模块TC35i构成,FFD在此又承担着PAN网络的协调器任务,所以又叫做协调节点。网关节点主要功能是ZigBee网络和GSM网络通信接口之间的转换。协调节点将收集到的数据通过RS232发送给GSM模块,从而实现将无线个域网的数据汇聚并转发到GSM公用网络;通过GSM网络,系统将采集到的温湿度数据实时一地传输到远程监控中心或用户移动终端。
3系统硬件设计
3.1 ZigBee无线模块设计
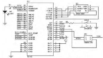
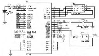
本设计的ZigBee数据采集终端节点和控制节点都是采用CC2530作为主控芯片。CC2530内部集成了符合2. 4G IEEE802.15. 4标准的射频收发器,在软件上添加ZigBee协议栈之后,可以实现ZigBee模块组网。该芯片内置了32M的品体振荡器、16M和32.768K的RC振荡器,在不同的应用需求下,可以选择对应的振荡器以降低功耗,如在体眠模式下就可以使用32. 768K的RC振荡器。另外,CC2530还内置了丰富的通信接口,如A/D模数转换接口、SPI接口及UART通用串行口,能够满足目前大部分传感器接口的应用需求。所以,使用该芯片后,系统的采集功能具有很好的扩展性。
2.2 GSM通信模块设计
网关节点的GSM通信采用西门子公司推出的支持中文短消息的工业级TC35i模块,其GPRS模块永久在线功能提供了最快的数传速率。其体积小巧、功耗低,能提供数据、短信、语音、传真等功能,可广泛用于遥感测量记录传输、远程信息处理和电话等。下图所示,SMS模块主要包括接口电路、SIM片座电路和串口电路。TC35i电源供电范围为DC3.3-4.8V。
3.3传感器模块设计
3.3.1温度传感器电路
本设计选用DS18B20作为温度传感器,是一种单总线数据温度传感器,测量范围广、精度高;通信时无需时钟线,只需一根通信线,可与CC2530的任一普通IO口实现通信,本设计采用P1. 1。外围电路配置非常简单,只需1根4. 7kSZ的上拉电阻;1脚和3脚分别接地和电源(5V) ,2脚接数据端口。
3.3.2湿度传感器电路
采用法国Humirel公司生产的HS1101作为湿度采集传感器,测量范围为0%一100% RH,误差在士2% RH,年漂移量小。HS1101的电容量会随着空气湿度的变化而呈同性变化,将HS1101振荡电路中所产生的正弦波电压信号经整流、直流放大,再通过的A/D转换模块将输出的直流电压转化为数字量。
4系统软件设计
系统ZigBee网络的实现是基于Z-Stack协议栈的,采集节点的主要任务就是负责采集传感器的数据,并且将处理后的采集数据通过ZigeBee无线模块发送给网络协调节点。采集节点上电后,首先会进行硬件的相关初始化,包括时钟初始化、无线寄存器初始化及通信接口等外围模块的初始化。然后,采集节点会扫描所有信道,寻找最佳的邻居协调者,并请求加入。由于采集节点使用电池方式供电,节点的功耗要保持很低。软件设计时,可以采用周期性发送的机制,节点只有在周期性唤醒时才会采集传感器数据并且开启无线通信功能,其他时间均处于眠状态。采集节点软件流程如图所示。
5结论
采用ZigBee技术与GPRS技术相结合的温湿度智能监测系统具有布置简单、成本低、稳定性高等特点,适用于人员不便达到的恶劣环境。该系统具有良好的扩展性,通过ZigBee数传模块简单的二次开发即可实现多种环境参数采集。为了减少ZigBee数传模块无线通信的能量损耗和网络拥塞,还可以在无线退避算法和数据融合方面作进一步的研究。
传感器 自动化 ZigBee 射频 收发器 振荡器 电路 温度传感器 总线 电阻 电容 电压 相关文章:
- 多核及虚拟化技术在工业和安全领域的应用(05-23)
- 基于ARM核的AT75C220及其在指纹识别系统中的应用(05-24)
- 基于音频信号的轴承故障诊断方法(03-17)
- 采用信号调理IC驱动应变片电桥传感器(05-26)
- 基于nRF2401智能无线火灾监控系统设计(04-01)
- 家居安防无线监控报警系统(04-02)
