理解温度传感器的多点地址分配
时间:12-25
来源:互联网
点击:
传统上,大多数采用Philips I2C I/O协议的IC具有固定(工厂设置)的从机地址用于通信。然而,许多温度应用中,可能希望在不同的位置使用多个温度传感器,在系统预定义的”区域”内监视工作温度。为支持这种应用,同时将用于通信功能的CPU资源降至最低,许多温度传感器提供用户定义从机地址的灵活性。这种用户自定义功能使用一个(或多个)附加引脚,允许将特定传感器映射为电路定义的从机地址。
按照温度传感器的I/O多点能力,用户定义的从机地址可分为三种基本类型:
1) 输入电平定义。地址输入引脚的状态可由简单的硬件(例如安装电阻)或动态CPU资源控制。可将SCL和SDA上使用的标准数字逻辑输入电平(VIH/VIL)应用至地址输入引脚。
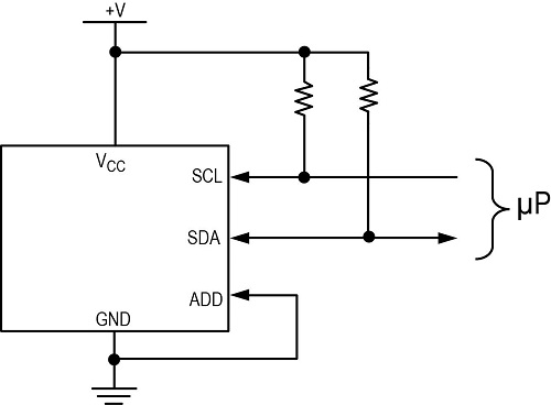
图1所示为典型的I2C电阻上拉法,其中I2C主机的信号定义为漏极开路,ADD引脚的默认状态为逻辑1。每当访问该从机时,在相应START信号之前,必须先产生对应的译码(ADD输入偏压);译码必须在执行相应STOP之前保持稳定。

图1:输入电平定义寻址,如DS1621、DS75或MAX6634温度传感器。使用该功能时,多个温度器件可拥有自身的从机地址。
定义的输入电平对地址输入引脚偏压进行解码,确定当前的从机地址。对于利用可选ADD引脚解码SDA或SCL状态的器件,建议ADD直接连接至相应引脚。通过使用地址引脚满幅电压条件,可实现最大信号裕量。当用硬件定义地址引脚状态时,使用低阻值上拉/下拉电阻(<1kΩ)。
2) 引脚状态定义。地址输入引脚状态必须由硬件控制(PCB装配)。这种方法可定义三种或更多种可能的从机地址,包括输入引脚浮空时的唯一译码。
图2所示为连接至地的典型I2C地址引脚。如果ADD由电源确定,引脚应直接连接至相应的电源。(通过0Ω连接至V+或GND)。

图2:引脚状态定义寻址,如MAX6650或MAX6681温度传感器,允许利用本地直接连接定义地址引脚。
转到下一页
定义为“浮空”的引脚不要链接任何外部元件或引线。图3所示为不正确的电阻分压器布局,其中试图使ADD输入保持为(V+/2)。如果选择这种引脚状态,下行装配条件(残留助焊剂、潮湿、相邻数字走线等)会对相应地址解码产生不利影响。无其它选择可用时,使用浮空选项。

图3:在“浮空”引脚配置中不要使用上拉或下拉电阻。
引脚状态定义的工作类似于输入电平定义设计,但增加了第三种(有时提供第四种)输入状态选项(例如浮空、接地电阻)。因此,这种方法对于潜在的地址选择错误、邻近走线的噪声耦合、装配工艺(例如残余污染物表面泄漏通路)或原始硅工艺变化等非常敏感。
定义为逻辑高电平的引脚应直接连接(即0Ω)至器件源;定义为逻辑低电平的引脚应直接连接(即0Ω)至电路板地;定义为接地电阻的引脚可能要求5%的外部元件容限。详细信息请参见产品的技术指标。
3) 定购时指定。按照不同的定购号(例如器件材料不同,BOM),可使用唯一的从地址。这种器件型号指定法的优点是应用中的抗噪性,缺点是增加了采购/装配复杂度,因为要处理相同芯片的放置在特定的不同位置。
图4所示为采用八片定购号不同的DS1775数字温度计型号的简化连接图。

图4:DS1775和MAX6697温度传感器在定购时指定地址。
定购时指定地址的元件没有必须控制的附加引脚或信号,为多点应用提供最可靠的方案。但是如开头所述,该解决方案要求独特的BOM和布局要求。
总而言之,多点温度检测是特定系统的温度监测要求,通常需要将用于器件间I/O减至最少,以减少CPU资源。我们讨论了多种温度传感器和数字温度计及温度监控器的三种多点应用方案,也介绍了实现每种方案的注意事项。
Philips是Koninklijke Philips Electronics N.V. Ltd的注册商标。
- 多核及虚拟化技术在工业和安全领域的应用(05-23)
- 基于ARM核的AT75C220及其在指纹识别系统中的应用(05-24)
- 基于音频信号的轴承故障诊断方法(03-17)
- 采用信号调理IC驱动应变片电桥传感器(05-26)
- 基于nRF2401智能无线火灾监控系统设计(04-01)
- 家居安防无线监控报警系统(04-02)
