高集成度电机驱动方案因应更加安全、环保和智能的电机设计需求
时间:12-25
来源:互联网
点击:
随着电机驱动的发展,市场对电机驱动出现了新的要求——更安全(运行稳定,故障率低)、更环保(高效率,低功耗),以及更智能(算法先进,易于使用)。以往,电机驱动采用分立分案设计,电路板包含了前置逻辑、MOSFET驱动、时钟、电源管理、温度传感器、保护电路、电源控制、比较器、参考电压等若干子电路(图1)。这样,电路板一来尺寸大,二来安全性也不高。
前不久,德州仪器(TI)推出了一款24V三相无传感器BLDC电机驱动器DRV10983。德州仪器中国区市场开发高性能模拟产品业务拓展经理信本伟介绍说,现在很多电机应用要求体积越来越小,要求将MCU和驱动电路(包括各种保护电路)全部集成并做到电机里,这也是电机未来的发展方向。

图1:传统分立式电机驱动解决方案需要超过100个晶体管、数字门电路、放大器、LDO、温度传感器和保险丝。
德州仪器电机驱动器产品种类丰富(包括步进电机驱动器、有刷直流电机驱动器、无刷直流电机驱动器、螺线管驱动器以及霍尔效应传感器IC等),有着超过15年的设计经验;以客户定制的形式广泛应用于硬盘、光驱、喷墨打印机、数码相机、汽车工业等行业中。德州仪器在2010年成立了电机驱动事业部(MDBU),开始进军大众市场。
信本伟指出,将电机驱动做成高集成度的解决方案,将驱动器、MOS管、保护电路、控制开关、算法全部集成在一起,这样做的好处是:1、减小PCB尺寸,缩减BOM;2、因为集成度高,所以可靠性得到提升,整个电路的一致性非常高;3、客户无需分立方案设计,直接用一颗IC就可以进行产品设计。此外,TI所有的电机驱动产品都提供了完全保护,包括过流/短路保护、过热保护、欠压闭锁,以及击穿保护等。
在保护方面,与地、电源或线圈之间的短路等情况都需要做过流保护。不同于电流调节电路,TI产品包括另外一个保护电路“ILIMIT”。ILIMIT是个比较复杂的硬件电路的算法。通过减小功率管的栅极电压,其电源漏极电阻会增加,从而限制通过的电流。在这方面,TI产品具有约100ns的快速响应时间。每个功率管都需要单独的保护机制,同时需要能迅速对过流情况进行反映,又不能有误判。分立器件的保护电路一般只管总的一级,单一功率MOSFET管烧掉不会保护,待第二个MOSFET烧掉时才动作为时已晚。
TI的电机驱动系列DRV88xx在完全短路时,回路电流能在约400内恢复到9A,同时输出级在约3μs后被关断。如果稍微关慢一点,9A意味着电机和后面的电路将全部烧掉。
DRV88xx中集成的保护还包括欠压闭锁、击穿保护和热关断等功能。欠压闭锁——芯片自行持续监测供电电压值,当电压过低时将输出端设置成高阻抗状态,确保H桥能够正常运作。击穿保护——同一个半桥的高低侧绝不允许同时打开,为了避免此现象的发生,高侧关断和低侧导通之间人为地增加一段延时(停滞时间)。停滞时间越长H桥接的运作越安全,但同时线性度和效率也越差。热关断——过度发热,热沉不足。环境温度过高等都可能对芯片造成损害。TI芯片内部集成了多个热感应器来持续监控温度、当芯片温度上升到过热的阈值时,H桥将被设置成高阻,微步进细分也将被重置。TI的部分产品在热关断之前可以先进行预判,预判温度一般比热关断阈值低20℃~30℃。
在工艺方面,TI电机驱动的RDSON能做到100mΩ以下,而其他厂商很多都只能做到200mΩ~300mΩ。内阻越小功耗就越低,在休眠的状态下漏电的可能性就越小。另外是PowerPad,芯片底部有个散热片,直接贴在PCB上,靠背面的地(铜箔)做散热,这样就可以节省散热片的使用。
在算法方面,TI有个Kilby实验室,该实验室里有很多专门做电机的专家,研究处理算法。DRV8818不管是在做全步步进、1/2细分、1/4细分,还是在做1/8细分的时候都非常均匀。此外,TI的步进电机驱动器拥有较同类产品更小的过零失真和电感放电失真,这意味着更小的转矩纹波,更平滑的电机运转。
最新的DRV10983的一个应用是厨房用的排气扇。以前厨房排气扇采用交流电机设计很简单,但是功耗很高。现在市场上都在用24V的三相无传感器电机,一是电机成本并没有升高,二是能效控制非常好,而且可以做无极调速。同时它会提供详细的报告,比如是否堵转,电源是否过压/欠压等。
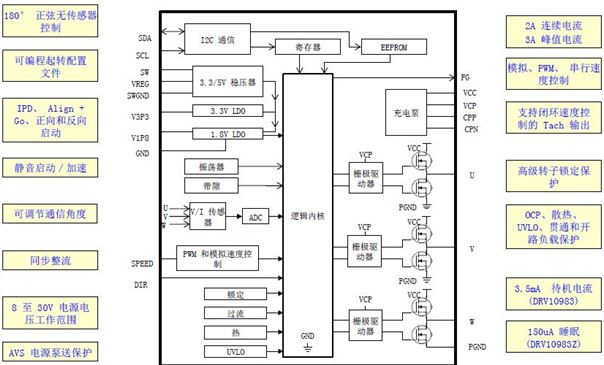
信本伟透露,现在很多风扇类的厂商都在考虑使用这个方案。因为现在国家对能效比提出要求,所以未来交流转直流一定是电机的发展趋势。如果采用三相带霍尔的设计会很麻烦,因此现在基本上厂商会选三相无霍尔的设计。同时,做三相最基本的方法是每相120°,这种方法一是稳定性不好,二是有噪声。TI的180°三相正弦控制算法在相与相之间有重叠区,转起来会很平稳,能够实现静音工作。此外,DRV10893内部集成了可编程转换配置文件、IPD、Align+Go、正向和反向启动、可调节通信角度、同步整流、高级转子锁定保护等功能(图2)。

图2:24V三相无传感器BLDC电机驱动器DRV10983。
电路 MOSFET 电源管理 传感器 比较器 电压 德州仪器 MCU 放大器 LDO 温度传感器 步进电机 霍尔效应 PCB 电流 电阻 电感 相关文章:
- 一种新型防伪读码器的设计(01-01)
- 基于ARM与DSP的嵌入式运动控制器设计(04-25)
- 航天器DC/DC变换器的可靠性设计(02-12)
- 基于ARM核的AT75C220及其在指纹识别系统中的应用(05-24)
- 基于nRF2401智能小区无线抄表系统集中器设计(04-30)
- 卫星电源分系统可靠性设计与研究(02-12)
